LEMON Manuals: Even more car manuals for everyone: 1960-2025
Home >> Lexus >> 2007 >> IS 350 >> Repair and Diagnosis >> Electrical >> Body Electrical >> OEM System Circuits >> Air Conditioning >> Notes
April 5, 2026: LEMON Manuals is launched! Read the announcement.

Air Conditioning: Notes

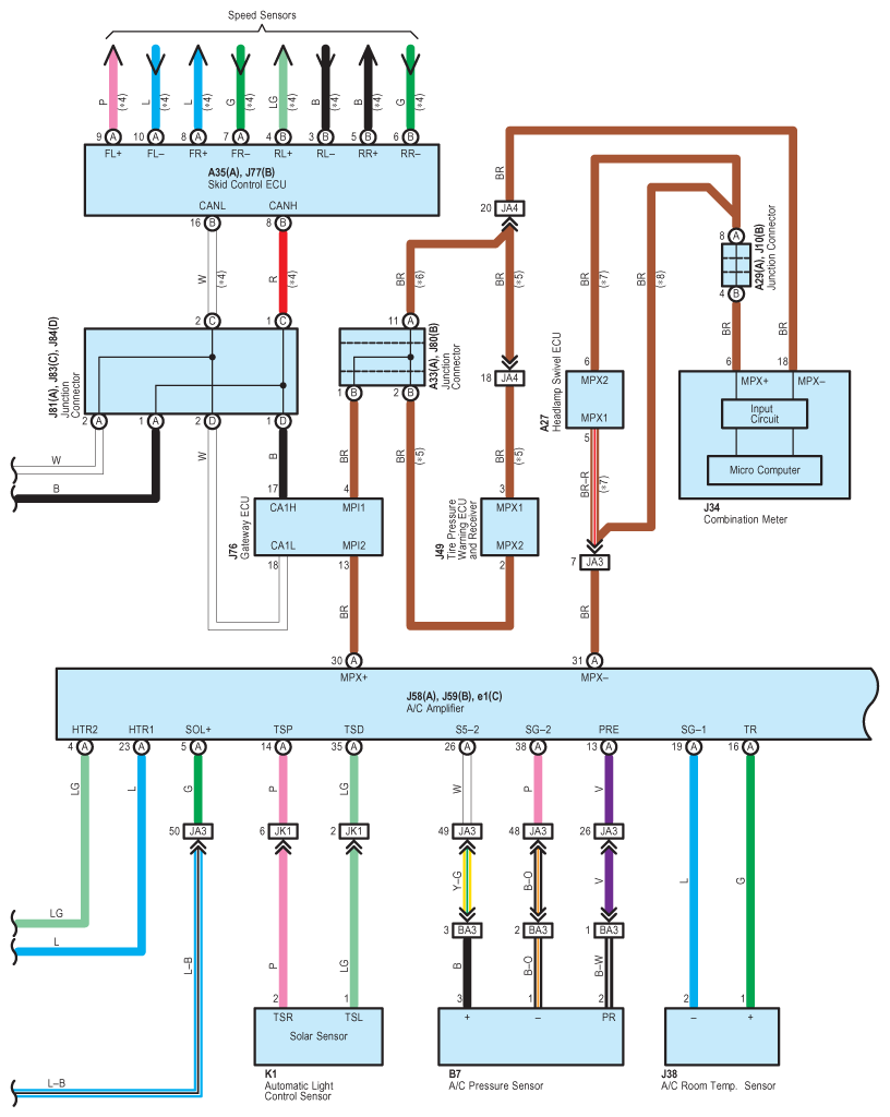
Fig 1: Air Conditioning - Wiring Diagram (1 Of 7)
G08918677Courtesy of © TOYOTA, LICENSE AGREEMENT TMS1002
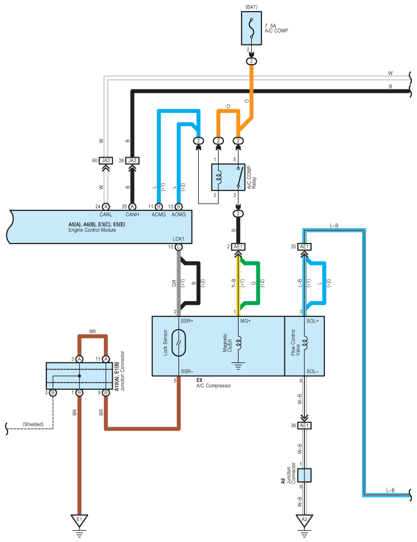
Fig 2: Air Conditioning - Wiring Diagram (2 Of 7)
G08918678Courtesy of © TOYOTA, LICENSE AGREEMENT TMS1002
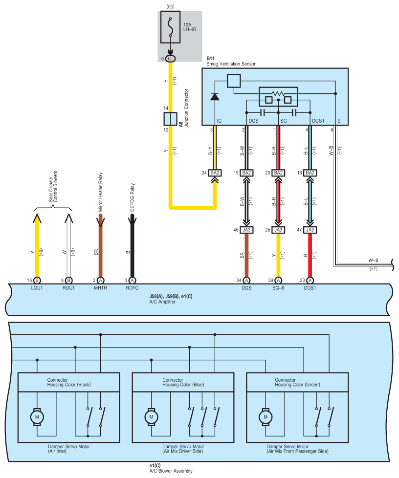
Fig 3: Air Conditioning - Wiring Diagram (3 Of 7)
G08918679Courtesy of © TOYOTA, LICENSE AGREEMENT TMS1002
Fig 4: Air Conditioning - Wiring Diagram (4 Of 7)
G08918680Courtesy of © TOYOTA, LICENSE AGREEMENT TMS1002
Fig 5: Air Conditioning - Wiring Diagram (5 Of 7)
G08918681Courtesy of © TOYOTA, LICENSE AGREEMENT TMS1002
Fig 6: Air Conditioning - Wiring Diagram (6 Of 7)
G08918682Courtesy of © TOYOTA, LICENSE AGREEMENT TMS1002
Fig 7: Air Conditioning - Wiring Diagram (7 Of 7)
G08918683Courtesy of © TOYOTA, LICENSE AGREEMENT TMS1002