LEMON Manuals: Even more car manuals for everyone: 1960-2025
Home >> Lexus >> 2007 >> IS 350 >> Repair and Diagnosis >> Electrical >> Body Electrical >> OEM System Circuits >> Engine Control for 2GR-FSE >> Notes
April 5, 2026: LEMON Manuals is launched! Read the announcement.

Engine Control for 2GR-FSE: Notes

Fig 1: Engine Control For 2GR-FSE - Wiring Diagram (1 Of 16)
G08918356Courtesy of © TOYOTA, LICENSE AGREEMENT TMS1002
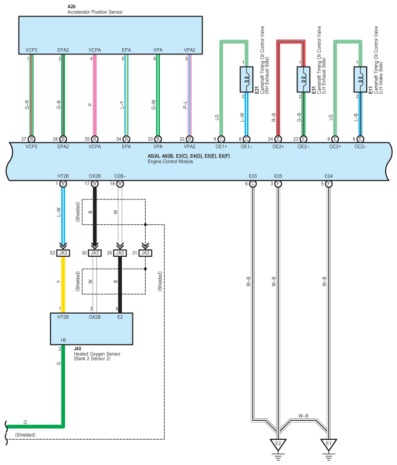
Fig 2: Engine Control For 2GR-FSE - Wiring Diagram (2 Of 16)
G08918357Courtesy of © TOYOTA, LICENSE AGREEMENT TMS1002
Fig 3: Engine Control For 2GR-FSE - Wiring Diagram (3 Of 16)
G08918358Courtesy of © TOYOTA, LICENSE AGREEMENT TMS1002
Fig 4: Engine Control For 2GR-FSE - Wiring Diagram (4 Of 16)
G08918359Courtesy of © TOYOTA, LICENSE AGREEMENT TMS1002
Fig 5: Engine Control For 2GR-FSE - Wiring Diagram (5 Of 16)
G08918360Courtesy of © TOYOTA, LICENSE AGREEMENT TMS1002
Fig 6: Engine Control For 2GR-FSE - Wiring Diagram (6 Of 16)
G08918361Courtesy of © TOYOTA, LICENSE AGREEMENT TMS1002
Fig 7: Engine Control For 2GR-FSE - Wiring Diagram (7 Of 16)
G08918362Courtesy of © TOYOTA, LICENSE AGREEMENT TMS1002
Fig 8: Engine Control For 2GR-FSE - Wiring Diagram (8 Of 16)
G08918363Courtesy of © TOYOTA, LICENSE AGREEMENT TMS1002
Fig 9: Engine Control For 2GR-FSE - Wiring Diagram (9 Of 16)
G08918364Courtesy of © TOYOTA, LICENSE AGREEMENT TMS1002
Fig 10: Engine Control For 2GR-FSE - Wiring Diagram (10 Of 16)
G08918365Courtesy of © TOYOTA, LICENSE AGREEMENT TMS1002
Fig 11: Engine Control For 2GR-FSE - Wiring Diagram (11 Of 16)
G08918366Courtesy of © TOYOTA, LICENSE AGREEMENT TMS1002
Fig 12: Engine Control For 2GR-FSE - Wiring Diagram (12 Of 16)
G08918367Courtesy of © TOYOTA, LICENSE AGREEMENT TMS1002
Fig 13: Engine Control For 2GR-FSE - Wiring Diagram (13 Of 16)
G08918368Courtesy of © TOYOTA, LICENSE AGREEMENT TMS1002
Fig 14: Engine Control For 2GR-FSE - Wiring Diagram (14 Of 16)
G08918369Courtesy of © TOYOTA, LICENSE AGREEMENT TMS1002
Fig 15: Engine Control For 2GR-FSE - Wiring Diagram (15 Of 16)
G08918370Courtesy of © TOYOTA, LICENSE AGREEMENT TMS1002
Fig 16: Engine Control For 2GR-FSE - Wiring Diagram (16 Of 16)
G08918371Courtesy of © TOYOTA, LICENSE AGREEMENT TMS1002