LEMON Manuals: Even more car manuals for everyone: 1960-2025
Home >> Lexus >> 2007 >> IS 350 >> Repair and Diagnosis >> Electrical >> Body Electrical >> OEM System Circuits >> SRS >> Notes
April 5, 2026: LEMON Manuals is launched! Read the announcement.

OEM System Circuits: SRS: Notes

NOTE: When inspecting or repairing the SRS, perform service in accordance with the following precautionary instructions and the procedure, and precautions in the Repair Information applicable for the model year.
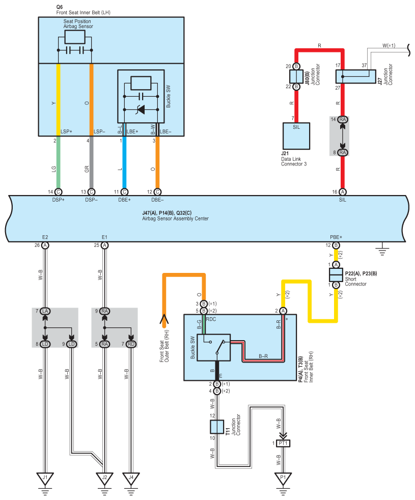
Fig 2: SRS - Wiring Diagram (1 Of 6)
G08918583Courtesy of © TOYOTA, LICENSE AGREEMENT TMS1002
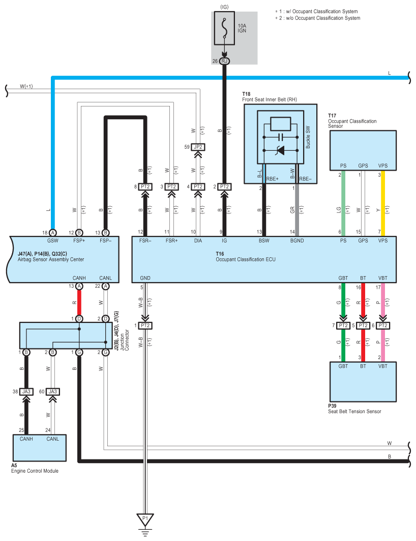
Fig 3: SRS - Wiring Diagram (2 Of 6)
G08918584Courtesy of © TOYOTA, LICENSE AGREEMENT TMS1002
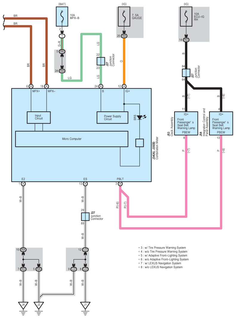
Fig 4: SRS - Wiring Diagram (3 Of 6)
G08918585Courtesy of © TOYOTA, LICENSE AGREEMENT TMS1002
Fig 5: SRS - Wiring Diagram (4 Of 6)
G08918586Courtesy of © TOYOTA, LICENSE AGREEMENT TMS1002
Fig 6: SRS - Wiring Diagram (5 Of 6)
G08918587Courtesy of © TOYOTA, LICENSE AGREEMENT TMS1002
Fig 7: SRS - Wiring Diagram (6 Of 6)
G08918588Courtesy of © TOYOTA, LICENSE AGREEMENT TMS1002