LEMON Manuals: Even more car manuals for everyone: 1960-2025
Home >> Lexus >> 2007 >> IS 350 >> Repair and Diagnosis >> Electrical >> Body Electrical >> OEM System Circuits >> Shift Lock >> Notes
April 5, 2026: LEMON Manuals is launched! Read the announcement.

Shift Lock: Notes

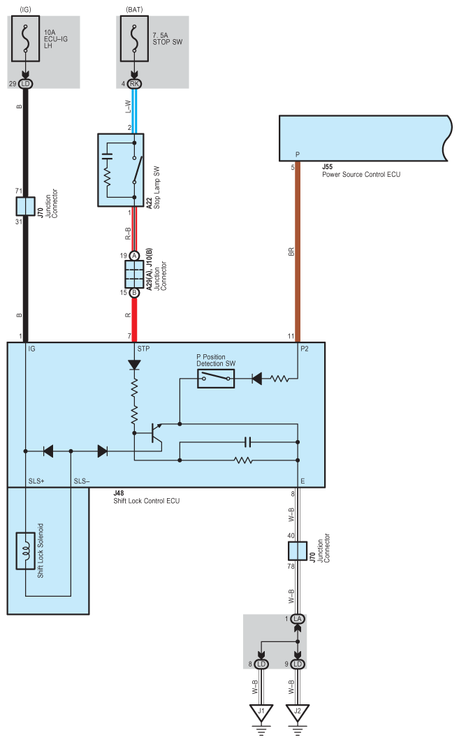
Fig 1: Shift Lock - Wiring Diagram (1 Of 2)
G08918605Courtesy of © TOYOTA, LICENSE AGREEMENT TMS1002
Fig 2: Shift Lock - Wiring Diagram (2 Of 2)
G08918606Courtesy of © TOYOTA, LICENSE AGREEMENT TMS1002