LEMON Manuals: Even more car manuals for everyone: 1960-2025
Home >> Lexus >> 2007 >> LS 460L >> Repair and Diagnosis >> Electrical >> Body Electrical >> OEM System Circuits >> Audio System with SDARS >> Notes
April 5, 2026: LEMON Manuals is launched! Read the announcement.

Audio System with SDARS: Notes

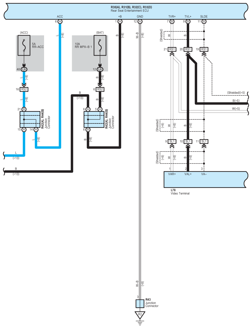
Fig 1: Audio System With SDARS System Wiring Diagram (1 Of 17)
G08920906Courtesy of © TOYOTA, LICENSE AGREEMENT TMS1002
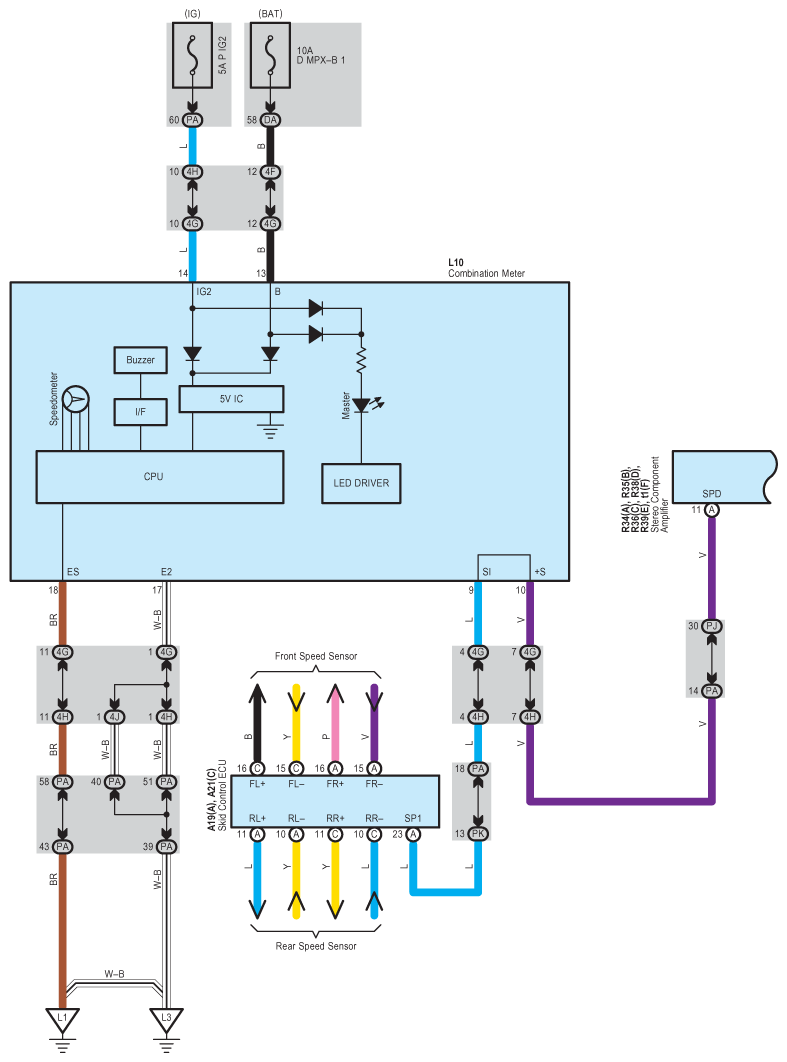
Fig 2: Audio System With SDARS System Wiring Diagram (2 Of 17)
G08920907Courtesy of © TOYOTA, LICENSE AGREEMENT TMS1002
Fig 3: Audio System With SDARS System Wiring Diagram (3 Of 17)
G08920908Courtesy of © TOYOTA, LICENSE AGREEMENT TMS1002
Fig 4: Audio System With SDARS System Wiring Diagram (4 Of 17)
G08920909Courtesy of © TOYOTA, LICENSE AGREEMENT TMS1002
Fig 5: Audio System With SDARS System Wiring Diagram (5 Of 17)
G08920910Courtesy of © TOYOTA, LICENSE AGREEMENT TMS1002
Fig 6: Audio System With SDARS System Wiring Diagram (6 Of 17)
G08920911Courtesy of © TOYOTA, LICENSE AGREEMENT TMS1002
Fig 7: Audio System With SDARS System Wiring Diagram (7 Of 17)
G08920912Courtesy of © TOYOTA, LICENSE AGREEMENT TMS1002
Fig 8: Audio System With SDARS System Wiring Diagram (8 Of 17)
G08920913Courtesy of © TOYOTA, LICENSE AGREEMENT TMS1002
Fig 9: Audio System With SDARS System Wiring Diagram (9 Of 17)
G08920914Courtesy of © TOYOTA, LICENSE AGREEMENT TMS1002
Fig 10: Audio System With SDARS System Wiring Diagram (10 Of 17)
G08920915Courtesy of © TOYOTA, LICENSE AGREEMENT TMS1002
Fig 11: Audio System With SDARS System Wiring Diagram (11 Of 17)
G08920916Courtesy of © TOYOTA, LICENSE AGREEMENT TMS1002
Fig 12: Audio System With SDARS System Wiring Diagram (12 Of 17)
G08920917Courtesy of © TOYOTA, LICENSE AGREEMENT TMS1002
Fig 13: Audio System With SDARS System Wiring Diagram (13 Of 17)
G08920918Courtesy of © TOYOTA, LICENSE AGREEMENT TMS1002
Fig 14: Audio System With SDARS System Wiring Diagram (14 Of 17)
G08920919Courtesy of © TOYOTA, LICENSE AGREEMENT TMS1002
Fig 15: Audio System With SDARS System Wiring Diagram (15 Of 17)
G08920920Courtesy of © TOYOTA, LICENSE AGREEMENT TMS1002
Fig 16: Audio System With SDARS System Wiring Diagram (16 Of 17)
G08920921Courtesy of © TOYOTA, LICENSE AGREEMENT TMS1002
Fig 17: Audio System With SDARS System Wiring Diagram (17 Of 17)
G08920922Courtesy of © TOYOTA, LICENSE AGREEMENT TMS1002