LEMON Manuals: Even more car manuals for everyone: 1960-2025
Home >> Lexus >> 2007 >> LS 460L >> Repair and Diagnosis >> Electrical >> Body Electrical >> OEM System Circuits >> Power Window >> Notes
April 5, 2026: LEMON Manuals is launched! Read the announcement.

Power Window: Notes

Fig 1: Power Window System Wiring Diagram (1 Of 8)
G08920637Courtesy of © TOYOTA, LICENSE AGREEMENT TMS1002
Fig 2: Power Window System Wiring Diagram (2 Of 8)
G08920638Courtesy of © TOYOTA, LICENSE AGREEMENT TMS1002
Fig 3: Power Window System Wiring Diagram (3 Of 8)
G08920639Courtesy of © TOYOTA, LICENSE AGREEMENT TMS1002
Fig 4: Power Window System Wiring Diagram (4 Of 8)
G08920640Courtesy of © TOYOTA, LICENSE AGREEMENT TMS1002
Fig 5: Power Window System Wiring Diagram (5 Of 8)
G08920641Courtesy of © TOYOTA, LICENSE AGREEMENT TMS1002
Fig 6: Power Window System Wiring Diagram (6 Of 8)
G08920642Courtesy of © TOYOTA, LICENSE AGREEMENT TMS1002
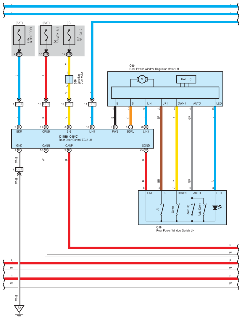
Fig 7: Power Window System Wiring Diagram (7 Of 8)
G08920643Courtesy of © TOYOTA, LICENSE AGREEMENT TMS1002
Fig 8: Power Window System Wiring Diagram (8 Of 8)
G08920644Courtesy of © TOYOTA, LICENSE AGREEMENT TMS1002