LEMON Manuals: Even more car manuals for everyone: 1960-2025
Home >> Lexus >> 2007 >> LS 460L >> Repair and Diagnosis >> Electrical >> Body Electrical >> OEM System Circuits >> Stop Light >> Notes
April 5, 2026: LEMON Manuals is launched! Read the announcement.

Stop Light: Notes

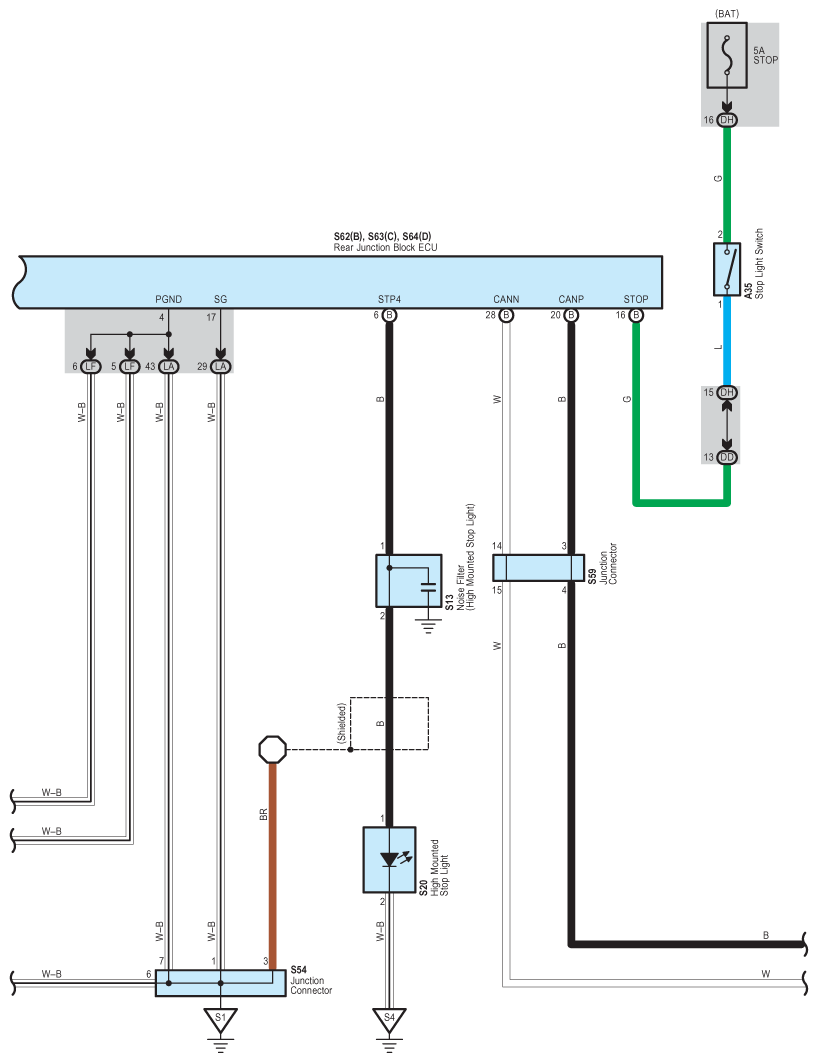
Fig 1: Stop Light System Wiring Diagram (1 Of 3)
G08920612Courtesy of © TOYOTA, LICENSE AGREEMENT TMS1002
Fig 2: Stop Light System Wiring Diagram (2 Of 3)
G08920613Courtesy of © TOYOTA, LICENSE AGREEMENT TMS1002
Fig 3: Stop Light System Wiring Diagram (3 Of 3)
G08920614Courtesy of © TOYOTA, LICENSE AGREEMENT TMS1002