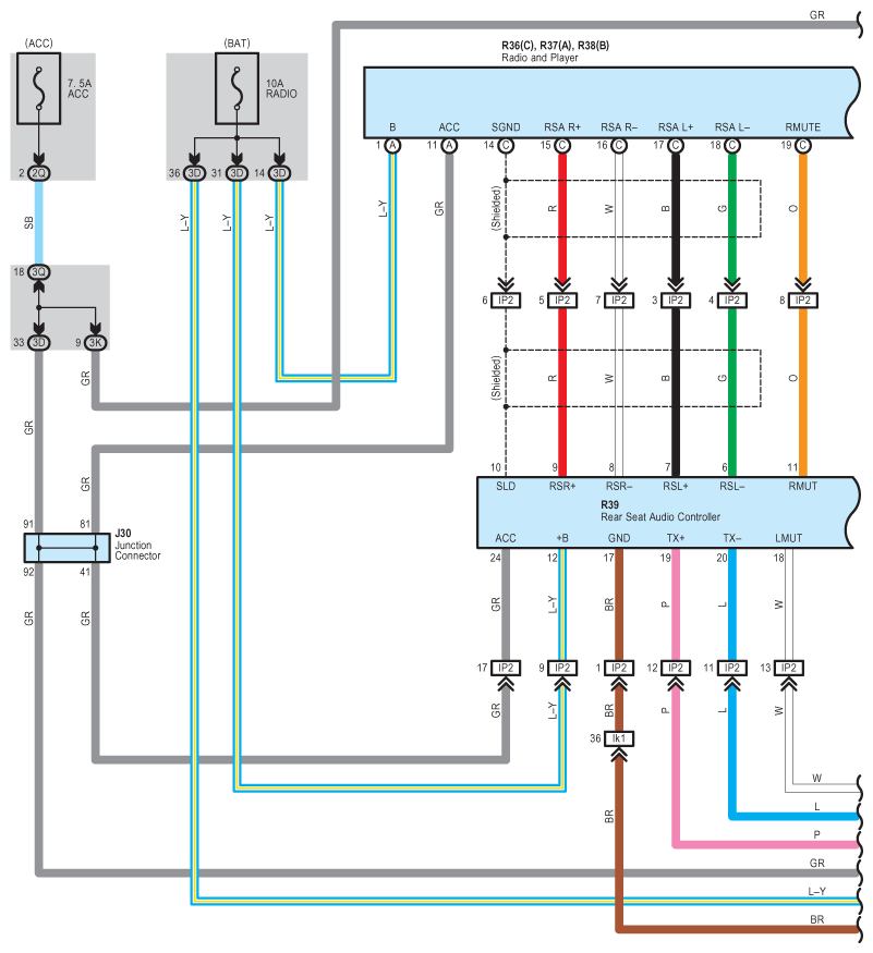
Audio System with Navigation System: Notes
Courtesy of © TOYOTA, LICENSE AGREEMENT TMS1002
Courtesy of © TOYOTA, LICENSE AGREEMENT TMS1002
Courtesy of © TOYOTA, LICENSE AGREEMENT TMS1002
Courtesy of © TOYOTA, LICENSE AGREEMENT TMS1002
Courtesy of © TOYOTA, LICENSE AGREEMENT TMS1002