LEMON Manuals
: Even more car manuals for everyone: 1960-2025
Home
>>
Lexus
>>
2007
>>
LX 470
>>
Repair and Diagnosis
>>
Electrical
>>
Body Electrical
>>
OEM System Circuits
>>
Center Differential Lock
>>
Notes
April 5, 2026:
LEMON Manuals is launched!
Read the announcement.
Center Differential Lock: Notes
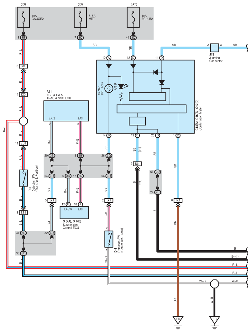
Fig 1: Center Differential Lock - Wiring Diagram (1 Of 3)
Courtesy of © TOYOTA, LICENSE AGREEMENT TMS1002
Fig 2: Center Differential Lock - Wiring Diagram (2 Of 3)
Courtesy of © TOYOTA, LICENSE AGREEMENT TMS1002
Fig 3: Center Differential Lock - Wiring Diagram (3 Of 3)
Courtesy of © TOYOTA, LICENSE AGREEMENT TMS1002