LEMON Manuals: Even more car manuals for everyone: 1960-2025
Home >> Lexus >> 2007 >> LX 470 >> Repair and Diagnosis >> Electrical >> Body Electrical >> OEM System Circuits >> Key Reminder >> Notes
April 5, 2026: LEMON Manuals is launched! Read the announcement.

Key Reminder: Notes

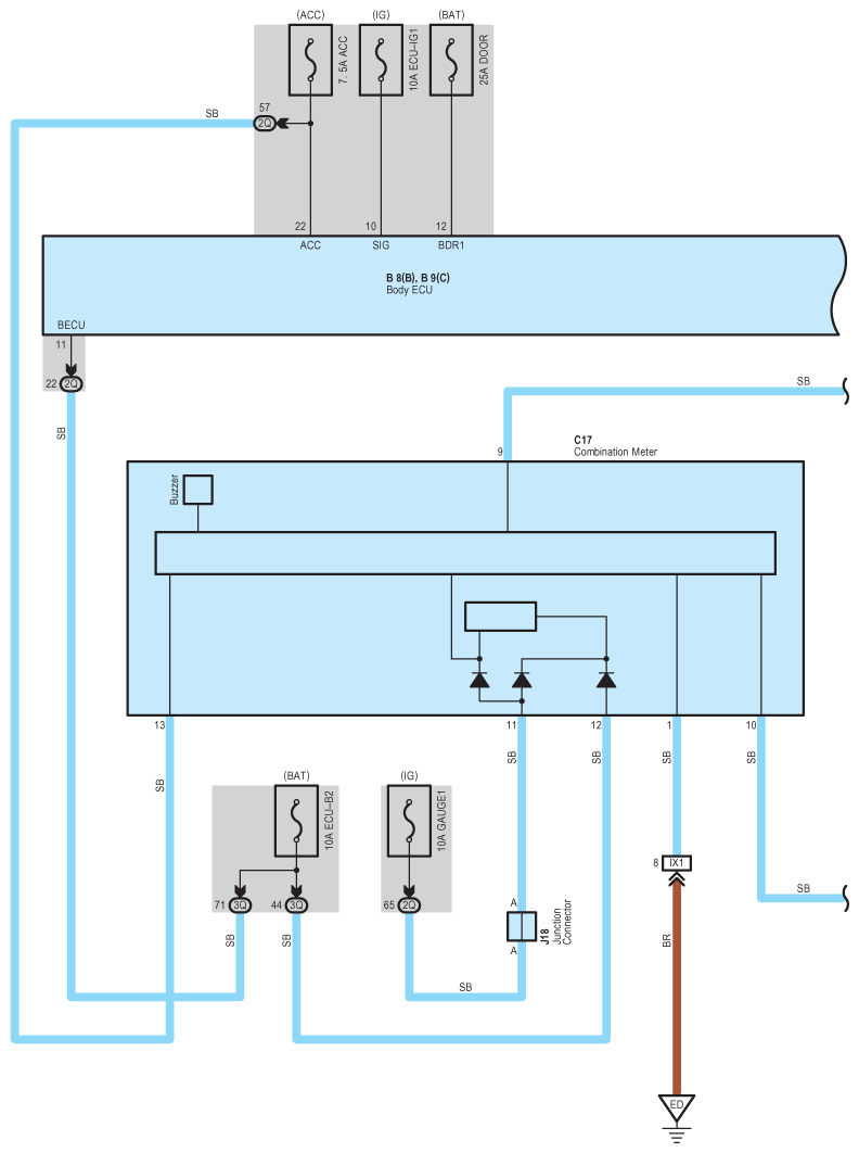
Fig 1: Key Reminder - Wiring Diagram (1 Of 2)
G08922876Courtesy of © TOYOTA, LICENSE AGREEMENT TMS1002
Fig 2: Key Reminder - Wiring Diagram (2 Of 2)
G08922877Courtesy of © TOYOTA, LICENSE AGREEMENT TMS1002