LEMON Manuals: Even more car manuals for everyone: 1960-2025
Home >> Lexus >> 2007 >> LX 470 >> Repair and Diagnosis >> Electrical >> Body Electrical >> OEM System Circuits >> LEXUS Night View System >> Notes
April 5, 2026: LEMON Manuals is launched! Read the announcement.

LEXUS Night View System: Notes

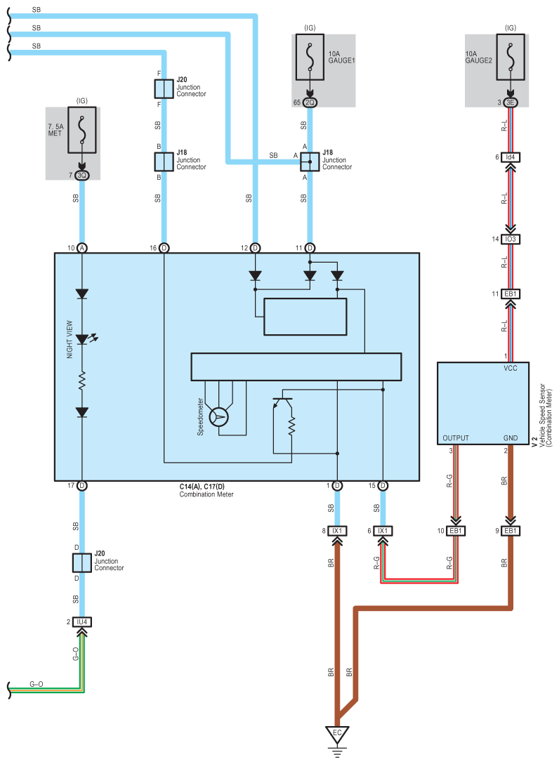
Fig 1: Lexus Night View System - Wiring Diagram (1 Of 6)
G08922756Courtesy of © TOYOTA, LICENSE AGREEMENT TMS1002
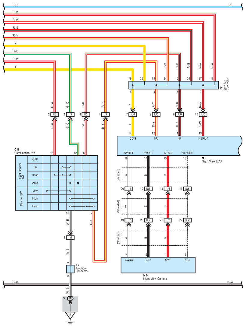
Fig 2: Lexus Night View System - Wiring Diagram (2 Of 6)
G08922757Courtesy of © TOYOTA, LICENSE AGREEMENT TMS1002
Fig 3: Lexus Night View System - Wiring Diagram (3 Of 6)
G08922758Courtesy of © TOYOTA, LICENSE AGREEMENT TMS1002
Fig 4: Lexus Night View System - Wiring Diagram (4 Of 6)
G08922759Courtesy of © TOYOTA, LICENSE AGREEMENT TMS1002
Fig 5: Lexus Night View System - Wiring Diagram (5 Of 6)
G08922760Courtesy of © TOYOTA, LICENSE AGREEMENT TMS1002
Fig 6: Lexus Night View System - Wiring Diagram (6 Of 6)
G08922761Courtesy of © TOYOTA, LICENSE AGREEMENT TMS1002