LEMON Manuals
: Even more car manuals for everyone: 1960-2025
Home
>>
Lexus
>>
2007
>>
LX 470
>>
Repair and Diagnosis
>>
Electrical
>>
Body Electrical
>>
OEM System Circuits
>>
Light Auto Turn Off System
>>
Notes
April 5, 2026:
LEMON Manuals is launched!
Read the announcement.
Light Auto Turn Off System: Notes
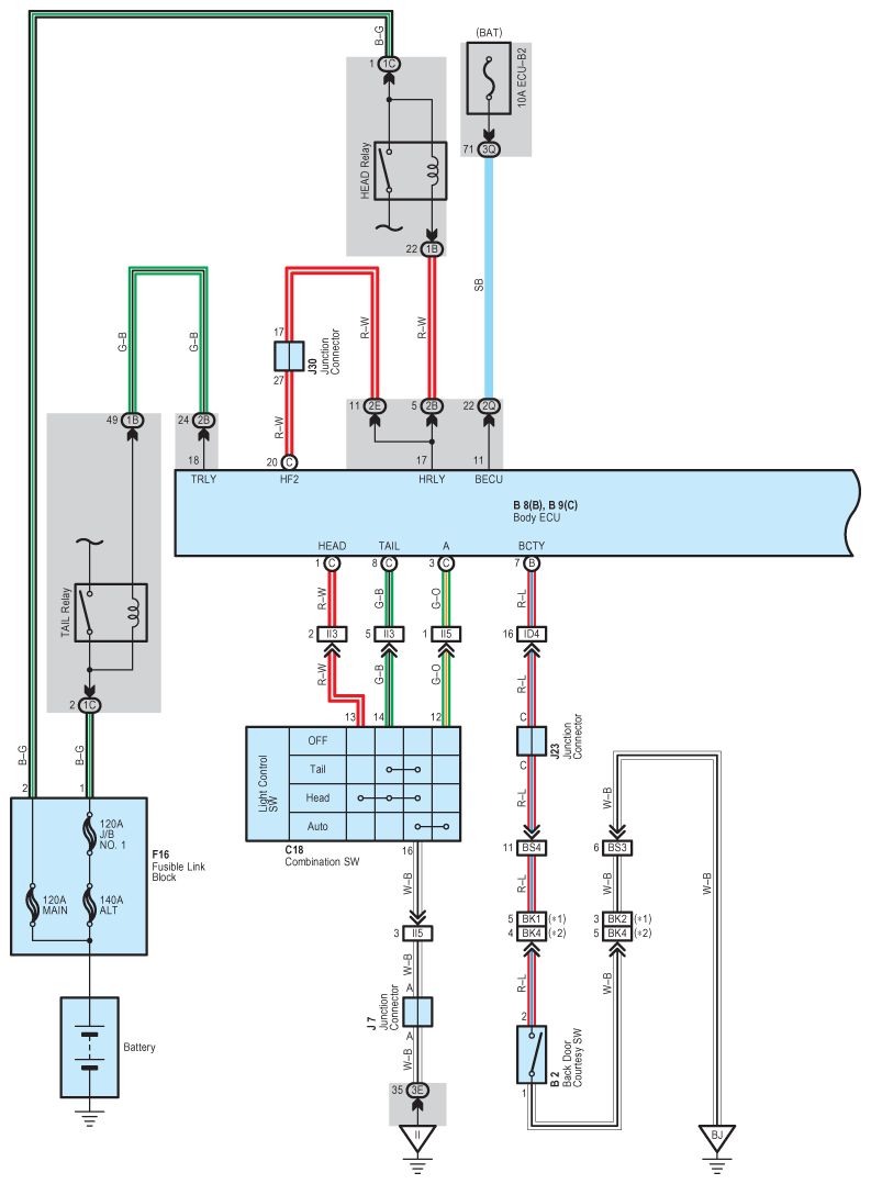
Fig 1: Light Auto Turn Off System - Wiring Diagram (1 Of 2)
Courtesy of © TOYOTA, LICENSE AGREEMENT TMS1002
Fig 2: Light Auto Turn Off System - Wiring Diagram (2 Of 2)
Courtesy of © TOYOTA, LICENSE AGREEMENT TMS1002