LEMON Manuals: Even more car manuals for everyone: 1960-2025
Home >> Lexus >> 2007 >> LX 470 >> Repair and Diagnosis >> Electrical >> Body Electrical >> OEM System Circuits >> Multiplex Communication System - BEAN >> Notes
April 5, 2026: LEMON Manuals is launched! Read the announcement.

Multiplex Communication System - BEAN: Notes

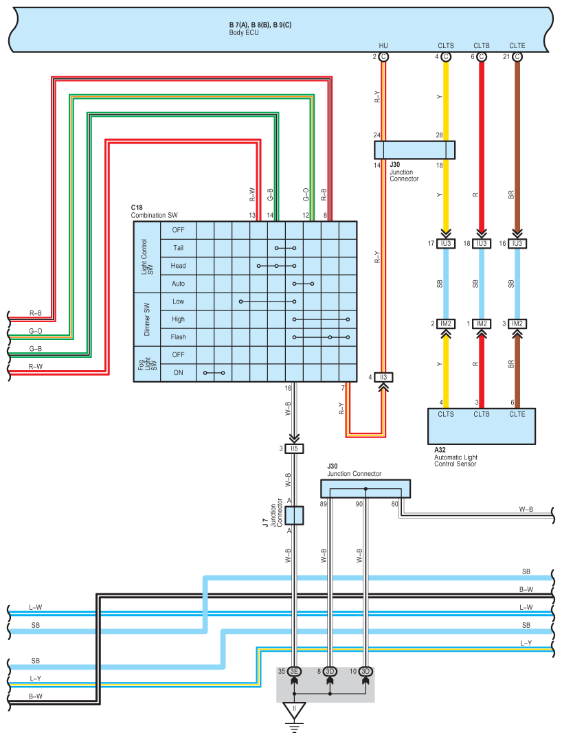
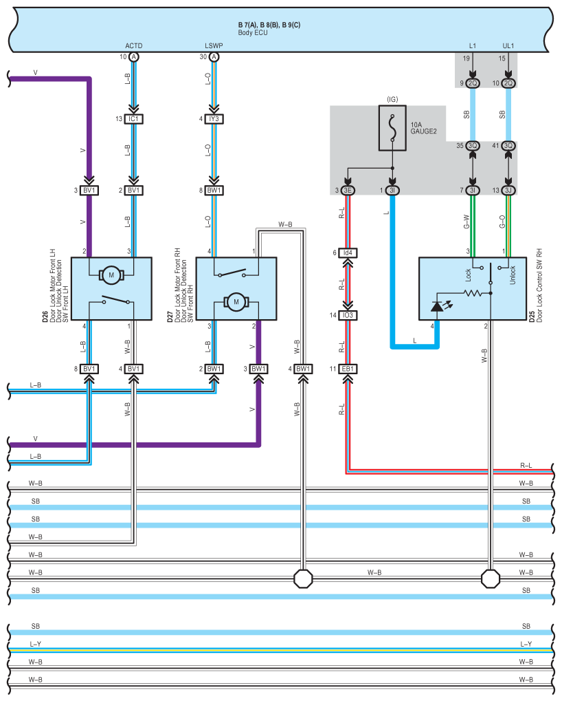
Fig 1: Multiplex Communication System - BEAN - Wiring Diagram (1 Of 24)
G08922762Courtesy of © TOYOTA, LICENSE AGREEMENT TMS1002
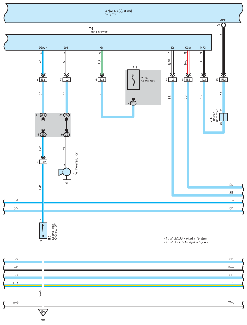
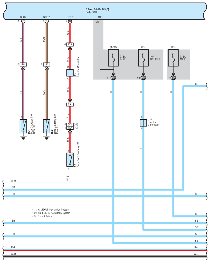
Fig 2: Multiplex Communication System - BEAN - Wiring Diagram (2 Of 24)
G08922763Courtesy of © TOYOTA, LICENSE AGREEMENT TMS1002
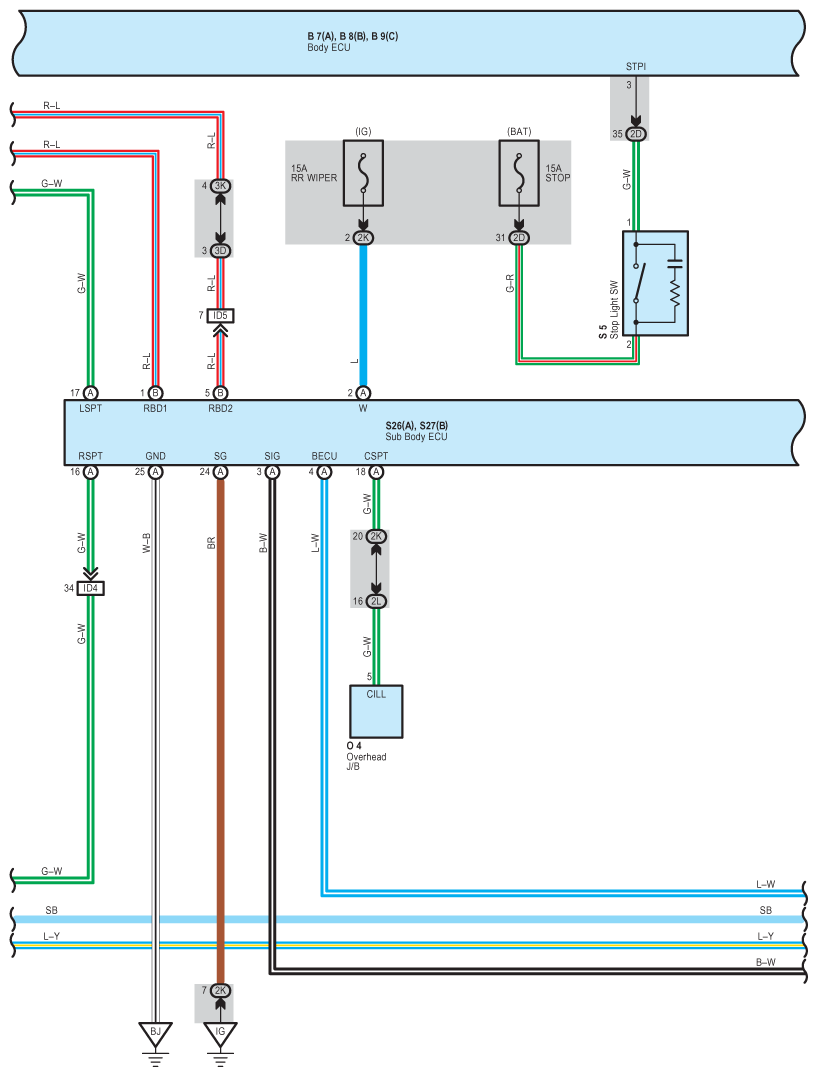
Fig 3: Multiplex Communication System - BEAN - Wiring Diagram (3 Of 24)
G08922764Courtesy of © TOYOTA, LICENSE AGREEMENT TMS1002
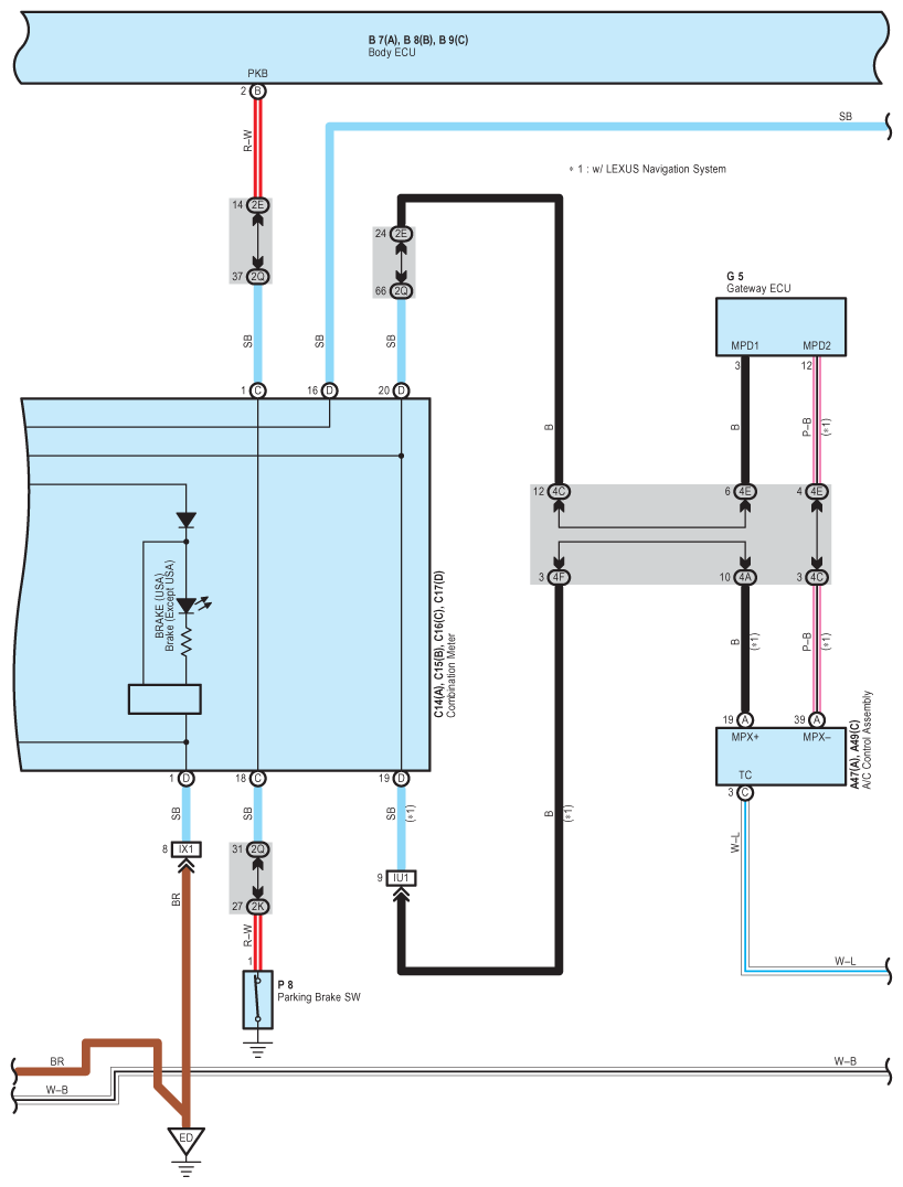
Fig 4: Multiplex Communication System - BEAN - Wiring Diagram (4 Of 24)
G08922765Courtesy of © TOYOTA, LICENSE AGREEMENT TMS1002
Fig 5: Multiplex Communication System - BEAN - Wiring Diagram (5 Of 24)
G08922766Courtesy of © TOYOTA, LICENSE AGREEMENT TMS1002
Fig 6: Multiplex Communication System - BEAN - Wiring Diagram (6 Of 24)
G08922767Courtesy of © TOYOTA, LICENSE AGREEMENT TMS1002
Fig 7: Multiplex Communication System - BEAN - Wiring Diagram (7 Of 24)
G08922768Courtesy of © TOYOTA, LICENSE AGREEMENT TMS1002
Fig 8: Multiplex Communication System - BEAN - Wiring Diagram (8 Of 24)
G08922769Courtesy of © TOYOTA, LICENSE AGREEMENT TMS1002
Fig 9: Multiplex Communication System - BEAN - Wiring Diagram (9 Of 24)
G08922770Courtesy of © TOYOTA, LICENSE AGREEMENT TMS1002
Fig 10: Multiplex Communication System - BEAN - Wiring Diagram (10 Of 24)
G08922771Courtesy of © TOYOTA, LICENSE AGREEMENT TMS1002
Fig 11: Multiplex Communication System - BEAN - Wiring Diagram (11 Of 24)
G08922772Courtesy of © TOYOTA, LICENSE AGREEMENT TMS1002
Fig 12: Multiplex Communication System - BEAN - Wiring Diagram (12 Of 24)
G08922773Courtesy of © TOYOTA, LICENSE AGREEMENT TMS1002
Fig 13: Multiplex Communication System - BEAN - Wiring Diagram (13 Of 24)
G08922774Courtesy of © TOYOTA, LICENSE AGREEMENT TMS1002
Fig 14: Multiplex Communication System - BEAN - Wiring Diagram (14 Of 24)
G08922775Courtesy of © TOYOTA, LICENSE AGREEMENT TMS1002
Fig 15: Multiplex Communication System - BEAN - Wiring Diagram (15 Of 24)
G08922776Courtesy of © TOYOTA, LICENSE AGREEMENT TMS1002
Fig 16: Multiplex Communication System - BEAN - Wiring Diagram (16 Of 24)
G08922777Courtesy of © TOYOTA, LICENSE AGREEMENT TMS1002
Fig 17: Multiplex Communication System - BEAN - Wiring Diagram (17 Of 24)
G08922778Courtesy of © TOYOTA, LICENSE AGREEMENT TMS1002
Fig 18: Multiplex Communication System - BEAN - Wiring Diagram (18 Of 24)
G08922779Courtesy of © TOYOTA, LICENSE AGREEMENT TMS1002
Fig 19: Multiplex Communication System - BEAN - Wiring Diagram (19 Of 24)
G08922780Courtesy of © TOYOTA, LICENSE AGREEMENT TMS1002
Fig 20: Multiplex Communication System - BEAN - Wiring Diagram (20 Of 24)
G08922781Courtesy of © TOYOTA, LICENSE AGREEMENT TMS1002
Fig 21: Multiplex Communication System - BEAN - Wiring Diagram (21 Of 24)
G08922782Courtesy of © TOYOTA, LICENSE AGREEMENT TMS1002
Fig 22: Multiplex Communication System - BEAN - Wiring Diagram (22 Of 24)
G08922783Courtesy of © TOYOTA, LICENSE AGREEMENT TMS1002
Fig 23: Multiplex Communication System - BEAN - Wiring Diagram (23 Of 24)
G08922784Courtesy of © TOYOTA, LICENSE AGREEMENT TMS1002
Fig 24: Multiplex Communication System - BEAN - Wiring Diagram (24 Of 24)
G08922785Courtesy of © TOYOTA, LICENSE AGREEMENT TMS1002