LEMON Manuals: Even more car manuals for everyone: 1960-2025
Home >> Lexus >> 2007 >> LX 470 >> Repair and Diagnosis >> Electrical >> Body Electrical >> OEM System Circuits >> Remote Control Mirror >> Notes
April 5, 2026: LEMON Manuals is launched! Read the announcement.

Remote Control Mirror: Notes

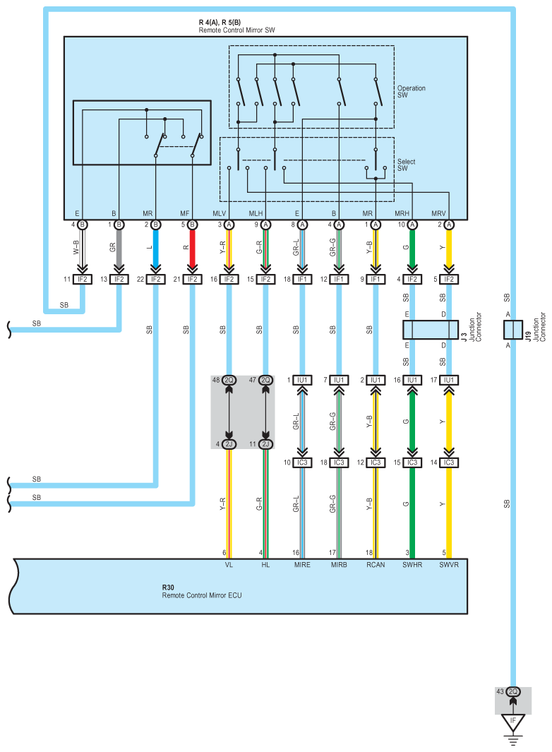
Fig 1: Remote Control Mirror - Wiring Diagram (1 Of 4)
G08922866Courtesy of © TOYOTA, LICENSE AGREEMENT TMS1002
Fig 2: Remote Control Mirror - Wiring Diagram (2 Of 4)
G08922867Courtesy of © TOYOTA, LICENSE AGREEMENT TMS1002
Fig 3: Remote Control Mirror - Wiring Diagram (3 Of 4)
G08922868Courtesy of © TOYOTA, LICENSE AGREEMENT TMS1002
Fig 4: Remote Control Mirror - Wiring Diagram (4 Of 4)
G08922869Courtesy of © TOYOTA, LICENSE AGREEMENT TMS1002