LEMON Manuals: Even more car manuals for everyone: 1960-2025
Home >> Lexus >> 2007 >> RX 350 AWD >> Repair and Diagnosis >> Electrical >> Body Electrical >> OEM System Circuits >> LEXUS Navigation System and LEXUS Parking Assist >> Notes
April 5, 2026: LEMON Manuals is launched! Read the announcement.

LEXUS Navigation System and LEXUS Parking Assist: Notes

Fig 1: Lexus Navigation System And Lexus Parking Assist - Wiring Diagram (1 Of 5)
G08922075Courtesy of © TOYOTA, LICENSE AGREEMENT TMS1002
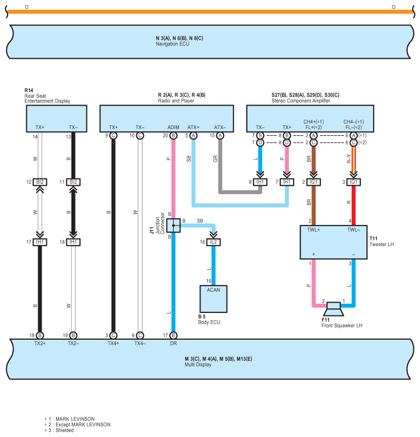
Fig 2: Lexus Navigation System And Lexus Parking Assist - Wiring Diagram (2 Of 5)
G08922076Courtesy of © TOYOTA, LICENSE AGREEMENT TMS1002
Fig 3: Lexus Navigation System And Lexus Parking Assist - Wiring Diagram (3 Of 5)
G08922077Courtesy of © TOYOTA, LICENSE AGREEMENT TMS1002
Fig 4: Lexus Navigation System And Lexus Parking Assist - Wiring Diagram (4 Of 5)
G08922078Courtesy of © TOYOTA, LICENSE AGREEMENT TMS1002
Fig 5: Lexus Navigation System And Lexus Parking Assist - Wiring Diagram (5 Of 5)
G08922079Courtesy of © TOYOTA, LICENSE AGREEMENT TMS1002