LEMON Manuals: Even more car manuals for everyone: 1960-2025
Home >> Lexus >> 2007 >> RX 350 FWD >> Repair and Diagnosis >> Engine Performance >> Engine Control System >> SFI System >> Fuel Pump Control Circuit >> Inspection Procedure
April 5, 2026: LEMON Manuals is launched! Read the announcement.

Inspection Procedure

  1. CHECK FUEL PUMP 
    1. Check if there is pressure in the fuel inlet hose.

      HINT:

      If there is fuel pressure, you will hear the sound of fuel flowing.

    OK: Go to step  12

    NG: Go to Next Step 

  2. PERFORM ACTIVE TEST BY INTELLIGENT TESTER (OPERATE C/OPN RELAY) 
    1. Connect the intelligent tester to the DLC3.
    2. Turn the ignition switch to the ON position and turn the intelligent tester or the OBD II scan tool main switch on.
    3. Enter the following menus: DIAGNOSIS / ENHANCED OBD II / ACTIVE TEST / FUEL PUMP / SPD.
    4. Check the relay operation while operating it using the intelligent tester.

      Standard: 

      Operating noise can be heard from the relay. 

    OK: Go to step  7

    NG: Go to Next Step 

  3. INSPECT CIRCUIT OPENING RELAY 
    1. Remove the C/OPN relay from the R/B.
    2. Measure the resistance of the C/OPN relay.

      Standard resistance 

      TESTER CONNECTION SPECIFIED CONDITION

      Tester Connection Specified Condition
      3 - 5 10 kΩ or higher
      3 - 5 Below 1 Ω (When battery voltage is applied to terminals 1 and 2)

    NG: REPLACE CIRCUIT OPENING RELAY 

    Fig 1: Identifying Circuit Opening Relay Terminals
    G04942983Courtesy of © TOYOTA, LICENSE AGREEMENT TMS1002

    OK: Go to Next Step 

  4. INSPECT ECM (FC VOLTAGE) 
    1. Turn the ignition switch to the ON position.
    2. Measure the voltage of the ECM connectors.

      Standard voltage 

      TESTER CONNECTION SPECIFIED CONDITION

      Tester Connection Specified Condition
      E5-10 (FC) - E7-1 (E1) 9 to 14 V

    OK: REPLACE ECM 

    Fig 2: Identifying ECM Connector Terminals
    G05268243Courtesy of © TOYOTA, LICENSE AGREEMENT TMS1002

    NG: Go to Next Step 

  5. CHECK HARNESS AND CONNECTOR (ECM - CIRCUIT OPENING RELAY) 
    1. Disconnect the E5 ECM connector.
    2. Remove the C/OPN relay from the engine room R/B.
    3. Measure the resistance between the terminals.

      Standard resistance: 

      Check for open 

      TESTER CONNECTION SPECIFIED CONDITION

      Tester Connection Specified Condition
      FC (E5-10) - C/OPN terminal (2) Below 1 Ω

      Check for short 

      TESTER CONNECTION SPECIFIED CONDITION

      Tester Connection Specified Condition
      FC (E5-10) or C/OPN terminal (2) - Body ground 10 kΩ or higher
    4. Reconnect the ECM connector.
    5. Reinstall the C/OPN relay.

    NG: REPAIR OR REPLACE HARNESS OR CONNECTOR 

    Fig 3: Identifying ECM And Circuit Opening Relay Connector Terminals
    G05268244Courtesy of © TOYOTA, LICENSE AGREEMENT TMS1002

    OK: Go to Next Step 

  6. CHECK HARNESS AND CONNECTOR (CIRCUIT OPENING RELAY - IGNITION SWITCH) 
    1. Reconnect the I14 ignition switch connector.
    2. Remove the C/OPN relay from the engine room R/B.
    3. Measure the resistance between the terminals.

      Standard resistance: 

      Check for open 

      TESTER CONNECTION SPECIFIED CONDITION

      Tester Connection Specified Condition
      IG2 (I14-6) - C/OPN terminal (1) Below 1 Ω

      Standard resistance: 

      Check for short 

      TESTER CONNECTION SPECIFIED CONDITION

      Tester Connection Specified Condition
      IG2 (I14-6) or C/OPN terminal (1) - Body ground 10 kΩ or higher
    4. Reconnect the ignition switch connector.
    5. Reinstall the C/OPN relay.

    NG: REPAIR OR REPLACE HARNESS OR CONNECTOR 

    Fig 4: Identifying Circuit Opening Relay And Ignition Switch Connector
    G05268245Courtesy of © TOYOTA, LICENSE AGREEMENT TMS1002

    OK: Go to Next Step 

  7. CHECK ECM POWER SOURCE CIRCUIT 

    NG: REPAIR OR REPLACE ECM POWER SOURCE CIRCUIT 

    OK: Go to Next Step 

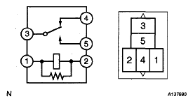
  8. INSPECT FUEL PUMP RELAY 
    1. Remove the fuel pump relay from the engine room R/B.
    2. Measure the fuel pump relay resistance.

      Standard resistance 

      TESTER CONNECTION SPECIFIED CONDITION

      Tester connection Specified Condition
      3 - 4 Below 1 Ω
      3 - 5 10 kΩ or higher
      3 - 4 10 kΩ or higher (When battery voltage is applied to terminals 1 and 2)
      3 - 5 Below 1 Ω (When battery voltage is applied to terminals 1 and 2)
    3. Reinstall the fuel pump relay.

    NG: REPLACE FUEL PUMP RELAY 

    Fig 5: Identifying Fuel Pump Relay Terminals
    G05136045Courtesy of © TOYOTA, LICENSE AGREEMENT TMS1002

    OK: Go to Next Step 

  9. INSPECT FUEL PUMP 
    1. Measure the resistance of the fuel pump.
      1. Measure the resistance between terminals 4 and 5.

        Standard resistance 

        TESTER CONNECTION SPECIFIED CONDITION

        Tester Connection Condition Specified Condition
        4 - 5 20°C (68°F) 0.2 to 0.3 Ω
    2. Check operation of the fuel pump.
      1. Apply battery voltage to both terminals. Check that the pump operates.
        NOTE:
        • These tests must be done quickly (within 10 seconds) to prevent the coil from burning out.
        • Keep the fuel pump as far away from the battery as possible.
        • Always turn ON and OFF the voltage on the battery side, not ON the fuel pump side.

    NG: REPLACE FUEL PUMP ASSEMBLY  (See REMOVAL )

    Fig 6: Identifying Fuel Pump Connector
    G05268247Courtesy of © TOYOTA, LICENSE AGREEMENT TMS1002

    OK: Go to Next Step 

  10. CHECK HARNESS AND CONNECTOR (FUEL PUMP - FUEL PUMP RELAY, FUEL PUMP BODY GROUND) 
    1. Check the wire harness between the FUEL PUMP relay and fuel pump.
      1. Remove the FUEL PUMP relay from the engine room R/B.
      2. Disconnect the F16 fuel pump connector.
      3. Measure the resistance between the terminal of the wire harness side connectors and body ground.

        Standard resistance 

        TESTER CONNECTION SPECIFIED CONDITION

        Tester Connection Specified Condition
        FUEL PUMP relay terminal 4 - F16-4 Below 1 Ω
        FUEL PUMP relay terminal 4 or F16-4 - Body ground 10 kΩ or higher
    2. Check the wire harness between the fuel pump and body ground.
      1. Disconnect the F16 fuel pump connector.
      2. Measure the resistance between the terminal of the wire harness side connector and body ground.

        Standard resistance 

        TESTER CONNECTION SPECIFIED CONDITION

        Tester Connection Specified Condition
        F16-5 (Fuel pump) - Body ground Below 1 Ω

    NG: REPAIR OR REPLACE HARNESS OR CONNECTOR 

    Fig 7: Identifying Fuel Pump And Fuel Pump Relay Connector
    G05268248Courtesy of © TOYOTA, LICENSE AGREEMENT TMS1002

    OK: Go to Next Step 

  11. CHECK HARNESS AND CONNECTOR (CIRCUIT OPENING RELAY - FUEL PUMP RELAY) 
    1. Remove the C/OPN relay from the engine room R/B.
    2. Remove the FUEL PUMP relay from the engine room R/B.
    3. Measure the resistance between the terminals.

      Standard resistance: 

      Check for open 

      TESTER CONNECTION SPECIFIED CONDITION

      Tester Connection Specified Condition
      C/OPN relay terminal (3) - FUEL PUMP relay terminal (3) Below 1 Ω

      Check for short 

      TESTER CONNECTION SPECIFIED CONDITION

      Tester Connection Specified Condition
      C/OPN relay terminal (3) or FUEL PUMP relay terminal (3) - Body ground 10 kΩ or higher

    NG: REPAIR OR REPLACE HARNESS OR CONNECTOR 

    Fig 8: Identifying Circuit Opening Relay And Fuel Pump Relay Connector
    G05268249Courtesy of © TOYOTA, LICENSE AGREEMENT TMS1002

    OK: CHECK HARNESS AND CONNECTOR (EFI RELAY - C/OPN RELAY) 

  12. INSPECT FUEL PUMP RELAY 
    1. Remove the FUEL PUMP relay from the engine room R/B.
    2. Measure the FUEL PUMP relay resistance.

      Standard resistance 

      TESTER CONNECTION SPECIFIED CONDITION

      Tester connection Specified Condition
      3 - 4 Below 1 Ω
      3 - 5 10 kΩ or higher
      3 - 4 10 kΩ or higher (When battery voltage is applied to terminals 1 and 2)
      3 - 5 Below 1 Ω (When battery voltage is applied to terminals 1 and 2)
    3. Reinstall the FUEL PUMP relay.
      Fig 9: Identifying Fuel Pump Relay Terminals
      G05136045Courtesy of © TOYOTA, LICENSE AGREEMENT TMS1002

    NG: REPLACE FUEL PUMP RELAY 

    OK: Go to Next Step 

  13. INSPECT FUEL PUMP RESISTOR 
    1. Disconnect the F17 fuel pump resistor connector.
    2. Measure the fuel pump resistor resistance.

      Standard resistance 

      TESTER CONNECTION SPECIFIED CONDITION

      Tester Connection Condition Specified Condition
      1 - 2 20°C (68°F) 0.30 to 0.34 Ω
    3. Reconnect the fuel pump resistor connector.

    NG: REPLACE FUEL PUMP RESISTOR 

    Fig 10: Inspecting Fuel Pump Resistor
    G04962581Courtesy of © TOYOTA, LICENSE AGREEMENT TMS1002

    OK: Go to Next Step 

  14. CHECK HARNESS AND CONNECTOR (FUEL PUMP RELAY - FUEL PUMP RESISTOR) 
    1. Disconnect the F17 fuel pump resistor connector.
    2. Remove the FUEL PUMP relay from the engine room R/B.
    3. Measure the resistance between the terminals.

      Standard resistance: 

      Check for open 

      TESTER CONNECTION SPECIFIED CONDITION

      Tester Connection Specified Condition
      FUEL PUMP relay terminal (4) -F17-2 Below 1 Ω
      FUEL PUMP relay terminal (5) - F17-1 Below 1 Ω

      Check for short 

      TESTER CONNECTION SPECIFIED CONDITION

      Tester Connection Specified Condition
      FUEL PUMP relay terminal (4) or F17-2 - Body ground 10 kΩ or higher
      FUEL PUMP relay terminal (5) or F17-1 - Body ground 10 kΩ or higher
    4. Reconnect the fuel pump resistor connector.
    5. Reinstall the FUEL PUMP relay.

    NG: REPAIR OR REPLACE HARNESS OR CONNECTOR 

    Fig 11: Identifying Fuel Pump Relay And Fuel Pump Resistor Connector
    G05268252Courtesy of © TOYOTA, LICENSE AGREEMENT TMS1002

    OK: Go to Next Step 

  15. CHECK HARNESS AND CONNECTOR (FUEL PUMP RESISTOR - FUEL PUMP) 
    1. Disconnect the F17 fuel pump resistor connector.
    2. Disconnect the F16 fuel pump connector.
    3. Measure the resistance between the terminals.

      Standard resistance: 

      Check for open 

      TESTER CONNECTION SPECIFIED CONDITION

      Tester Connection Specified Condition
      F17-2 - F16-4 Below 1 Ω

      Check for short 

      TESTER CONNECTION SPECIFIED CONDITION

      Tester Connection Specified Condition
      F17-2 or F16-4 - Body ground 10 kΩ or higher
    4. Reconnect the fuel pump resistor connector.
    5. Reconnect the fuel pump connector.

    NG: REPAIR OR REPLACE HARNESS OR CONNECTOR 

    Fig 12: Identifying Fuel Pump Relay And Fuel Pump Resistor Connector
    G05268253Courtesy of © TOYOTA, LICENSE AGREEMENT TMS1002

    OK: PROCEED TO NEXT CIRCUIT INSPECTION SHOWN IN PROBLEM SYMPTOMS TABLE  (See PROBLEM SYMPTOMS TABLE  )