LEMON Manuals: Even more car manuals for everyone: 1960-2025
Home >> Lexus >> 2007 >> RX 400h FWD >> Repair and Diagnosis >> Electrical >> Body Electrical >> OEM System Circuits >> Headlight Beam Level Control >> Notes
April 5, 2026: LEMON Manuals is launched! Read the announcement.

Headlight Beam Level Control: Notes

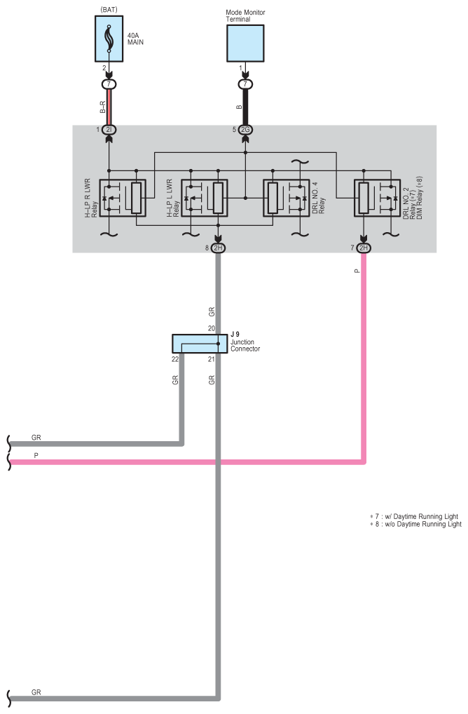
Fig 1: Headlight Beam Level Control - Wiring Diagram (1 Of 3)
G08933019Courtesy of © TOYOTA, LICENSE AGREEMENT TMS1002
Fig 2: Headlight Beam Level Control - Wiring Diagram (2 Of 3)
G08933020Courtesy of © TOYOTA, LICENSE AGREEMENT TMS1002
Fig 3: Headlight Beam Level Control - Wiring Diagram (3 Of 3)
G08933021Courtesy of © TOYOTA, LICENSE AGREEMENT TMS1002