LEMON Manuals: Even more car manuals for everyone: 1960-2025
Home >> Lexus >> 2007 >> SC 430 >> Repair and Diagnosis >> Accessories & Equipment >> Infotainment >> Navigation >> Navigation System >> Multi-display Power Source Circuit >> Wiring Diagram
April 5, 2026: LEMON Manuals is launched! Read the announcement.

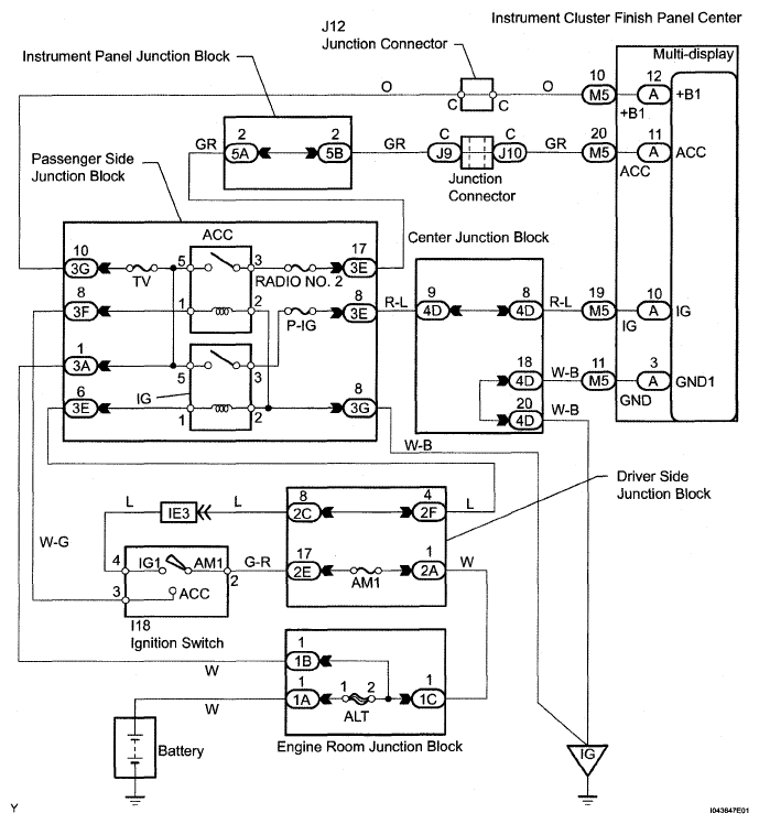
Multi-display Power Source Circuit: Wiring Diagram

Fig 1: Multi-Display Power Source - Wiring Diagram
G05293358Courtesy of © TOYOTA, LICENSE AGREEMENT TMS1002