LEMON Manuals: Even more car manuals for everyone: 1960-2025
Home >> Lexus >> 2007 >> SC 430 >> Repair and Diagnosis >> Electrical >> Body Electrical >> OEM System Circuits >> Automatic Air Conditioning >> Notes
April 5, 2026: LEMON Manuals is launched! Read the announcement.

Automatic Air Conditioning: Notes

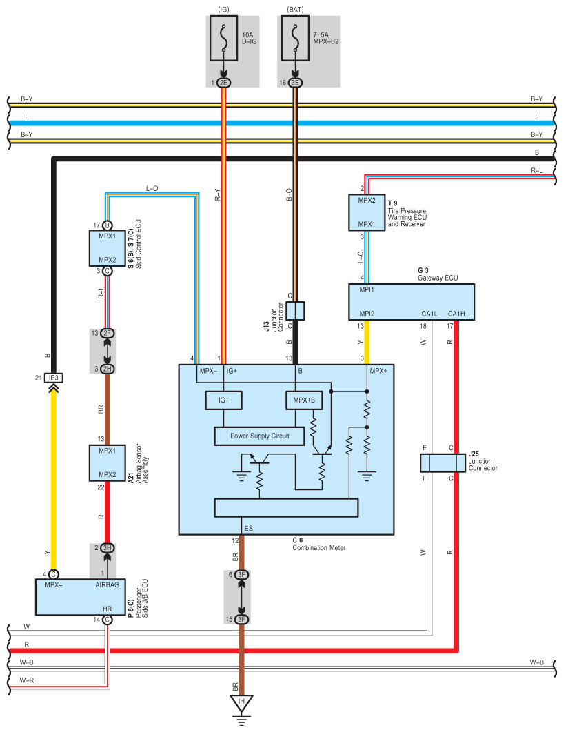
Fig 1: Automatic Air Conditioning - Wiring Diagram (1 Of 5)
G08933927Courtesy of © TOYOTA, LICENSE AGREEMENT TMS1002
Fig 2: Automatic Air Conditioning - Wiring Diagram (2 Of 5)
G08933928Courtesy of © TOYOTA, LICENSE AGREEMENT TMS1002
Fig 3: Automatic Air Conditioning - Wiring Diagram (3 Of 5)
G08933929Courtesy of © TOYOTA, LICENSE AGREEMENT TMS1002
Fig 4: Automatic Air Conditioning - Wiring Diagram (4 Of 5)
G08933930Courtesy of © TOYOTA, LICENSE AGREEMENT TMS1002
Fig 5: Automatic Air Conditioning - Wiring Diagram (5 Of 5)
G08933931Courtesy of © TOYOTA, LICENSE AGREEMENT TMS1002