LEMON Manuals: Even more car manuals for everyone: 1960-2025
Home >> Lexus >> 2008 >> ES 350 >> Repair and Diagnosis >> Electrical >> Body Electrical >> OEM System Circuits >> Engine Control >> Notes
April 5, 2026: LEMON Manuals is launched! Read the announcement.

Engine Control: Notes

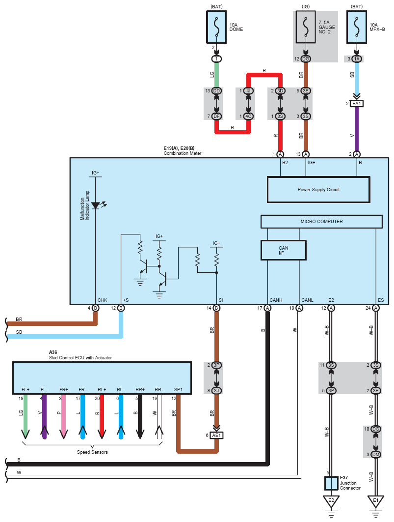
Fig 1: Engine Control - Circuit Diagram (1 Of 13)
G07619115Courtesy of © TOYOTA, LICENSE AGREEMENT TMS1002
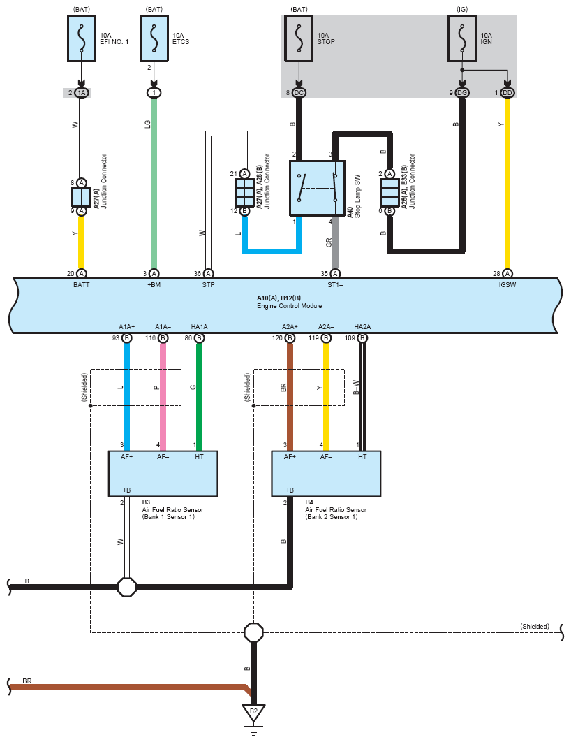
Fig 2: Engine Control - Circuit Diagram (2 Of 13)
G07619116Courtesy of © TOYOTA, LICENSE AGREEMENT TMS1002
Fig 3: Engine Control - Circuit Diagram (3 Of 13)
G07619117Courtesy of © TOYOTA, LICENSE AGREEMENT TMS1002
Fig 4: Engine Control - Circuit Diagram (4 Of 13)
G07619118Courtesy of © TOYOTA, LICENSE AGREEMENT TMS1002
Fig 5: Engine Control - Circuit Diagram (5 Of 13)
G07619119Courtesy of © TOYOTA, LICENSE AGREEMENT TMS1002
Fig 6: Engine Control - Circuit Diagram (6 Of 13)
G07619120Courtesy of © TOYOTA, LICENSE AGREEMENT TMS1002
Fig 7: Engine Control - Circuit Diagram (7 Of 13)
G07619121Courtesy of © TOYOTA, LICENSE AGREEMENT TMS1002
Fig 8: Engine Control - Circuit Diagram (8 Of 13)
G07619122Courtesy of © TOYOTA, LICENSE AGREEMENT TMS1002
Fig 9: Engine Control - Circuit Diagram (9 Of 13)
G07619123Courtesy of © TOYOTA, LICENSE AGREEMENT TMS1002
Fig 10: Engine Control - Circuit Diagram (10 Of 13)
G07619124Courtesy of © TOYOTA, LICENSE AGREEMENT TMS1002
Fig 11: Engine Control - Circuit Diagram (11 Of 13)
G07619125Courtesy of © TOYOTA, LICENSE AGREEMENT TMS1002
Fig 12: Engine Control - Circuit Diagram (12 Of 13)
G07619126Courtesy of © TOYOTA, LICENSE AGREEMENT TMS1002
Fig 13: Engine Control - Circuit Diagram (13 Of 13)
G07619127Courtesy of © TOYOTA, LICENSE AGREEMENT TMS1002