LEMON Manuals: Even more car manuals for everyone: 1960-2025
Home >> Lexus >> 2008 >> ES 350 >> Repair and Diagnosis >> Electrical >> Body Electrical >> OEM System Circuits >> Taillight >> Notes
April 5, 2026: LEMON Manuals is launched! Read the announcement.

OEM System Circuits: Taillight: Notes

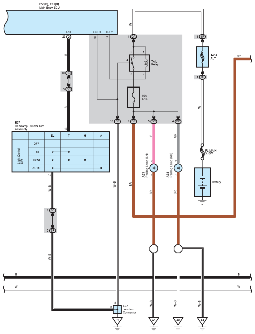
Fig 1: Taillight - Circuit Diagram (1 Of 4)
G07619149Courtesy of © TOYOTA, LICENSE AGREEMENT TMS1002
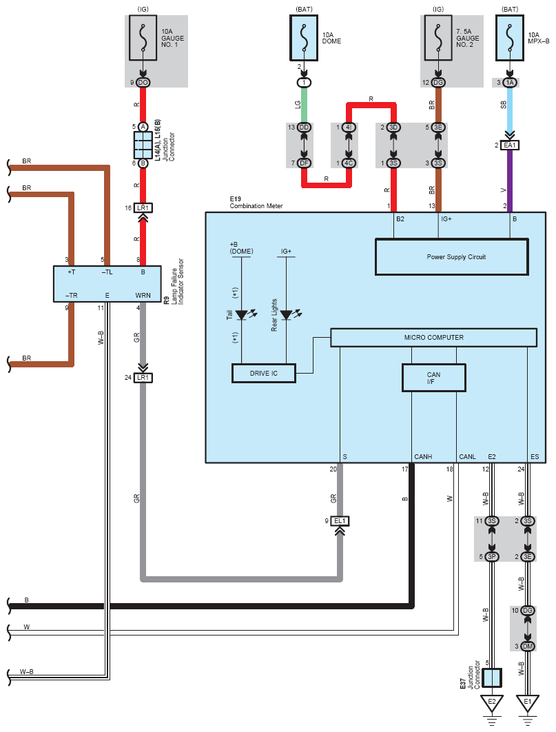
Fig 2: Taillight - Circuit Diagram (2 Of 4)
G07619150Courtesy of © TOYOTA, LICENSE AGREEMENT TMS1002
Fig 3: Taillight - Circuit Diagram (3 Of 4)
G07619151Courtesy of © TOYOTA, LICENSE AGREEMENT TMS1002
Fig 4: Taillight - Circuit Diagram (4 Of 4)
G07619152Courtesy of © TOYOTA, LICENSE AGREEMENT TMS1002