LEMON Manuals: Even more car manuals for everyone: 1960-2025
Home >> Lexus >> 2008 >> IS 250 AWD >> Repair and Diagnosis >> Engine Performance >> System >> Engine Control System (4GR-FSE) - SFI System Diagnostic Introduction >> SFI System >> System Diagram
April 5, 2026: LEMON Manuals is launched! Read the announcement.

System Diagram

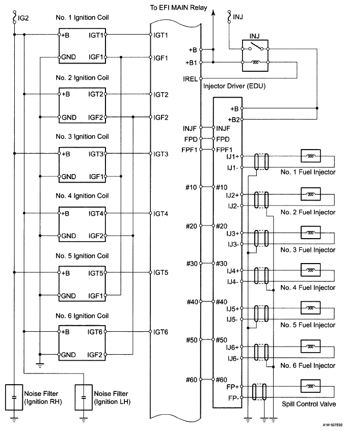
Fig 1: SFI - System Diagram (1 Of 5)
G05822914Courtesy of © TOYOTA, LICENSE AGREEMENT TMS1002
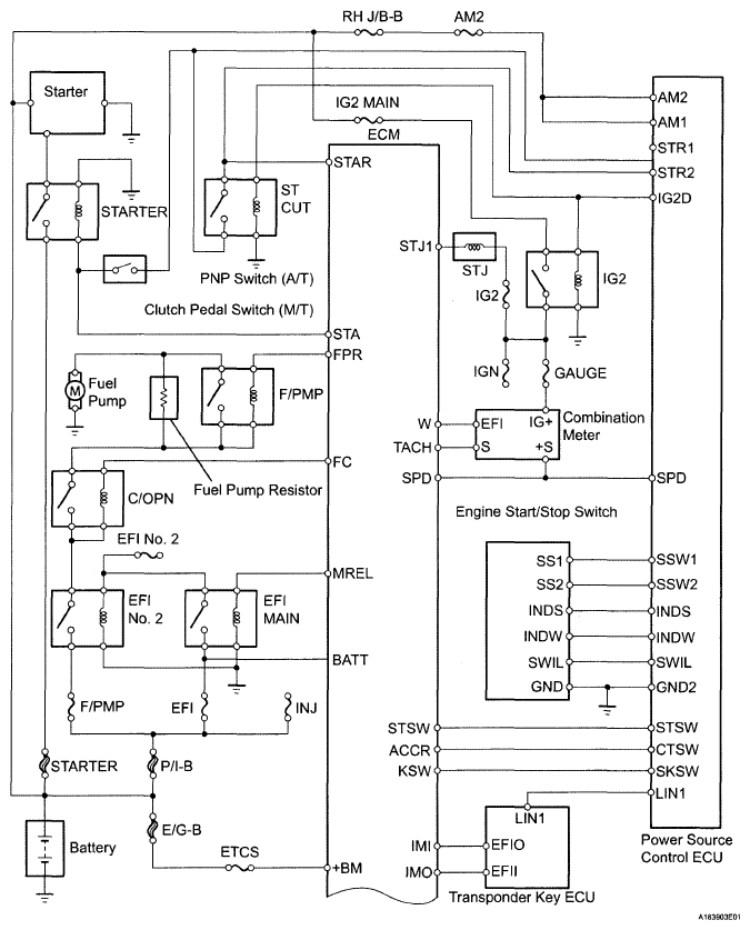
Fig 2: SFI - System Diagram (2 Of 5)
G05822915Courtesy of © TOYOTA, LICENSE AGREEMENT TMS1002
Fig 3: SFI - System Diagram (3 Of 5)
G05822916Courtesy of © TOYOTA, LICENSE AGREEMENT TMS1002
Fig 4: SFI - System Diagram (4 Of 5)
G05822917Courtesy of © TOYOTA, LICENSE AGREEMENT TMS1002
Fig 5: SFI - System Diagram (5 Of 5)
G05822918Courtesy of © TOYOTA, LICENSE AGREEMENT TMS1002