LEMON Manuals: Even more car manuals for everyone: 1960-2025
Home >> Lexus >> 2008 >> IS 250 AWD >> Repair and Diagnosis >> External Pages >> Different car >> Section 45 (Navigation) >> Navigation System >> DTC 01-DF Master Error >> Inspection Procedure
April 5, 2026: LEMON Manuals is launched! Read the announcement.

Inspection Procedure

WARNING: This page is about a different car, the 2008 Lexus IS F. However, it is still accessible from the selected car via links, so may be relevant.
NOTE: Be sure to read Description before performing the following procedures.
  1. CHECK MULTI-DISPLAY POWER SOURCE CIRCUIT 

    Refer to MULTI-DISPLAY POWER SOURCE CIRCUIT 

    If the power source circuit is operating normally, proceed to the next step

  2. INSPECT RADIO RECEIVER 
    1. Disconnect the radio receiver connectors
    2. Measure the resistance according to the value(s) in the table below

      Standard Resistance 

      TESTER CONNECTION SPECIFIED CONDITION

      Tester Connection Condition Specified Condition
      J66-5 (ATX+) - J66-15 (ATX-) Always 60 to 80 Ω
      J63-9 (TX+) - J63-10 (TX-) Always 60 to 80 Ω
    3. Fig 1: Identifying Connector Terminals Of Radio Receiver
      G05753593Courtesy of © TOYOTA, LICENSE AGREEMENT TMS1002

    NG: REPLACE RADIO RECEIVER  (See REMOVAL )

    OK: Go to Next Step 

  3. IDENTIFY THE COMPONENT WHICH HAS STORED THIS CODE 
    1. Enter the diagnostic mode
    2. Press the "LAN Mon" switch to change to "LAN Monitor" mode
    3. Identify the component which has stored this code.

      Component Table 

      COMPONENT REFERENCE

      Display Component
      AUDIO H/U Radio receiver
      DSP-AMP Stereo component amplifier
      G/W Gateway ECU
      NAVI Navigation ECU

      HINT.

      "NAVI" is the component which has stored this code in the example shown in the illustration.

      Fig 2: Diagnosis Display - Lan Monitor Screen
      G05753600Courtesy of © TOYOTA, LICENSE AGREEMENT TMS1002
  4. CHECK HARNESS AND CONNECTOR (MULTI-DISPLAY - COMPONENT WHICH HAS STORED THIS CODE) 

    HINT.

    For details of the connectors, refer to TERMINALS OF ECU 

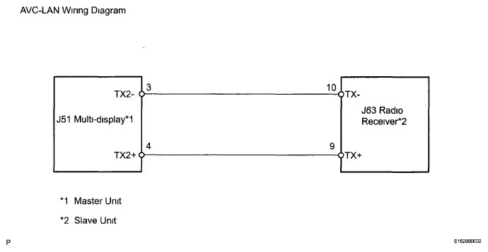
    1. Referring to AVC-LAN Wiring Diagram below, check the AVC-LAN circuit between the multi-display and the component which has stored this code.
      1. Disconnect all connectors between the multi-display and the component which has stored this code.
      2. Check for an open or short in the AVC-LAN circuit between the multi-display and the component which has stored this code.

        OK: There are no open or short circuits. 

        Fig 3: AVC-LAN - Wiring Diagram
        G05753594Courtesy of © TOYOTA, LICENSE AGREEMENT TMS1002

    NG: REPAIR OR REPLACE HARNESS OR CONNECTOR 

    OK: Go to Next Step 

  5. CHECK HARNESS AND CONNECTOR (MULTI-DISPLAY - RADIO RECEIVER) 

    HINT:

    For details of the connectors, refer to TERMINALS OF ECU  .

    1. Referring to AVC-LAN Wiring Diagram below, check the AVC-LAN circuit between the multi-display and the radio receiver
      1. Disconnect all connectors between the multi-display and the radio receiver
      2. Check for an open or short in the AVC-LAN circuit between the multi-display and the radio receiver

        OK: There are no open or short circuits. 

        Fig 4: AVC-LAN - Wiring Diagram
        G05753602Courtesy of © TOYOTA, LICENSE AGREEMENT TMS1002

    NG: REPAIR OR REPLACE HARNESS OR CONNECTOR 

    OK: Go to Next Step 

  6. REPLACE MULTI-DISPLAY 
    1. Replace the multi-display with a known good one and check if the same problem occurs again

      OK: Same problem does not occur. 

    NG: REPLACE COMPONENT WHICH HAS STORED THIS CODE 

    OK: END