LEMON Manuals: Even more car manuals for everyone: 1960-2025
Home >> Lexus >> 2008 >> IS 350 >> Repair and Diagnosis >> Electrical >> Body Electrical >> OEM System Circuits >> Engine Control for 2GR-FSE >> Notes
April 5, 2026: LEMON Manuals is launched! Read the announcement.

Engine Control for 2GR-FSE: Notes

Fig 1: Engine Control For 2GR-FSE - Circuit Diagram (1 Of 16)
G07591624Courtesy of © TOYOTA, LICENSE AGREEMENT TMS1002
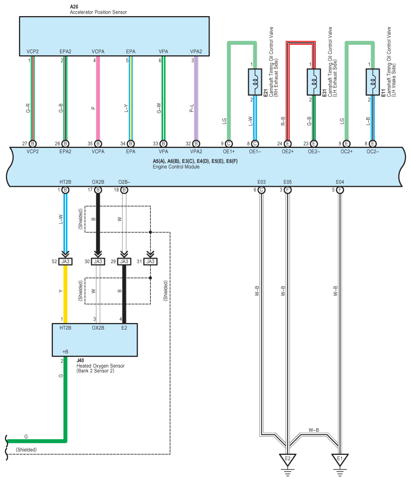
Fig 2: Engine Control For 2GR-FSE - Circuit Diagram (2 Of 16)
G07591625Courtesy of © TOYOTA, LICENSE AGREEMENT TMS1002
Fig 3: Engine Control For 2GR-FSE - Circuit Diagram (3 Of 16)
G07591626Courtesy of © TOYOTA, LICENSE AGREEMENT TMS1002
Fig 4: Engine Control For 2GR-FSE - Circuit Diagram (4 Of 16)
G07591627Courtesy of © TOYOTA, LICENSE AGREEMENT TMS1002
Fig 5: Engine Control For 2GR-FSE - Circuit Diagram (5 Of 16)
G07591628Courtesy of © TOYOTA, LICENSE AGREEMENT TMS1002
Fig 6: Engine Control For 2GR-FSE - Circuit Diagram (6 Of 16)
G07591629Courtesy of © TOYOTA, LICENSE AGREEMENT TMS1002
Fig 7: Engine Control For 2GR-FSE - Circuit Diagram (7 Of 16)
G07591630Courtesy of © TOYOTA, LICENSE AGREEMENT TMS1002
Fig 8: Engine Control For 2GR-FSE - Circuit Diagram (8 Of 16)
G07591631Courtesy of © TOYOTA, LICENSE AGREEMENT TMS1002
Fig 9: Engine Control For 2GR-FSE - Circuit Diagram (9 Of 16)
G07591632Courtesy of © TOYOTA, LICENSE AGREEMENT TMS1002
Fig 10: Engine Control For 2GR-FSE - Circuit Diagram (10 Of 16)
G07591633Courtesy of © TOYOTA, LICENSE AGREEMENT TMS1002
Fig 11: Engine Control For 2GR-FSE - Circuit Diagram (11 Of 16)
G07591634Courtesy of © TOYOTA, LICENSE AGREEMENT TMS1002
Fig 12: Engine Control For 2GR-FSE - Circuit Diagram (12 Of 16)
G07591635Courtesy of © TOYOTA, LICENSE AGREEMENT TMS1002
Fig 13: Engine Control For 2GR-FSE - Circuit Diagram (13 Of 16)
G07591636Courtesy of © TOYOTA, LICENSE AGREEMENT TMS1002
Fig 14: Engine Control For 2GR-FSE - Circuit Diagram (14 Of 16)
G07591637Courtesy of © TOYOTA, LICENSE AGREEMENT TMS1002
Fig 15: Engine Control For 2GR-FSE - Circuit Diagram (15 Of 16)
G07591638Courtesy of © TOYOTA, LICENSE AGREEMENT TMS1002
Fig 16: Engine Control For 2GR-FSE - Circuit Diagram (16 Of 16)
G07591639Courtesy of © TOYOTA, LICENSE AGREEMENT TMS1002