LEMON Manuals: Even more car manuals for everyone: 1960-2025
Home >> Lexus >> 2008 >> IS F >> Repair and Diagnosis >> Electrical >> Body Electrical >> OEM System Circuits >> EPS >> Notes
April 5, 2026: LEMON Manuals is launched! Read the announcement.

OEM System Circuits: EPS: Notes

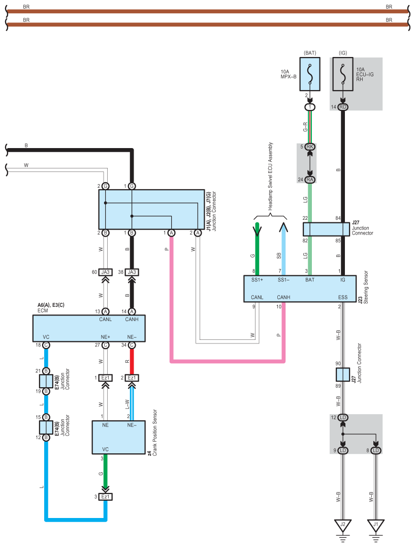
Fig 1: EPS - Circuit Diagram (1 Of 4)
G07592369Courtesy of © TOYOTA, LICENSE AGREEMENT TMS1002
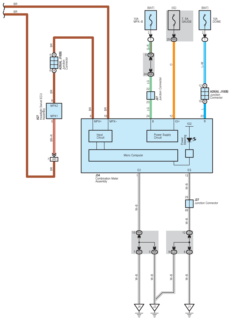
Fig 2: EPS - Circuit Diagram (2 Of 4)
G07592370Courtesy of © TOYOTA, LICENSE AGREEMENT TMS1002
Fig 3: EPS - Circuit Diagram (3 Of 4)
G07592371Courtesy of © TOYOTA, LICENSE AGREEMENT TMS1002
Fig 4: EPS - Circuit Diagram (4 Of 4)
G07592372Courtesy of © TOYOTA, LICENSE AGREEMENT TMS1002