LEMON Manuals: Even more car manuals for everyone: 1960-2025
Home >> Lexus >> 2008 >> IS F >> Repair and Diagnosis >> Engine Performance >> Engine Control Systems >> Engine Control System - System & Component Testing, R & I >> Ignition System >> System Diagram
April 5, 2026: LEMON Manuals is launched! Read the announcement.

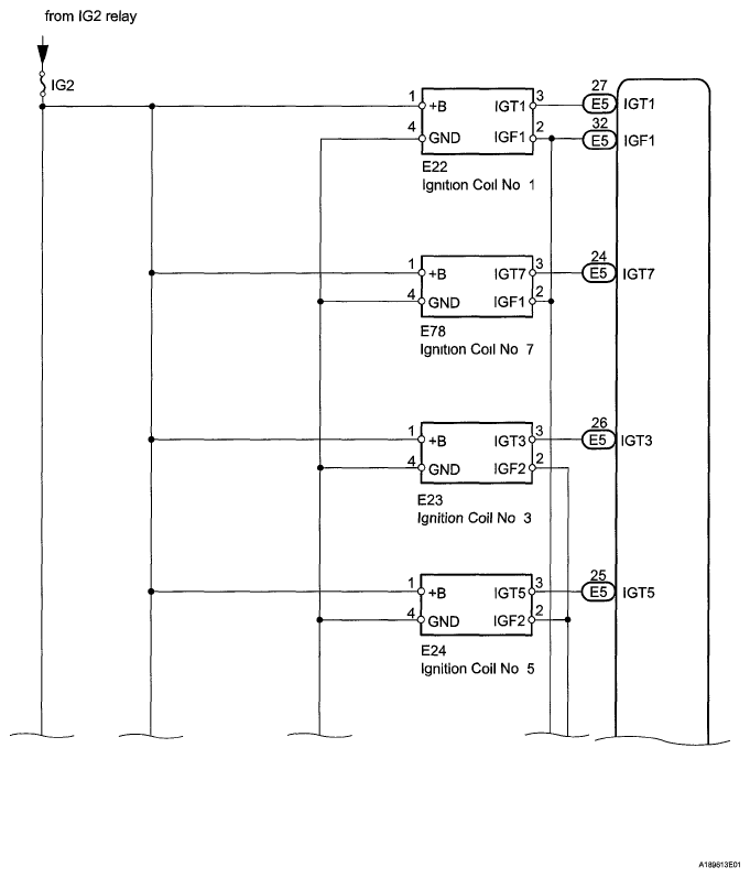
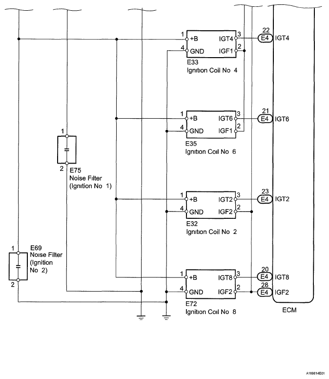
System Diagram

Fig 1: Ignition System Diagram (1 Of 2)
G05751845Courtesy of © TOYOTA, LICENSE AGREEMENT TMS1002
Fig 2: Ignition System Diagram (2 Of 2)
G05751846Courtesy of © TOYOTA, LICENSE AGREEMENT TMS1002