LEMON Manuals: Even more car manuals for everyone: 1960-2025
Home >> Lexus >> 2008 >> LS 460L >> Repair and Diagnosis >> Brakes >> Traction Control >> Brake Control >> Brake Actuator >> Components
April 5, 2026: LEMON Manuals is launched! Read the announcement.

Brake Actuator: Components

Fig 1: Identifying Brake Actuator Components (1 Of 5)
G04949852Courtesy of © TOYOTA, LICENSE AGREEMENT TMS1002
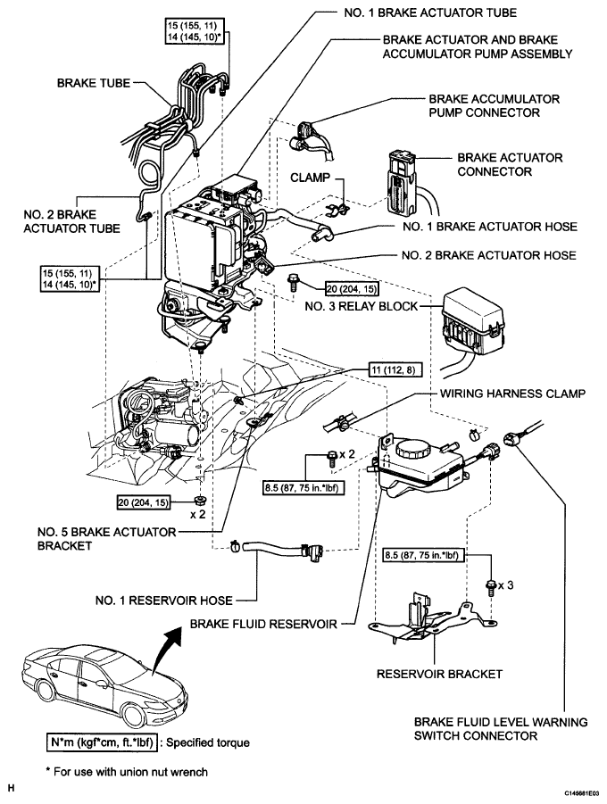
Fig 2: Brake Actuator Replacement Components With Torque Specifications (2 Of 5)
G04949853Courtesy of © TOYOTA, LICENSE AGREEMENT TMS1002
Fig 3: Brake Actuator Replacement Components With Torque Specifications (3 Of 5)
G05848309Courtesy of © TOYOTA, LICENSE AGREEMENT TMS1002
Fig 4: Brake Actuator Replacement Components With Torque Specifications (4 Of 5)
G05848310Courtesy of © TOYOTA, LICENSE AGREEMENT TMS1002
Fig 5: Brake Actuator Replacement Components With Torque Specifications (5 Of 5)
G05848311Courtesy of © TOYOTA, LICENSE AGREEMENT TMS1002