LEMON Manuals: Even more car manuals for everyone: 1960-2025
Home >> Lexus >> 2008 >> LS 460L >> Repair and Diagnosis >> Engine Mechanical >> Mechanical >> Intake >> Intake System >> System Diagram
April 5, 2026: LEMON Manuals is launched! Read the announcement.

System Diagram

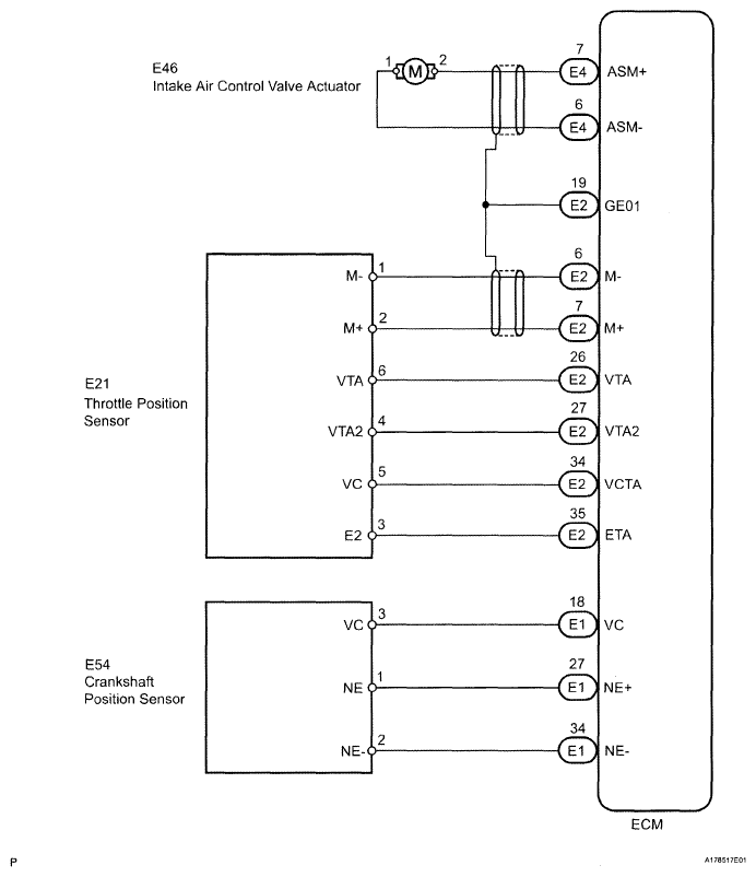
Fig 1: Intake System Diagram (1 Of 2)
G04948126Courtesy of © TOYOTA, LICENSE AGREEMENT TMS1002
Fig 2: Intake System Diagram (2 Of 2)
G05854248Courtesy of © TOYOTA, LICENSE AGREEMENT TMS1002