LEMON Manuals: Even more car manuals for everyone: 1960-2025
Home >> Lexus >> 2008 >> LS 460L >> Repair and Diagnosis >> Engine Performance >> System >> Engine Control System - System & Circuit Troubleshooting, Component Inspection And R & I >> VC Output Circuit >> Wiring Diagram
April 5, 2026: LEMON Manuals is launched! Read the announcement.

VC Output Circuit: Wiring Diagram

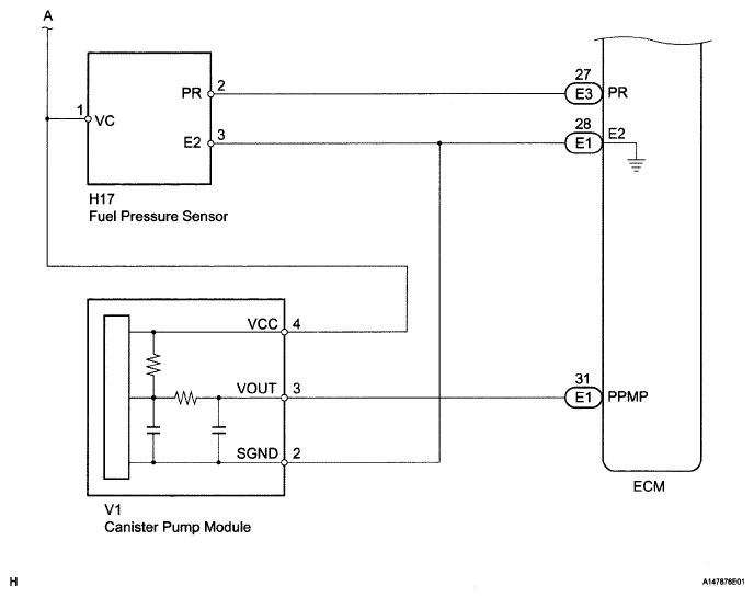
Fig 1: VC Output - Wiring Diagram (1 Of 3)
G05853804Courtesy of © TOYOTA, LICENSE AGREEMENT TMS1002
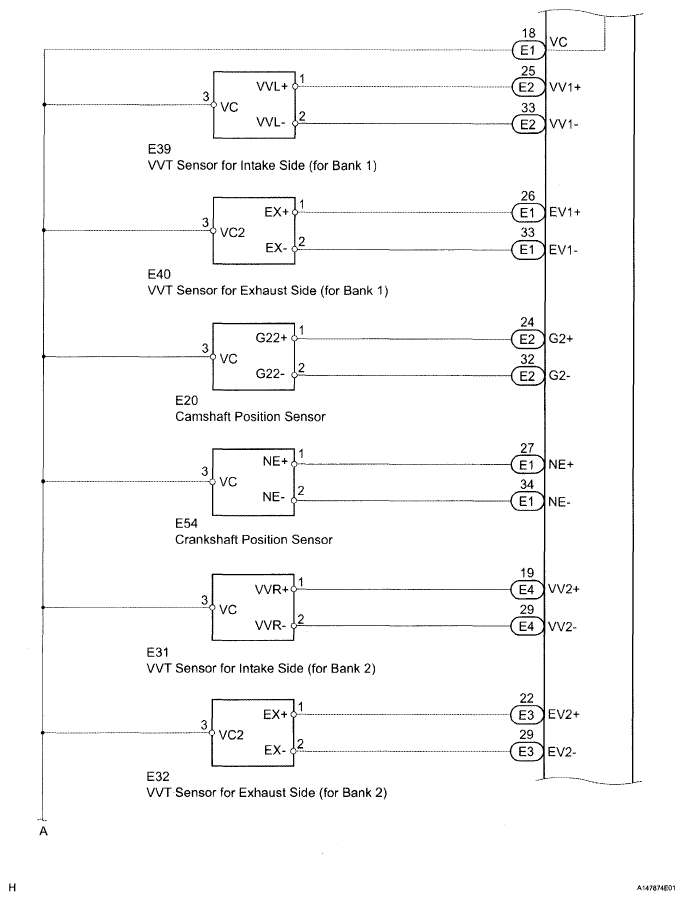
Fig 2: VC Output - Wiring Diagram (2 Of 3)
G05853805Courtesy of © TOYOTA, LICENSE AGREEMENT TMS1002
Fig 3: VC Output - Wiring Diagram (3 Of 3)
G05853806Courtesy of © TOYOTA, LICENSE AGREEMENT TMS1002