LEMON Manuals: Even more car manuals for everyone: 1960-2025
Home >> Lexus >> 2008 >> LS 600hL >> Repair and Diagnosis >> Electrical >> Body Electrical >> OEM System Circuits >> Audio System with SDARS >> Notes
April 5, 2026: LEMON Manuals is launched! Read the announcement.

Audio System with SDARS: Notes

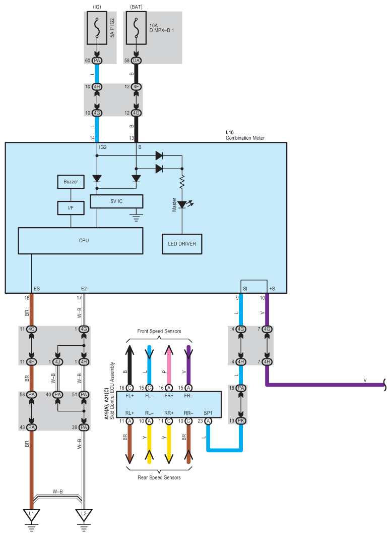
Fig 1: Audio System With SDARS - Circuit Diagram (1 Of 17)
G07593157Courtesy of © TOYOTA, LICENSE AGREEMENT TMS1002
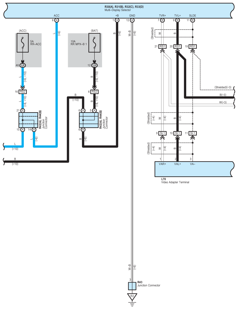
Fig 2: Audio System With SDARS - Circuit Diagram (2 Of 17)
G07593158Courtesy of © TOYOTA, LICENSE AGREEMENT TMS1002
Fig 3: Audio System With SDARS - Circuit Diagram (3 Of 17)
G07593159Courtesy of © TOYOTA, LICENSE AGREEMENT TMS1002
Fig 4: Audio System With SDARS - Circuit Diagram (4 Of 17)
G07593160Courtesy of © TOYOTA, LICENSE AGREEMENT TMS1002
Fig 5: Audio System With SDARS - Circuit Diagram (5 Of 17)
G07593161Courtesy of © TOYOTA, LICENSE AGREEMENT TMS1002
Fig 6: Audio System With SDARS - Circuit Diagram (6 Of 17)
G07593162Courtesy of © TOYOTA, LICENSE AGREEMENT TMS1002
Fig 7: Audio System With SDARS - Circuit Diagram (7 Of 17)
G07593163Courtesy of © TOYOTA, LICENSE AGREEMENT TMS1002
Fig 8: Audio System With SDARS - Circuit Diagram (8 Of 17)
G07593164Courtesy of © TOYOTA, LICENSE AGREEMENT TMS1002
Fig 9: Audio System With SDARS - Circuit Diagram (9 Of 17)
G07593165Courtesy of © TOYOTA, LICENSE AGREEMENT TMS1002
Fig 10: Audio System With SDARS - Circuit Diagram (10 Of 17)
G07593166Courtesy of © TOYOTA, LICENSE AGREEMENT TMS1002
Fig 11: Audio System With SDARS - Circuit Diagram (11 Of 17)
G07593167Courtesy of © TOYOTA, LICENSE AGREEMENT TMS1002
Fig 12: Audio System With SDARS - Circuit Diagram (12 Of 17)
G07593168Courtesy of © TOYOTA, LICENSE AGREEMENT TMS1002
Fig 13: Audio System With SDARS - Circuit Diagram (13 Of 17)
G07593169Courtesy of © TOYOTA, LICENSE AGREEMENT TMS1002
Fig 14: Audio System With SDARS - Circuit Diagram (14 Of 17)
G07593170Courtesy of © TOYOTA, LICENSE AGREEMENT TMS1002
Fig 15: Audio System With SDARS - Circuit Diagram (15 Of 17)
G07593171Courtesy of © TOYOTA, LICENSE AGREEMENT TMS1002
Fig 16: Audio System With SDARS - Circuit Diagram (16 Of 17)
G07593172Courtesy of © TOYOTA, LICENSE AGREEMENT TMS1002
Fig 17: Audio System With SDARS - Circuit Diagram (17 Of 17)
G07593173Courtesy of © TOYOTA, LICENSE AGREEMENT TMS1002


Fig 1: Audio System Without SDARS - Circuit Diagram (1 Of 18)
G07593174Courtesy of © TOYOTA, LICENSE AGREEMENT TMS1002
Fig 2: Audio System Without SDARS - Circuit Diagram (2 Of 18)
G07593175Courtesy of © TOYOTA, LICENSE AGREEMENT TMS1002
Fig 3: Audio System Without SDARS - Circuit Diagram (3 Of 18)
G07593176Courtesy of © TOYOTA, LICENSE AGREEMENT TMS1002
Fig 4: Audio System Without SDARS - Circuit Diagram (4 Of 18)
G07593177Courtesy of © TOYOTA, LICENSE AGREEMENT TMS1002
Fig 5: Audio System Without SDARS - Circuit Diagram (5 Of 18)
G07593178Courtesy of © TOYOTA, LICENSE AGREEMENT TMS1002
Fig 6: Audio System Without SDARS - Circuit Diagram (6 Of 18)
G07593179Courtesy of © TOYOTA, LICENSE AGREEMENT TMS1002
Fig 7: Audio System Without SDARS - Circuit Diagram (7 Of 18)
G07593180Courtesy of © TOYOTA, LICENSE AGREEMENT TMS1002
Fig 8: Audio System Without SDARS - Circuit Diagram (8 Of 18)
G07593181Courtesy of © TOYOTA, LICENSE AGREEMENT TMS1002
Fig 9: Audio System Without SDARS - Circuit Diagram (9 Of 18)
G07593182Courtesy of © TOYOTA, LICENSE AGREEMENT TMS1002
Fig 10: Audio System Without SDARS - Circuit Diagram (10 Of 18)
G07593183Courtesy of © TOYOTA, LICENSE AGREEMENT TMS1002
Fig 11: Audio System Without SDARS - Circuit Diagram (11 Of 18)
G07593184Courtesy of © TOYOTA, LICENSE AGREEMENT TMS1002
Fig 12: Audio System Without SDARS - Circuit Diagram (12 Of 18)
G07593185Courtesy of © TOYOTA, LICENSE AGREEMENT TMS1002
Fig 13: Audio System Without SDARS - Circuit Diagram (13 Of 18)
G07593186Courtesy of © TOYOTA, LICENSE AGREEMENT TMS1002
Fig 14: Audio System Without SDARS - Circuit Diagram (14 Of 18)
G07593187Courtesy of © TOYOTA, LICENSE AGREEMENT TMS1002
Fig 15: Audio System Without SDARS - Circuit Diagram (15 Of 18)
G07593188Courtesy of © TOYOTA, LICENSE AGREEMENT TMS1002
Fig 16: Audio System Without SDARS - Circuit Diagram (16 Of 18)
G07593189Courtesy of © TOYOTA, LICENSE AGREEMENT TMS1002
Fig 17: Audio System Without SDARS - Circuit Diagram (17 Of 18)
G07593190Courtesy of © TOYOTA, LICENSE AGREEMENT TMS1002
Fig 18: Audio System Without SDARS - Circuit Diagram (18 Of 18)
G07593191Courtesy of © TOYOTA, LICENSE AGREEMENT TMS1002