LEMON Manuals: Even more car manuals for everyone: 1960-2025
Home >> Lexus >> 2008 >> SC 430 >> Repair and Diagnosis >> Electrical >> Body Electrical >> OEM System Circuits >> Multiplex Communication System - Junction Block ECU >> Notes
April 5, 2026: LEMON Manuals is launched! Read the announcement.

Multiplex Communication System - Junction Block ECU: Notes

Fig 1: Multiplex Communication System (J/B ECU) - Circuit Diagram (1 Of 20)
G07611945Courtesy of © TOYOTA, LICENSE AGREEMENT TMS1002
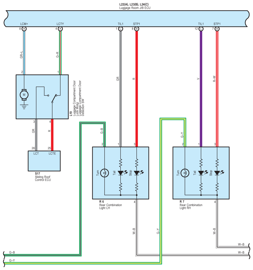
Fig 2: Multiplex Communication System (J/B ECU) - Circuit Diagram (2 Of 20)
G07611946Courtesy of © TOYOTA, LICENSE AGREEMENT TMS1002
Fig 3: Multiplex Communication System (J/B ECU) - Circuit Diagram (3 Of 20)
G07611947Courtesy of © TOYOTA, LICENSE AGREEMENT TMS1002
Fig 4: Multiplex Communication System (J/B ECU) - Circuit Diagram (4 Of 20)
G07611948Courtesy of © TOYOTA, LICENSE AGREEMENT TMS1002
Fig 5: Multiplex Communication System (J/B ECU) - Circuit Diagram (5 Of 20)
G07611949Courtesy of © TOYOTA, LICENSE AGREEMENT TMS1002
Fig 6: Multiplex Communication System (J/B ECU) - Circuit Diagram (6 Of 20)
G07611950Courtesy of © TOYOTA, LICENSE AGREEMENT TMS1002
Fig 7: Multiplex Communication System (J/B ECU) - Circuit Diagram (7 Of 20)
G07611951Courtesy of © TOYOTA, LICENSE AGREEMENT TMS1002
Fig 8: Multiplex Communication System (J/B ECU) - Circuit Diagram (8 Of 20)
G07611952Courtesy of © TOYOTA, LICENSE AGREEMENT TMS1002
Fig 9: Multiplex Communication System (J/B ECU) - Circuit Diagram (9 Of 20)
G07611953Courtesy of © TOYOTA, LICENSE AGREEMENT TMS1002
Fig 10: Multiplex Communication System (J/B ECU) - Circuit Diagram (10 Of 20)
G07611954Courtesy of © TOYOTA, LICENSE AGREEMENT TMS1002
Fig 11: Multiplex Communication System (J/B ECU) - Circuit Diagram (11 Of 20)
G07611955Courtesy of © TOYOTA, LICENSE AGREEMENT TMS1002
Fig 12: Multiplex Communication System (J/B ECU) - Circuit Diagram (12 Of 20)
G07611956Courtesy of © TOYOTA, LICENSE AGREEMENT TMS1002
Fig 13: Multiplex Communication System (J/B ECU) - Circuit Diagram (13 Of 20)
G07611957Courtesy of © TOYOTA, LICENSE AGREEMENT TMS1002
Fig 14: Multiplex Communication System (J/B ECU) - Circuit Diagram (14 Of 20)
G07611958Courtesy of © TOYOTA, LICENSE AGREEMENT TMS1002
Fig 15: Multiplex Communication System (J/B ECU) - Circuit Diagram (15 Of 20)
G07611959Courtesy of © TOYOTA, LICENSE AGREEMENT TMS1002
Fig 16: Multiplex Communication System (J/B ECU) - Circuit Diagram (16 Of 20)
G07611960Courtesy of © TOYOTA, LICENSE AGREEMENT TMS1002
Fig 17: Multiplex Communication System (J/B ECU) - Circuit Diagram (17 Of 20)
G07611961Courtesy of © TOYOTA, LICENSE AGREEMENT TMS1002
Fig 18: Multiplex Communication System (J/B ECU) - Circuit Diagram (18 Of 20)
G07611962Courtesy of © TOYOTA, LICENSE AGREEMENT TMS1002
Fig 19: Multiplex Communication System (J/B ECU) - Circuit Diagram (19 Of 20)
G07611963Courtesy of © TOYOTA, LICENSE AGREEMENT TMS1002
Fig 20: Multiplex Communication System (J/B ECU) - Circuit Diagram (20 Of 20)
G07611964Courtesy of © TOYOTA, LICENSE AGREEMENT TMS1002