LEMON Manuals: Even more car manuals for everyone: 1960-2025
Home >> Lexus >> 2009 >> ES 350 >> Repair and Diagnosis (Single Page) >> Engine Performance >> System >> Engine Control (SFI) System (Diagnostic Codes & Circuit Tests) >> SFI System >> ECM Power Source Circuit >> Procedure
April 5, 2026: LEMON Manuals is launched! Read the announcement.

ECM Power Source Circuit: Procedure

  1. CHECK HARNESS AND CONNECTOR (ECM - BODY GROUND) 
    1. Disconnect the B12 ECM connector.
      Fig 1: Identifying B12 ECM Connector Terminals
      GTY146989Courtesy of © TOYOTA, LICENSE AGREEMENT TMS1002
    2. Measure the resistance according to the value(s) in the table below.

      Standard resistance

      Tester Connection Specified Condition
      E1 (B12-81) - Body ground Below 1 Ω
    3. Reconnect the ECM connector.

    NG → REPAIR OR REPLACE HARNESS OR CONNECTOR 

    OK: Go to next step 

  2. CHECK ENGINE ROOM JUNCTION BLOCK (EFI RELAY VOLTAGE) 
    1. Remove the engine room junction block from the engine room R/B.
      Fig 2: Identifying Engine Room Junction Block From Engine Room R/B
      GTY147173Courtesy of © TOYOTA, LICENSE AGREEMENT TMS1002
    2. Turn the engine switch on (IG).
    3. Measure the voltage according to the value(s) in the table below.

      Standard voltage

      Tester Connection Specified Condition
      1E-6 - Body ground 9 to 14 V

    OK → See step   5 

    NG: Go to next step 

  3. INSPECT EFI MAIN FUSE 
    1. Remove the EFI MAIN fuse from the engine room R/B.
      Fig 3: Identifying Engine Room Relay Block & EFI MAIN
      GTY146990Courtesy of © TOYOTA, LICENSE AGREEMENT TMS1002
    2. Measure the EFI MAIN fuse resistance.

      Standard resistance

      Below 1 Ω

    3. Reinstall the EFI MAIN fuse.

    NG → REPLACE EFI MAIN FUSE 

    OK: Go to next step 

  4. CHECK HARNESS AND CONNECTOR (ENGINE ROOM RELAY BLOCK - BATTERY) 
    1. Disconnect the negative battery terminal.
      Fig 4: Identifying Engine Room Relay Block
      GTY147274Courtesy of © TOYOTA, LICENSE AGREEMENT TMS1002
    2. Disconnect the positive battery terminal.
    3. Remove the engine room junction block from the engine room R/B.
    4. Measure the resistance according to the value(s) in the table below.

      Standard resistance (Check for open)

      Tester Connection Specified Condition
      1G-1 - Positive battery terminal Below 1 Ω

      Standard resistance (Check for short)

      Tester Connection Specified Condition
      1G-1 or Positive battery terminal - Body ground 10 kΩ or higher
    5. Reinstall the engine room junction block.
    6. Reconnect the positive battery terminal.
    7. Reconnect the negative battery terminal.

    NG → REPAIR OR REPLACE HARNESS OR CONNECTOR 

    OK → See step   13 

  5. INSPECT ENGINE ROOM JUNCTION BLOCK (EFI RELAY) 
    1. Remove the engine room junction block from the engine room R/B.
      Fig 5: Identifying Engine Room Junction Block & Engine Room Relay Block
      GTY147271Courtesy of © TOYOTA, LICENSE AGREEMENT TMS1002
    2. Measure the resistance between the terminals.

      Standard resistance

      Tester Connection Specified Condition
      1E-6 - 1E-12 10 kΩ or higher
      1E-6 - 1E-12 Below 1 Ω
      (Apply battery voltage between terminals 1E-9 and 1E-10)
    3. Reinstall the engine room junction block.

    NG → REPLACE ENGINE ROOM JUNCTION BLOCK 

    OK: Go to next step 

  6. INSPECT EFI NO. 2 FUSE 
    1. Remove the EFI No. 2 fuse from the engine room R/B.
      Fig 6: Identifying EFI No. 2 Fuse
      GTY146855Courtesy of © TOYOTA, LICENSE AGREEMENT TMS1002
    2. Measure the EFI No. 2 fuse resistance.

      Standard resistance

      Below 1 Ω

    3. Reinstall the EFI No. 2 fuse.

    NG → REPLACE EFI NO. 2 FUSE 

    OK: Go to next step 

  7. CHECK HARNESS AND CONNECTOR (ECM - ENGINE ROOM JUNCTION BLOCK) 
    1. Disconnect the A10 ECM connector.
      Fig 7: Identifying A10 ECM Connector Terminal & Engine Room Junction Block
      GTY147275Courtesy of © TOYOTA, LICENSE AGREEMENT TMS1002
    2. Remove the engine room junction block from the engine room R/B.
    3. Measure the resistance according to the value(s) in the table below.

      Standard resistance (Check for open)

      Tester Connection Specified Condition
      1E-6 - +B (A10-2) Below 1 Ω
      1E-6 - +B2 (A10-1) Below 1 Ω

      Standard resistance (Check for short)

      Tester Connection Specified Condition
      1E-6 or +B (A10-2) - Body ground 10 kΩ or higher
      1E-6 or +B2 (A10-1) - Body ground 10 kΩ or higher
    4. Reinstall the engine room junction block.
    5. Reconnect the ECM connector.

    NG → REPAIR OR REPLACE HARNESS OR CONNECTOR 

    OK: Go to next step 

  8. INSPECT ECM (IGSW VOLTAGE) 
    1. Disconnect the A10 ECM connector.
      Fig 8: Identifying A10 ECM Connector Terminals
      GTY145756Courtesy of © TOYOTA, LICENSE AGREEMENT TMS1002
    2. Measure the voltage according to the value(s) in the table below.

      Standard voltage

      Tester Connection Specified Condition
      IGSW (A10-28) - Body ground 9 to 14 V
    3. Reconnect the ECM connector.

    OK → See step   11 

    NG: Go to next step 

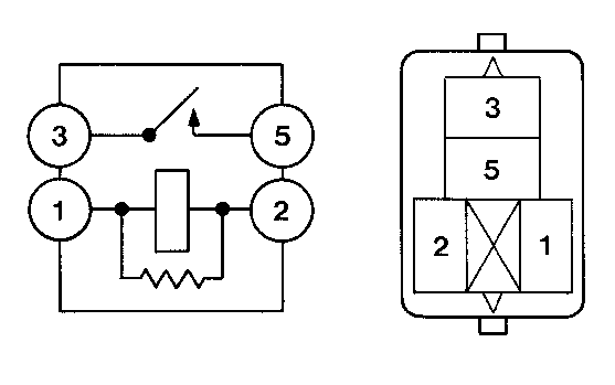
  9. INSPECT IGNITION RELAY NO. 2 
    1. Remove the IG2 relay from the engine room R/B.
      Fig 9: Identifying Relay
      GTY102844Courtesy of © TOYOTA, LICENSE AGREEMENT TMS1002
    2. Measure the resistance according to the value(s) in the table below.

      Standard resistance

      Tester Connection Specified Condition
      3 - 5 10 kΩ or higher
      3 - 5 Below 1 Ω
      (Apply battery voltage between terminals 1 and 2)
    3. Reinstall the IG2 relay.

    NG → REPLACE IGNITION RELAY NO. 2 

    OK: Go to next step 

  10. CHECK HARNESS AND CONNECTOR (IG2 RELAY - BODY GROUND) 
    1. Remove the IG2 relay from the engine room R/B.
      Fig 10: Identifying IG2 Relay & Engine Room R/B
      GTY126032Courtesy of © TOYOTA, LICENSE AGREEMENT TMS1002
    2. Measure the resistance according to the value(s) in the table below.

      Standard resistance

      Tester Connection Specified Condition
      IG2 relay terminal 2 - Body ground Below 1 Ω
    3. Reinstall the IG2 relay.

      Result

      Result Proceed to
      OK A
      NG B

    A → GO TO SMART ACCESS SYSTEM WITH PUSH-BUTTON START 

    B → REPAIR OR REPLACE HARNESS OR CONNECTOR 

  11. CHECK HARNESS AND CONNECTOR (ECM - BODY GROUND) 
    1. Disconnect the A10 ECM connector.
      Fig 11: Identifying A10 ECM Connector Terminals
      GTY123931Courtesy of © TOYOTA, LICENSE AGREEMENT TMS1002
    2. Measure the resistance according to the value(s) in the table below.

      Standard resistance

      Tester Connection Specified Condition
      MREL (A10-44) - Body ground Below 1 Ω
    3. Reconnect the ECM connector.

    NG → REPAIR OR REPLACE HARNESS OR CONNECTOR 

    OK → See step   12 

  12. REPLACE ECM. Refer to  REMOVAL 
  13. PROCEED TO NEXT SUSPECTED AREA SHOWN IN PROBLEM SYMPTOMS TABLE. Refer to  PROBLEM SYMPTOMS TABLE