LEMON Manuals: Even more car manuals for everyone: 1960-2025
Home >> Lexus >> 2009 >> GS 450h >> Repair and Diagnosis >> Electrical >> Body Electrical >> OEM System Circuits >> Audio System, LEXUS Navigation System, Parking Assist (Rear View Monitor) and Multi Display >> Notes
April 5, 2026: LEMON Manuals is launched! Read the announcement.

Audio System, LEXUS Navigation System, Parking Assist (Rear View Monitor) and Multi Display: Notes

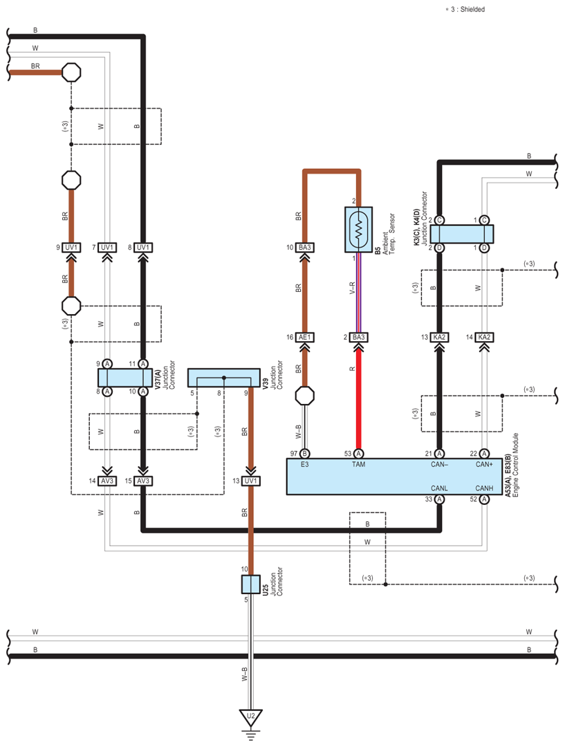
Fig 1: Audio System, Lexus Navigation System, Parking Assist (Rear View Monitor) And Multi Display - Circuit Diagram (1 Of 12)
G07617229Courtesy of © TOYOTA, LICENSE AGREEMENT TMS1002
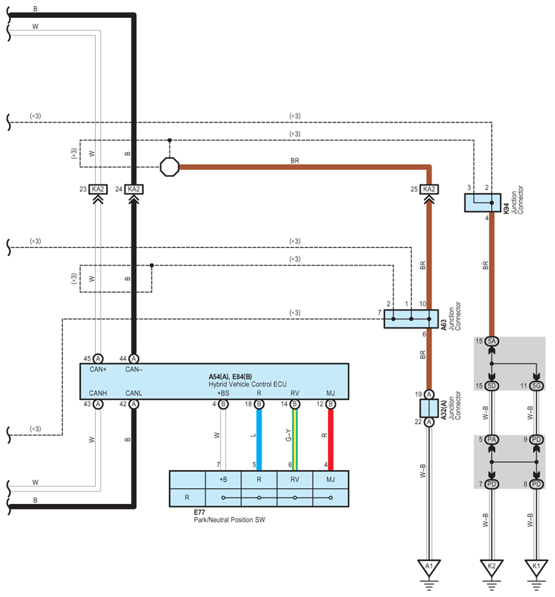
Fig 2: Audio System, Lexus Navigation System, Parking Assist (Rear View Monitor) And Multi Display - Circuit Diagram (2 Of 12)
G07617230Courtesy of © TOYOTA, LICENSE AGREEMENT TMS1002
Fig 3: Audio System, Lexus Navigation System, Parking Assist (Rear View Monitor) And Multi Display - Circuit Diagram (3 Of 12)
G07617231Courtesy of © TOYOTA, LICENSE AGREEMENT TMS1002
Fig 4: Audio System, Lexus Navigation System, Parking Assist (Rear View Monitor) And Multi Display - Circuit Diagram (4 Of 12)
G07617232Courtesy of © TOYOTA, LICENSE AGREEMENT TMS1002
Fig 5: Audio System, Lexus Navigation System, Parking Assist (Rear View Monitor) And Multi Display - Circuit Diagram (5 Of 12)
G07617233Courtesy of © TOYOTA, LICENSE AGREEMENT TMS1002
Fig 6: Audio System, Lexus Navigation System, Parking Assist (Rear View Monitor) And Multi Display - Circuit Diagram (6 Of 12)
G07617234Courtesy of © TOYOTA, LICENSE AGREEMENT TMS1002
Fig 7: Audio System, Lexus Navigation System, Parking Assist (Rear View Monitor) And Multi Display - Circuit Diagram (7 Of 12)
G07617235Courtesy of © TOYOTA, LICENSE AGREEMENT TMS1002
Fig 8: Audio System, Lexus Navigation System, Parking Assist (Rear View Monitor) And Multi Display - Circuit Diagram (8 Of 12)
G07617236Courtesy of © TOYOTA, LICENSE AGREEMENT TMS1002
Fig 9: Audio System, Lexus Navigation System, Parking Assist (Rear View Monitor) And Multi Display - Circuit Diagram (9 Of 12)
G07617237Courtesy of © TOYOTA, LICENSE AGREEMENT TMS1002
Fig 10: Audio System, Lexus Navigation System, Parking Assist (Rear View Monitor) And Multi Display - Circuit Diagram (10 Of 12)
G07617238Courtesy of © TOYOTA, LICENSE AGREEMENT TMS1002
Fig 11: Audio System, Lexus Navigation System, Parking Assist (Rear View Monitor) And Multi Display - Circuit Diagram (11 Of 12)
G07617239Courtesy of © TOYOTA, LICENSE AGREEMENT TMS1002
Fig 12: Audio System, Lexus Navigation System, Parking Assist (Rear View Monitor) And Multi Display - Circuit Diagram (12 Of 12)
G07617240Courtesy of © TOYOTA, LICENSE AGREEMENT TMS1002