LEMON Manuals: Even more car manuals for everyone: 1960-2025
Home >> Lexus >> 2009 >> GS 450h >> Repair and Diagnosis >> External Pages >> Different car >> Section 108 (OEM System Circuits) >> Cruise Control >> Notes
April 5, 2026: LEMON Manuals is launched! Read the announcement.

Cruise Control: Notes

WARNING: This page is about a different car, the 2008 Lexus GS 450h. However, it is still accessible from the selected car via links, so may be relevant.
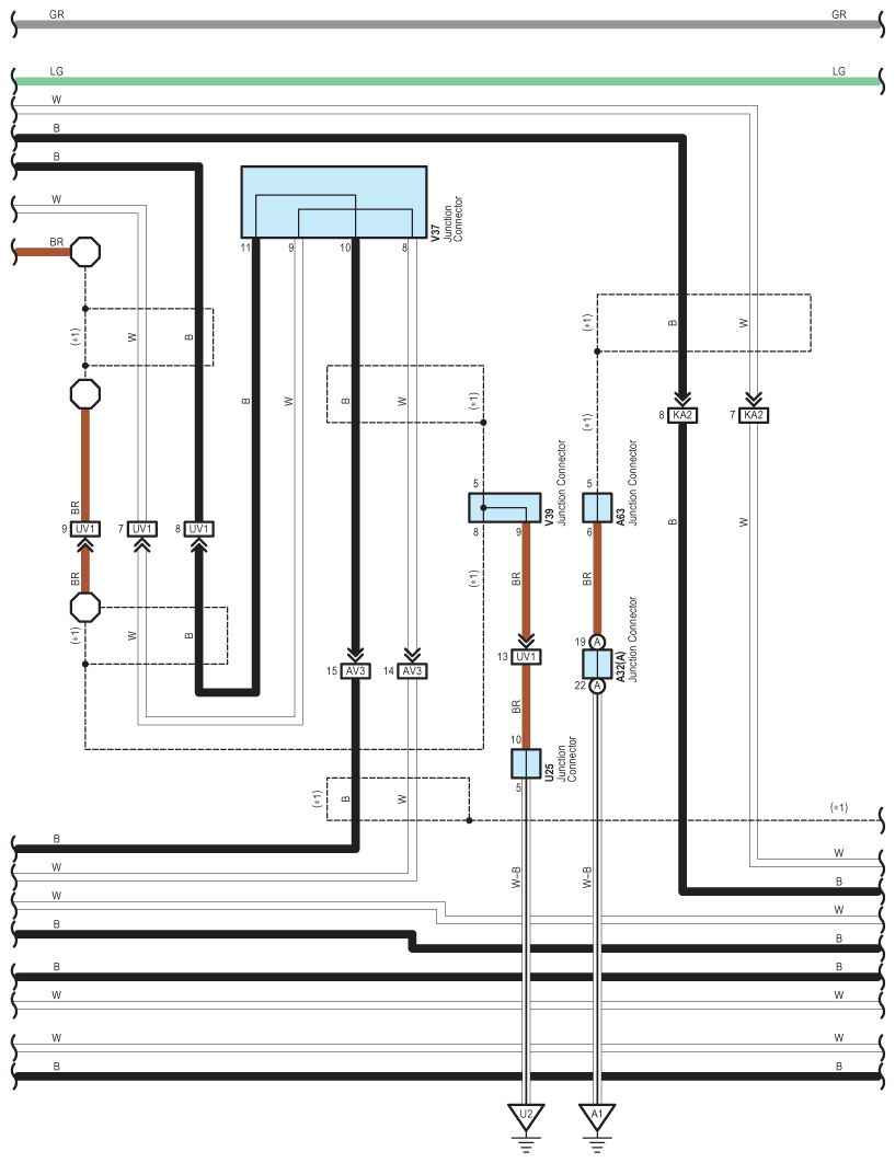
Fig 1: Cruise Control - Circuit Diagram (1 Of 16)
G07613967Courtesy of © TOYOTA, LICENSE AGREEMENT TMS1002
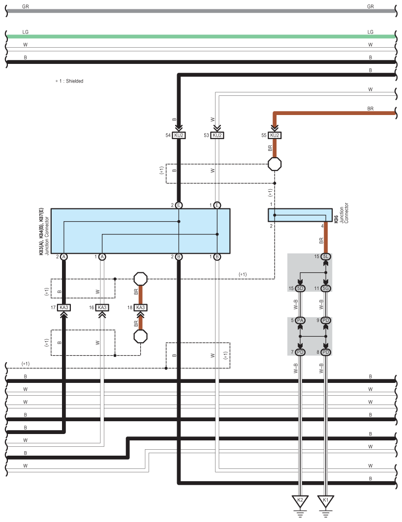
Fig 2: Cruise Control - Circuit Diagram (2 Of 16)
G07613968Courtesy of © TOYOTA, LICENSE AGREEMENT TMS1002
Fig 3: Cruise Control - Circuit Diagram (3 Of 16)
G07613969Courtesy of © TOYOTA, LICENSE AGREEMENT TMS1002
Fig 4: Cruise Control - Circuit Diagram (4 Of 16)
G07613970Courtesy of © TOYOTA, LICENSE AGREEMENT TMS1002
Fig 5: Cruise Control - Circuit Diagram (5 Of 16)
G07613971Courtesy of © TOYOTA, LICENSE AGREEMENT TMS1002
Fig 6: Cruise Control - Circuit Diagram (6 Of 16)
G07613972Courtesy of © TOYOTA, LICENSE AGREEMENT TMS1002
Fig 7: Cruise Control - Circuit Diagram (7 Of 16)
G07613973Courtesy of © TOYOTA, LICENSE AGREEMENT TMS1002
Fig 8: Cruise Control - Circuit Diagram (8 Of 16)
G07613974Courtesy of © TOYOTA, LICENSE AGREEMENT TMS1002
Fig 9: Cruise Control - Circuit Diagram (9 Of 16)
G07613975Courtesy of © TOYOTA, LICENSE AGREEMENT TMS1002
Fig 10: Cruise Control - Circuit Diagram (10 Of 16)
G07613976Courtesy of © TOYOTA, LICENSE AGREEMENT TMS1002
Fig 11: Cruise Control - Circuit Diagram (11 Of 16)
G07613977Courtesy of © TOYOTA, LICENSE AGREEMENT TMS1002
Fig 12: Cruise Control - Circuit Diagram (12 Of 16)
G07613978Courtesy of © TOYOTA, LICENSE AGREEMENT TMS1002
Fig 13: Cruise Control - Circuit Diagram (13 Of 16)
G07613979Courtesy of © TOYOTA, LICENSE AGREEMENT TMS1002
Fig 14: Cruise Control - Circuit Diagram (14 Of 16)
G07613980Courtesy of © TOYOTA, LICENSE AGREEMENT TMS1002
Fig 15: Cruise Control - Circuit Diagram (15 Of 16)
G07613981Courtesy of © TOYOTA, LICENSE AGREEMENT TMS1002
Fig 16: Cruise Control - Circuit Diagram (16 Of 16)
G07613982Courtesy of © TOYOTA, LICENSE AGREEMENT TMS1002