LEMON Manuals: Even more car manuals for everyone: 1960-2025
Home >> Lexus >> 2009 >> GS 450h >> Repair and Diagnosis >> External Pages >> Different car >> Section 108 (OEM System Circuits) >> Headlight >> Notes
April 5, 2026: LEMON Manuals is launched! Read the announcement.

Section 108 (OEM System Circuits): Headlight: Notes

WARNING: This page is about a different car, the 2008 Lexus GS 450h. However, it is still accessible from the selected car via links, so may be relevant.
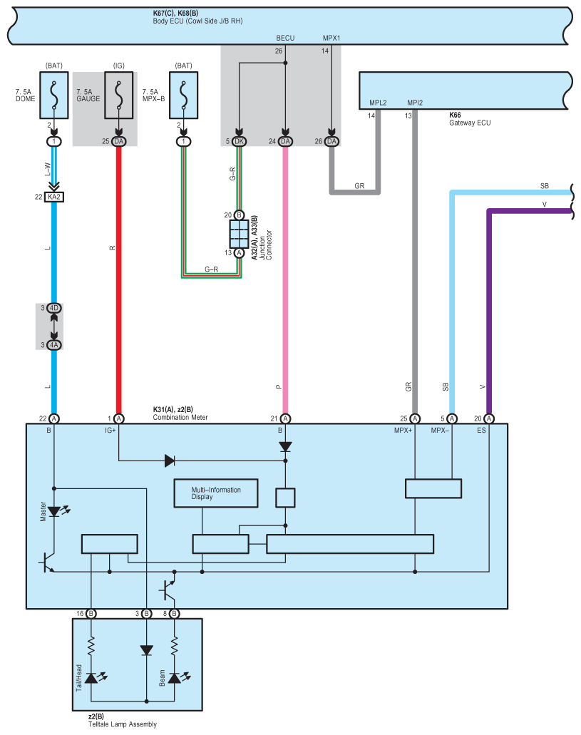
Fig 1: Headlight - Circuit Diagram (1 Of 6)
G07613842Courtesy of © TOYOTA, LICENSE AGREEMENT TMS1002
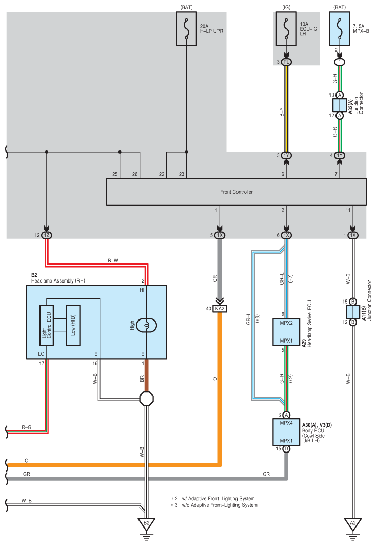
Fig 2: Headlight - Circuit Diagram (2 Of 6)
G07613843Courtesy of © TOYOTA, LICENSE AGREEMENT TMS1002
Fig 3: Headlight - Circuit Diagram (3 Of 6)
G07613844Courtesy of © TOYOTA, LICENSE AGREEMENT TMS1002
Fig 4: Headlight - Circuit Diagram (4 Of 6)
G07613845Courtesy of © TOYOTA, LICENSE AGREEMENT TMS1002
Fig 5: Headlight - Circuit Diagram (5 Of 6)
G07613846Courtesy of © TOYOTA, LICENSE AGREEMENT TMS1002
Fig 6: Headlight - Circuit Diagram (6 Of 6)
G07613847Courtesy of © TOYOTA, LICENSE AGREEMENT TMS1002