LEMON Manuals: Even more car manuals for everyone: 1960-2025
Home >> Lexus >> 2009 >> GS 450h >> Repair and Diagnosis >> External Pages >> Different car >> Section 108 (OEM System Circuits) >> Multiplex Communication System - CAN >> Notes
April 5, 2026: LEMON Manuals is launched! Read the announcement.

Multiplex Communication System - CAN: Notes

WARNING: This page is about a different car, the 2008 Lexus GS 450h. However, it is still accessible from the selected car via links, so may be relevant.
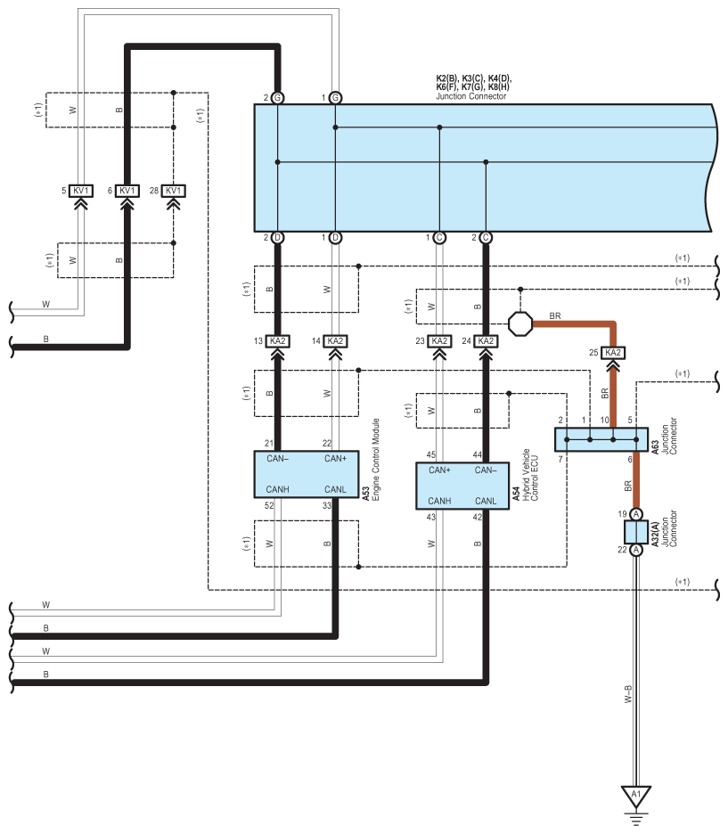
Fig 1: Multiplex Communication System - CAN - Circuit Diagram (1 Of 8)
G07613834Courtesy of © TOYOTA, LICENSE AGREEMENT TMS1002
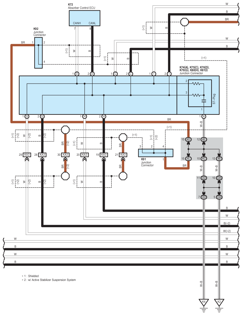
Fig 2: Multiplex Communication System - CAN - Circuit Diagram (2 Of 8)
G07613835Courtesy of © TOYOTA, LICENSE AGREEMENT TMS1002
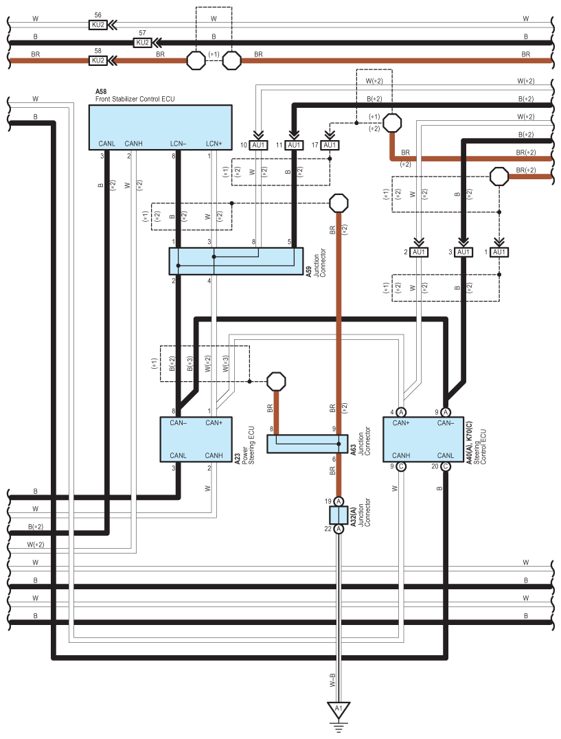
Fig 3: Multiplex Communication System - CAN - Circuit Diagram (3 Of 8)
G07613836Courtesy of © TOYOTA, LICENSE AGREEMENT TMS1002
Fig 4: Multiplex Communication System - CAN - Circuit Diagram (4 Of 8)
G07613837Courtesy of © TOYOTA, LICENSE AGREEMENT TMS1002
Fig 5: Multiplex Communication System - CAN - Circuit Diagram (5 Of 8)
G07613838Courtesy of © TOYOTA, LICENSE AGREEMENT TMS1002
Fig 6: Multiplex Communication System - CAN - Circuit Diagram (6 Of 8)
G07613839Courtesy of © TOYOTA, LICENSE AGREEMENT TMS1002
Fig 7: Multiplex Communication System - CAN - Circuit Diagram (7 Of 8)
G07613840Courtesy of © TOYOTA, LICENSE AGREEMENT TMS1002
Fig 8: Multiplex Communication System - CAN - Circuit Diagram (8 Of 8)
G07613841Courtesy of © TOYOTA, LICENSE AGREEMENT TMS1002