LEMON Manuals: Even more car manuals for everyone: 1960-2025
Home >> Lexus >> 2009 >> GS 450h >> Repair and Diagnosis >> External Pages >> Different car >> Section 108 (OEM System Circuits) >> Power Source >> Notes
April 5, 2026: LEMON Manuals is launched! Read the announcement.

Power Source: Notes

WARNING: This page is about a different car, the 2008 Lexus GS 450h. However, it is still accessible from the selected car via links, so may be relevant.
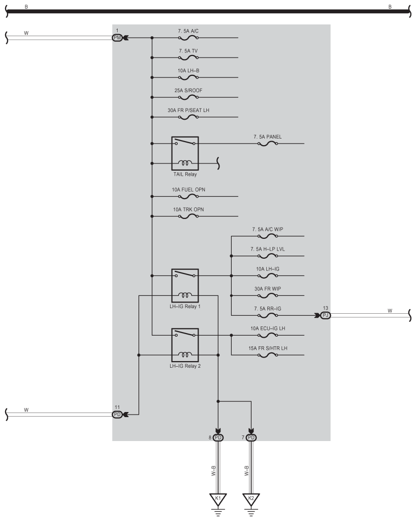
Fig 1: Power Source - Circuit Diagram (1 Of 7)
G07613759Courtesy of © TOYOTA, LICENSE AGREEMENT TMS1002
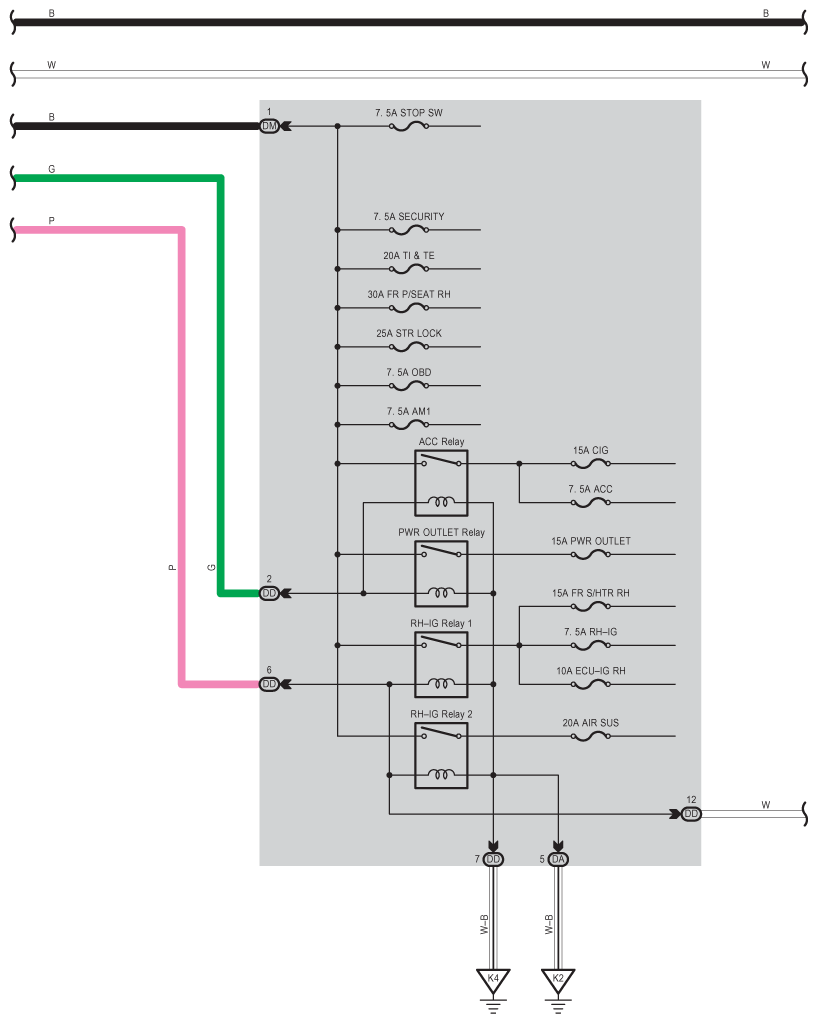
Fig 2: Power Source - Circuit Diagram (2 Of 7)
G07613760Courtesy of © TOYOTA, LICENSE AGREEMENT TMS1002
Fig 3: Power Source - Circuit Diagram (3 Of 7)
G07613761Courtesy of © TOYOTA, LICENSE AGREEMENT TMS1002
Fig 4: Power Source - Circuit Diagram (4 Of 7)
G07613762Courtesy of © TOYOTA, LICENSE AGREEMENT TMS1002
Fig 5: Power Source - Circuit Diagram (5 Of 7)
G07613763Courtesy of © TOYOTA, LICENSE AGREEMENT TMS1002
Fig 6: Power Source - Circuit Diagram (6 Of 7)
G07613764Courtesy of © TOYOTA, LICENSE AGREEMENT TMS1002
Fig 7: Power Source - Circuit Diagram (7 Of 7)
G07613765Courtesy of © TOYOTA, LICENSE AGREEMENT TMS1002