LEMON Manuals: Even more car manuals for everyone: 1960-2025
Home >> Lexus >> 2009 >> GS 450h >> Repair and Diagnosis >> External Pages >> Different car >> Section 108 (OEM System Circuits) >> Rear Window Defogger >> Notes
April 5, 2026: LEMON Manuals is launched! Read the announcement.

Rear Window Defogger: Notes

WARNING: This page is about a different car, the 2008 Lexus GS 450h. However, it is still accessible from the selected car via links, so may be relevant.
Fig 1: Rear Window Defogger - Circuit Diagram (1 Of 3)
G07614119Courtesy of © TOYOTA, LICENSE AGREEMENT TMS1002
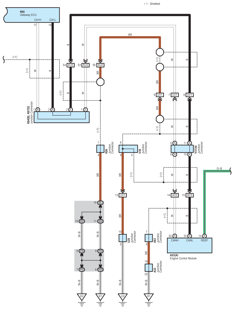
Fig 2: Rear Window Defogger - Circuit Diagram (2 Of 3)
G07614120Courtesy of © TOYOTA, LICENSE AGREEMENT TMS1002
Fig 3: Rear Window Defogger - Circuit Diagram (3 Of 3)
G07614121Courtesy of © TOYOTA, LICENSE AGREEMENT TMS1002