LEMON Manuals: Even more car manuals for everyone: 1960-2025
Home >> Lexus >> 2009 >> GX 470 >> Repair and Diagnosis >> Electrical >> Body Electrical >> OEM System Circuits >> LEXUS Link System (Mayday System) >> Notes
April 5, 2026: LEMON Manuals is launched! Read the announcement.

LEXUS Link System (Mayday System): Notes

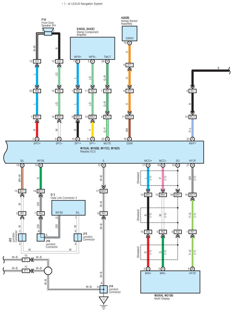
Fig 1: Lexus Link System (Mayday System) - Circuit Diagram (1 Of 4)
G07619929Courtesy of © TOYOTA, LICENSE AGREEMENT TMS1002
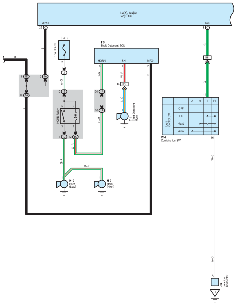
Fig 2: Lexus Link System (Mayday System) - Circuit Diagram (2 Of 4)
G07619930Courtesy of © TOYOTA, LICENSE AGREEMENT TMS1002
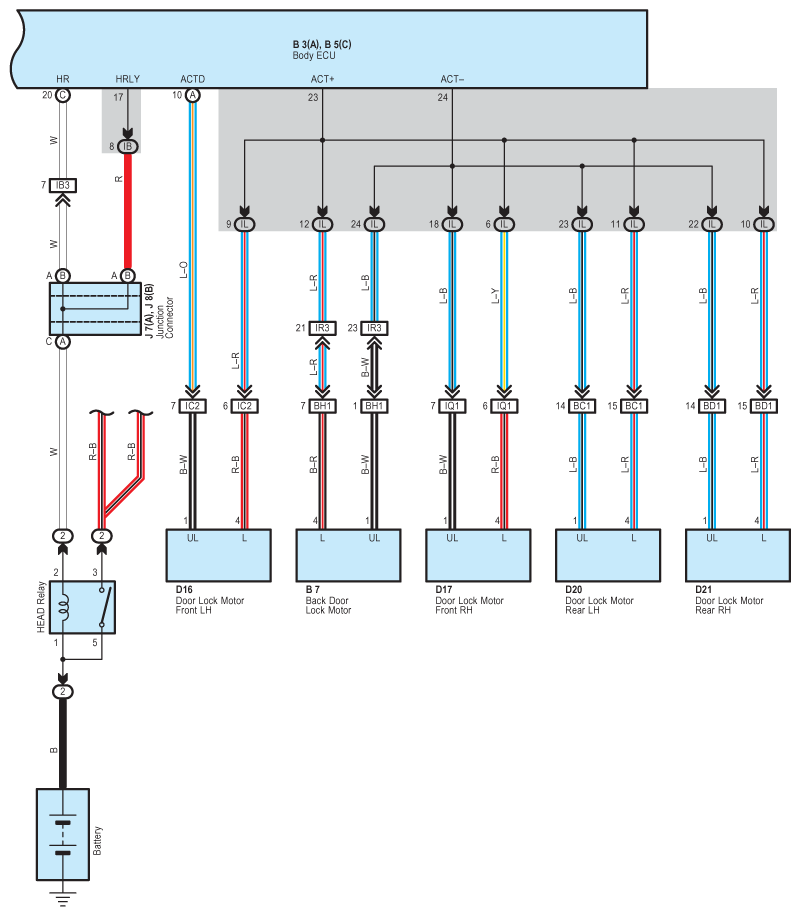
Fig 3: Lexus Link System (Mayday System) - Circuit Diagram (3 Of 4)
G07619931Courtesy of © TOYOTA, LICENSE AGREEMENT TMS1002
Fig 4: Lexus Link System (Mayday System) - Circuit Diagram (4 Of 4)
G07619932Courtesy of © TOYOTA, LICENSE AGREEMENT TMS1002