LEMON Manuals: Even more car manuals for everyone: 1960-2025
Home >> Lexus >> 2009 >> IS 250 AWD >> Repair and Diagnosis >> External Pages >> Different car >> Section 252 (OEM System Circuits) >> Navigation, Parking Assist (Rear View Monitor) and Audio System >> Notes
April 5, 2026: LEMON Manuals is launched! Read the announcement.

Navigation, Parking Assist (Rear View Monitor) and Audio System: Notes

WARNING: This page is about a different car, the 2008 Lexus IS 350 and 2008 Lexus IS 250. However, it is still accessible from the selected car via links, so may be relevant.
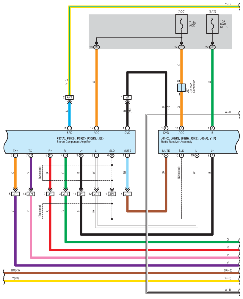
Fig 1: Navigation, Parking Assist (Rear View Monitor) And Audio System - Circuit Diagram (1 Of 11)
G07591929Courtesy of © TOYOTA, LICENSE AGREEMENT TMS1002
Fig 2: Navigation, Parking Assist (Rear View Monitor) And Audio System - Circuit Diagram (2 Of 11)
G07591930Courtesy of © TOYOTA, LICENSE AGREEMENT TMS1002
Fig 3: Navigation, Parking Assist (Rear View Monitor) And Audio System - Circuit Diagram (3 Of 11)
G07591931Courtesy of © TOYOTA, LICENSE AGREEMENT TMS1002
Fig 4: Navigation, Parking Assist (Rear View Monitor) And Audio System - Circuit Diagram (4 Of 11)
G07591932Courtesy of © TOYOTA, LICENSE AGREEMENT TMS1002
Fig 5: Navigation, Parking Assist (Rear View Monitor) And Audio System - Circuit Diagram (5 Of 11)
G07591933Courtesy of © TOYOTA, LICENSE AGREEMENT TMS1002
Fig 6: Navigation, Parking Assist (Rear View Monitor) And Audio System - Circuit Diagram (6 Of 11)
G07591934Courtesy of © TOYOTA, LICENSE AGREEMENT TMS1002
Fig 7: Navigation, Parking Assist (Rear View Monitor) And Audio System - Circuit Diagram (7 Of 11)
G07591935Courtesy of © TOYOTA, LICENSE AGREEMENT TMS1002
Fig 8: Navigation, Parking Assist (Rear View Monitor) And Audio System - Circuit Diagram (8 Of 11)
G07591936Courtesy of © TOYOTA, LICENSE AGREEMENT TMS1002
Fig 9: Navigation, Parking Assist (Rear View Monitor) And Audio System - Circuit Diagram (9 Of 11)
G07591937Courtesy of © TOYOTA, LICENSE AGREEMENT TMS1002
Fig 10: Navigation, Parking Assist (Rear View Monitor) And Audio System - Circuit Diagram (10 Of 11)
G07591938Courtesy of © TOYOTA, LICENSE AGREEMENT TMS1002
Fig 11: Navigation, Parking Assist (Rear View Monitor) And Audio System - Circuit Diagram (11 Of 11)
G07591939Courtesy of © TOYOTA, LICENSE AGREEMENT TMS1002