LEMON Manuals: Even more car manuals for everyone: 1960-2025
Home >> Lexus >> 2009 >> IS F >> Repair and Diagnosis >> Electrical >> Body Electrical >> OEM System Circuits >> Door Lock Control >> Notes
April 5, 2026: LEMON Manuals is launched! Read the announcement.

Door Lock Control: Notes

Fig 1: Door Lock Control - Circuit Diagram (1 Of 11)
G07617638Courtesy of © TOYOTA, LICENSE AGREEMENT TMS1002
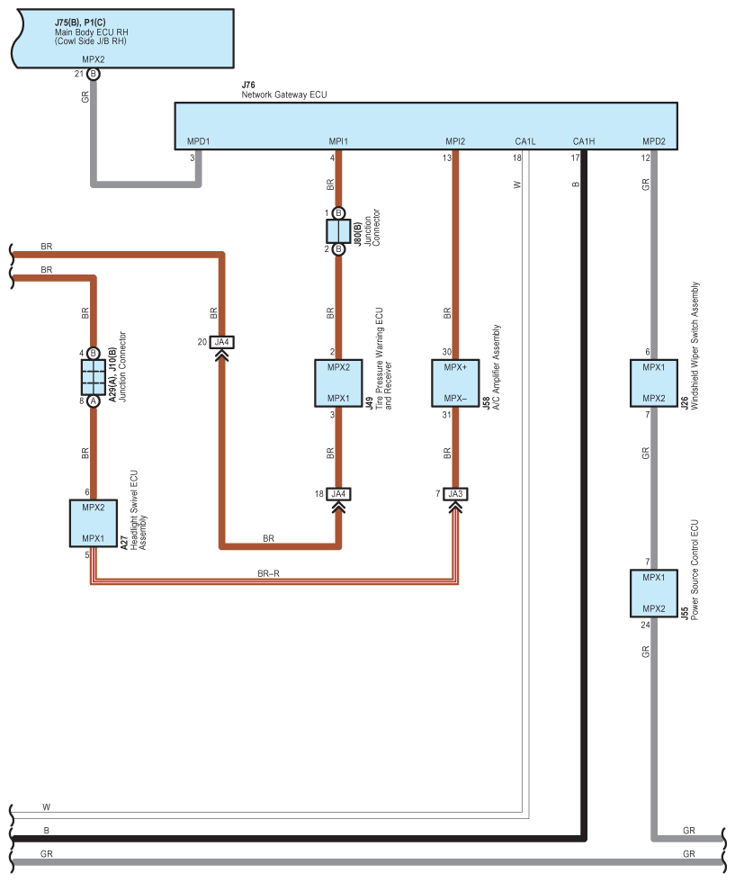
Fig 2: Door Lock Control - Circuit Diagram (2 Of 11)
G07617639Courtesy of © TOYOTA, LICENSE AGREEMENT TMS1002
Fig 3: Door Lock Control - Circuit Diagram (3 Of 11)
G07617640Courtesy of © TOYOTA, LICENSE AGREEMENT TMS1002
Fig 4: Door Lock Control - Circuit Diagram (4 Of 11)
G07617641Courtesy of © TOYOTA, LICENSE AGREEMENT TMS1002
Fig 5: Door Lock Control - Circuit Diagram (5 Of 11)
G07617642Courtesy of © TOYOTA, LICENSE AGREEMENT TMS1002
Fig 6: Door Lock Control - Circuit Diagram (6 Of 11)
G07617643Courtesy of © TOYOTA, LICENSE AGREEMENT TMS1002
Fig 7: Door Lock Control - Circuit Diagram (7 Of 11)
G07617644Courtesy of © TOYOTA, LICENSE AGREEMENT TMS1002
Fig 8: Door Lock Control - Circuit Diagram (8 Of 11)
G07617645Courtesy of © TOYOTA, LICENSE AGREEMENT TMS1002
Fig 9: Door Lock Control - Circuit Diagram (9 Of 11)
G07617646Courtesy of © TOYOTA, LICENSE AGREEMENT TMS1002
Fig 10: Door Lock Control - Circuit Diagram (10 Of 11)
G07617647Courtesy of © TOYOTA, LICENSE AGREEMENT TMS1002
Fig 11: Door Lock Control - Circuit Diagram (11 Of 11)
G07617648Courtesy of © TOYOTA, LICENSE AGREEMENT TMS1002