LEMON Manuals: Even more car manuals for everyone: 1960-2025
Home >> Lexus >> 2009 >> IS F >> Repair and Diagnosis >> Electrical >> Body Electrical >> OEM System Circuits >> Dynamic Radar Cruiser Control >> Notes
April 5, 2026: LEMON Manuals is launched! Read the announcement.

Dynamic Radar Cruiser Control: Notes

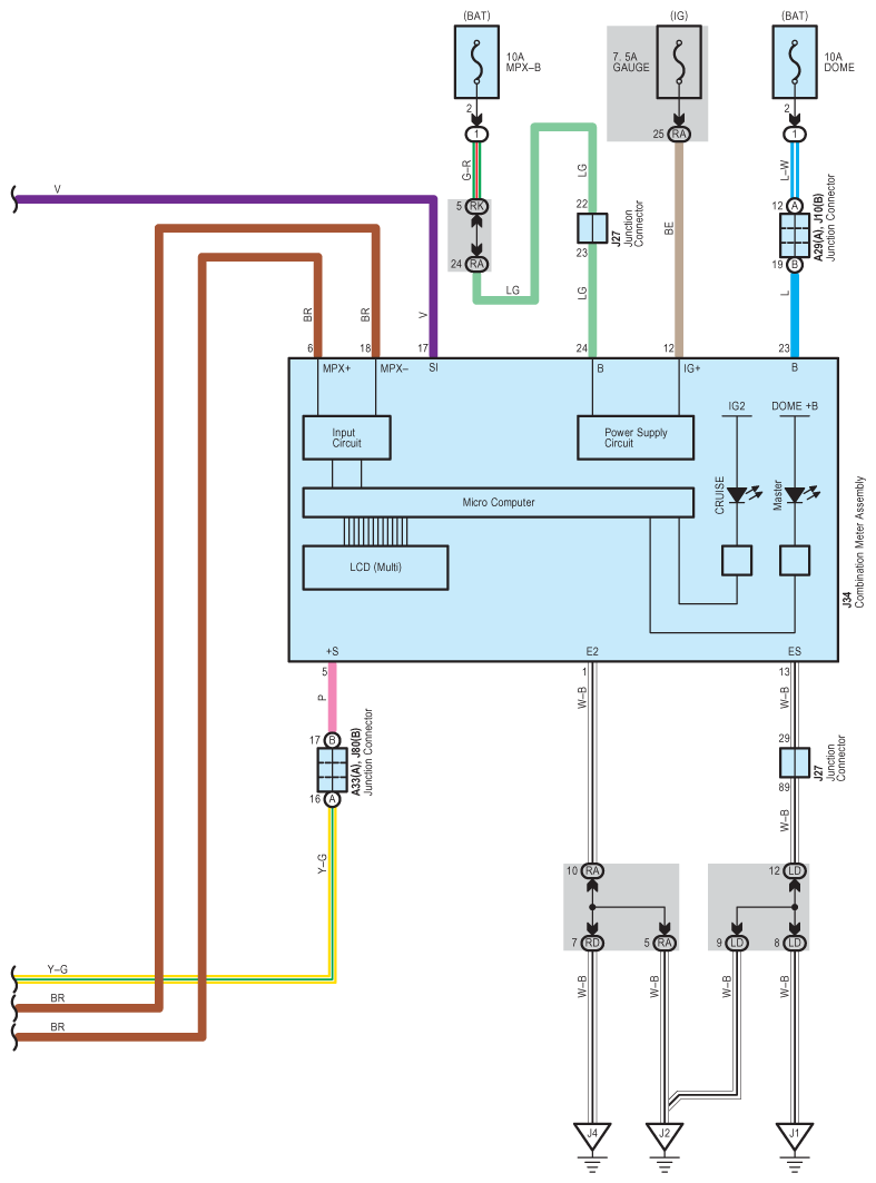
Fig 1: Dynamic Radar Cruiser Control - Circuit Diagram (1 Of 20)
G07617649Courtesy of © TOYOTA, LICENSE AGREEMENT TMS1002
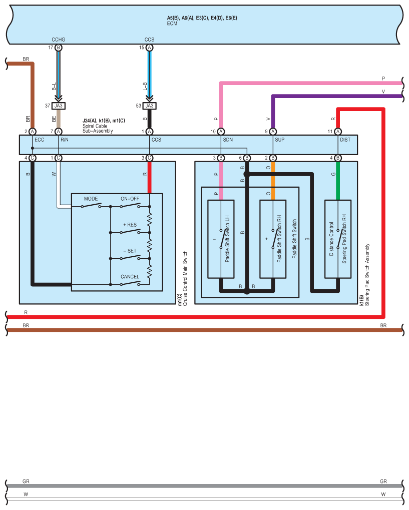
Fig 2: Dynamic Radar Cruiser Control - Circuit Diagram (2 Of 20)
G07617650Courtesy of © TOYOTA, LICENSE AGREEMENT TMS1002
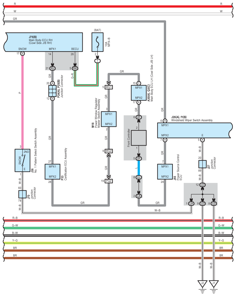
Fig 3: Dynamic Radar Cruiser Control - Circuit Diagram (3 Of 20)
G07617651Courtesy of © TOYOTA, LICENSE AGREEMENT TMS1002
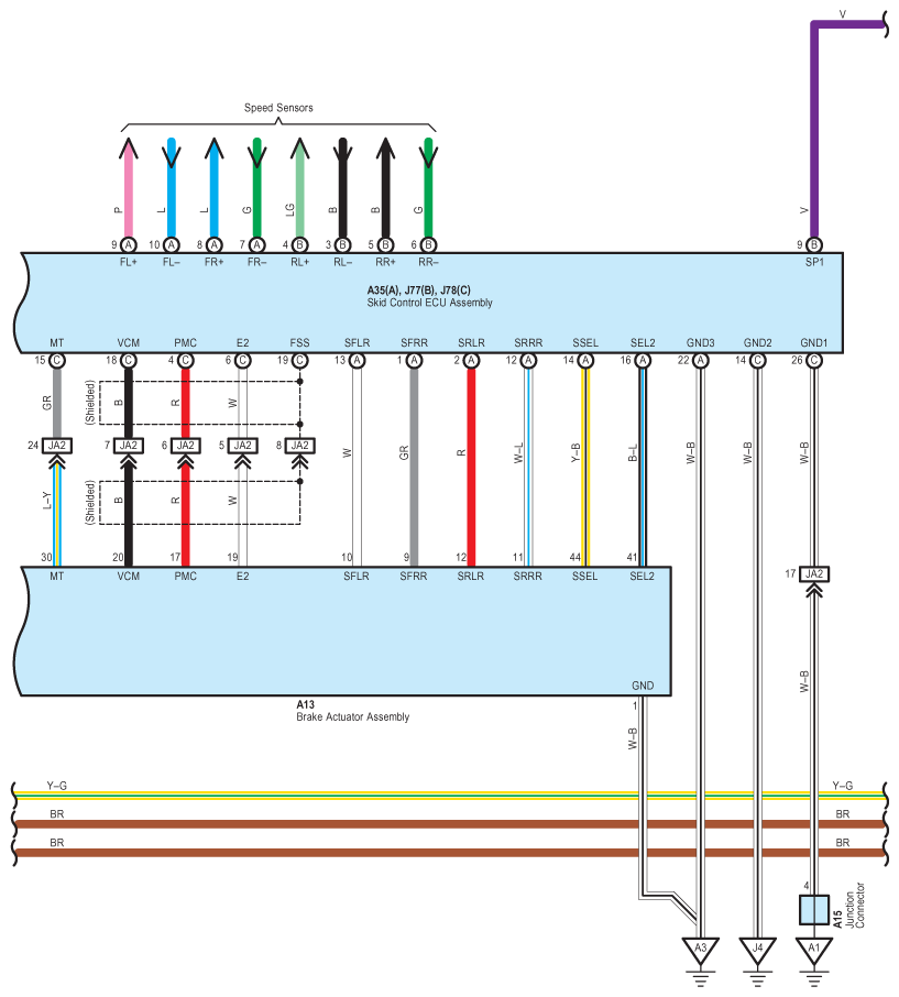
Fig 4: Dynamic Radar Cruiser Control - Circuit Diagram (4 Of 20)
G07617652Courtesy of © TOYOTA, LICENSE AGREEMENT TMS1002
Fig 5: Dynamic Radar Cruiser Control - Circuit Diagram (5 Of 20)
G07617653Courtesy of © TOYOTA, LICENSE AGREEMENT TMS1002
Fig 6: Dynamic Radar Cruiser Control - Circuit Diagram (6 Of 20)
G07617654Courtesy of © TOYOTA, LICENSE AGREEMENT TMS1002
Fig 7: Dynamic Radar Cruiser Control - Circuit Diagram (7 Of 20)
G07617655Courtesy of © TOYOTA, LICENSE AGREEMENT TMS1002
Fig 8: Dynamic Radar Cruiser Control - Circuit Diagram (8 Of 20)
G07617656Courtesy of © TOYOTA, LICENSE AGREEMENT TMS1002
Fig 9: Dynamic Radar Cruiser Control - Circuit Diagram (9 Of 20)
G07617657Courtesy of © TOYOTA, LICENSE AGREEMENT TMS1002
Fig 10: Dynamic Radar Cruiser Control - Circuit Diagram (10 Of 20)
G07617658Courtesy of © TOYOTA, LICENSE AGREEMENT TMS1002
Fig 11: Dynamic Radar Cruiser Control - Circuit Diagram (11 Of 20)
G07617659Courtesy of © TOYOTA, LICENSE AGREEMENT TMS1002
Fig 12: Dynamic Radar Cruiser Control - Circuit Diagram (12 Of 20)
G07617660Courtesy of © TOYOTA, LICENSE AGREEMENT TMS1002
Fig 13: Dynamic Radar Cruiser Control - Circuit Diagram (13 Of 20)
G07617661Courtesy of © TOYOTA, LICENSE AGREEMENT TMS1002
Fig 14: Dynamic Radar Cruiser Control - Circuit Diagram (14 Of 20)
G07617662Courtesy of © TOYOTA, LICENSE AGREEMENT TMS1002
Fig 15: Dynamic Radar Cruiser Control - Circuit Diagram (15 Of 20)
G07617663Courtesy of © TOYOTA, LICENSE AGREEMENT TMS1002
Fig 16: Dynamic Radar Cruiser Control - Circuit Diagram (16 Of 20)
G07617664Courtesy of © TOYOTA, LICENSE AGREEMENT TMS1002
Fig 17: Dynamic Radar Cruiser Control - Circuit Diagram (17 Of 20)
G07617665Courtesy of © TOYOTA, LICENSE AGREEMENT TMS1002
Fig 18: Dynamic Radar Cruiser Control - Circuit Diagram (18 Of 20)
G07617666Courtesy of © TOYOTA, LICENSE AGREEMENT TMS1002
Fig 19: Dynamic Radar Cruiser Control - Circuit Diagram (19 Of 20)
G07617667Courtesy of © TOYOTA, LICENSE AGREEMENT TMS1002
Fig 20: Dynamic Radar Cruiser Control - Circuit Diagram (20 Of 20)
G07617668Courtesy of © TOYOTA, LICENSE AGREEMENT TMS1002