LEMON Manuals: Even more car manuals for everyone: 1960-2025
Home >> Lexus >> 2009 >> IS F >> Repair and Diagnosis >> Engine Performance >> Testing & Diagnosis >> Engine Control (SFI) System (Diagnostics - Introduction) >> SFI System >> System Diagram >> System Diagram
April 5, 2026: LEMON Manuals is launched! Read the announcement.

System Diagram

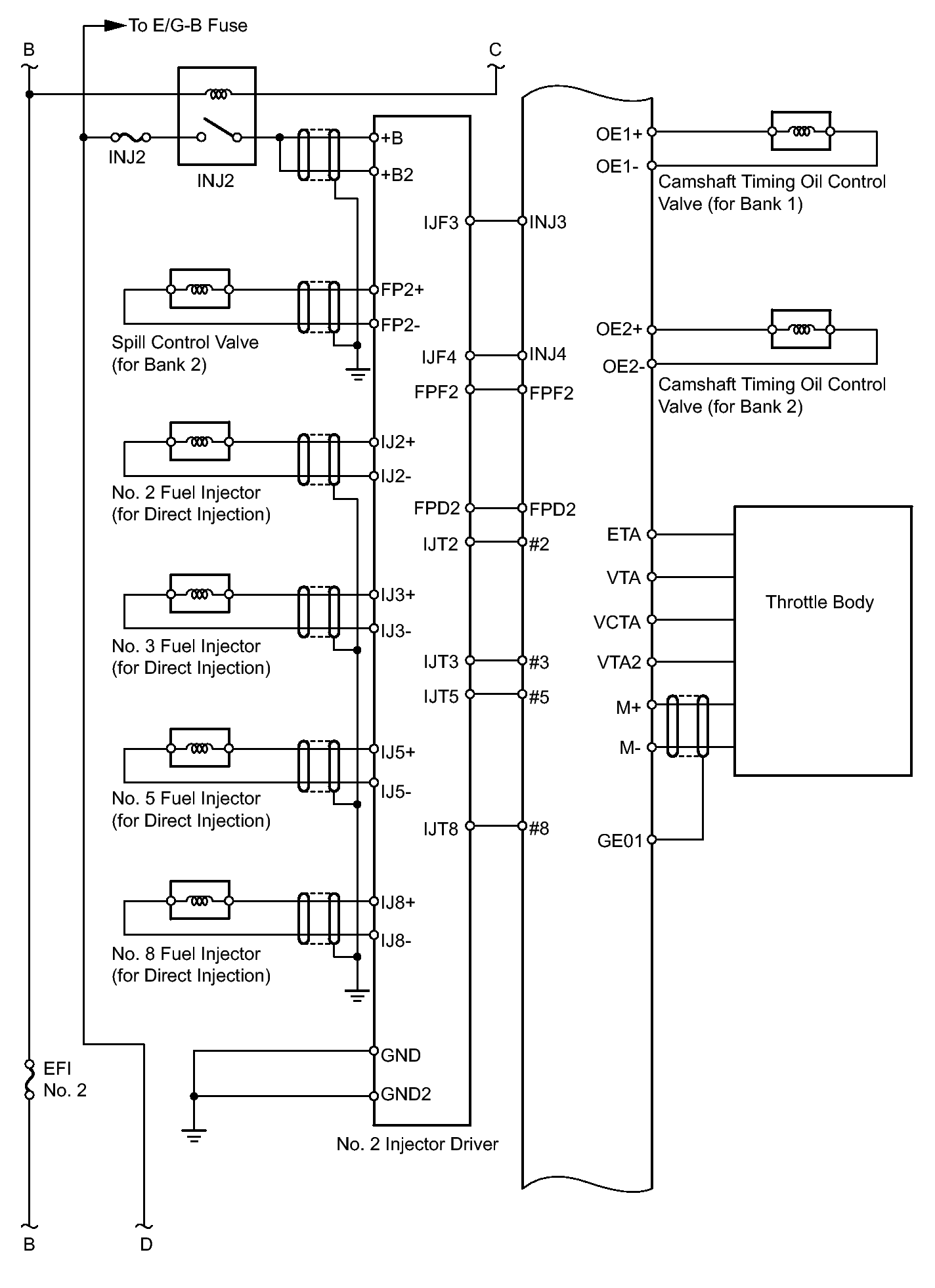
Fig 1: SFI System Diagram (1 Of 7)
GTY148731Courtesy of © TOYOTA, LICENSE AGREEMENT TMS1002
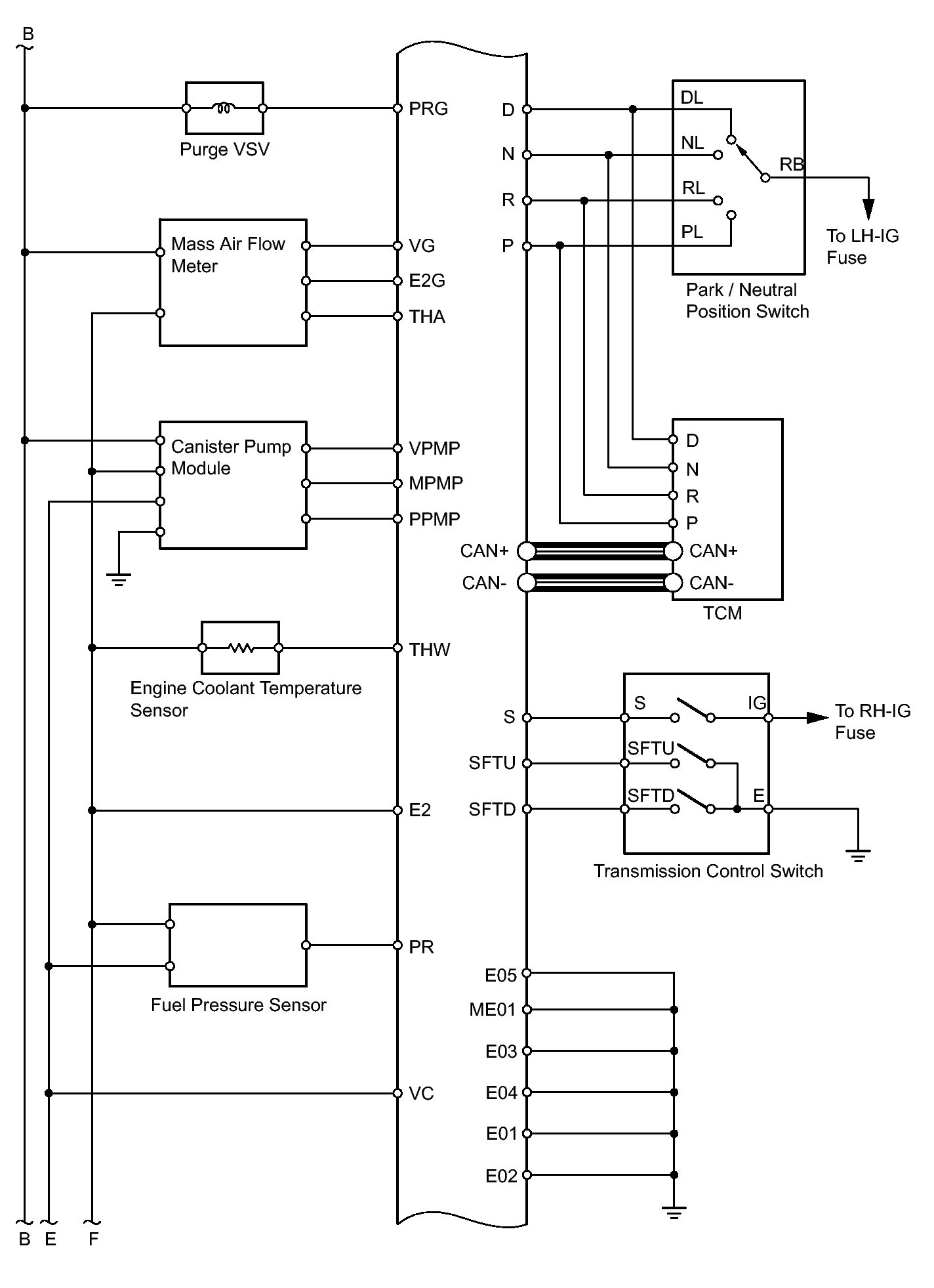
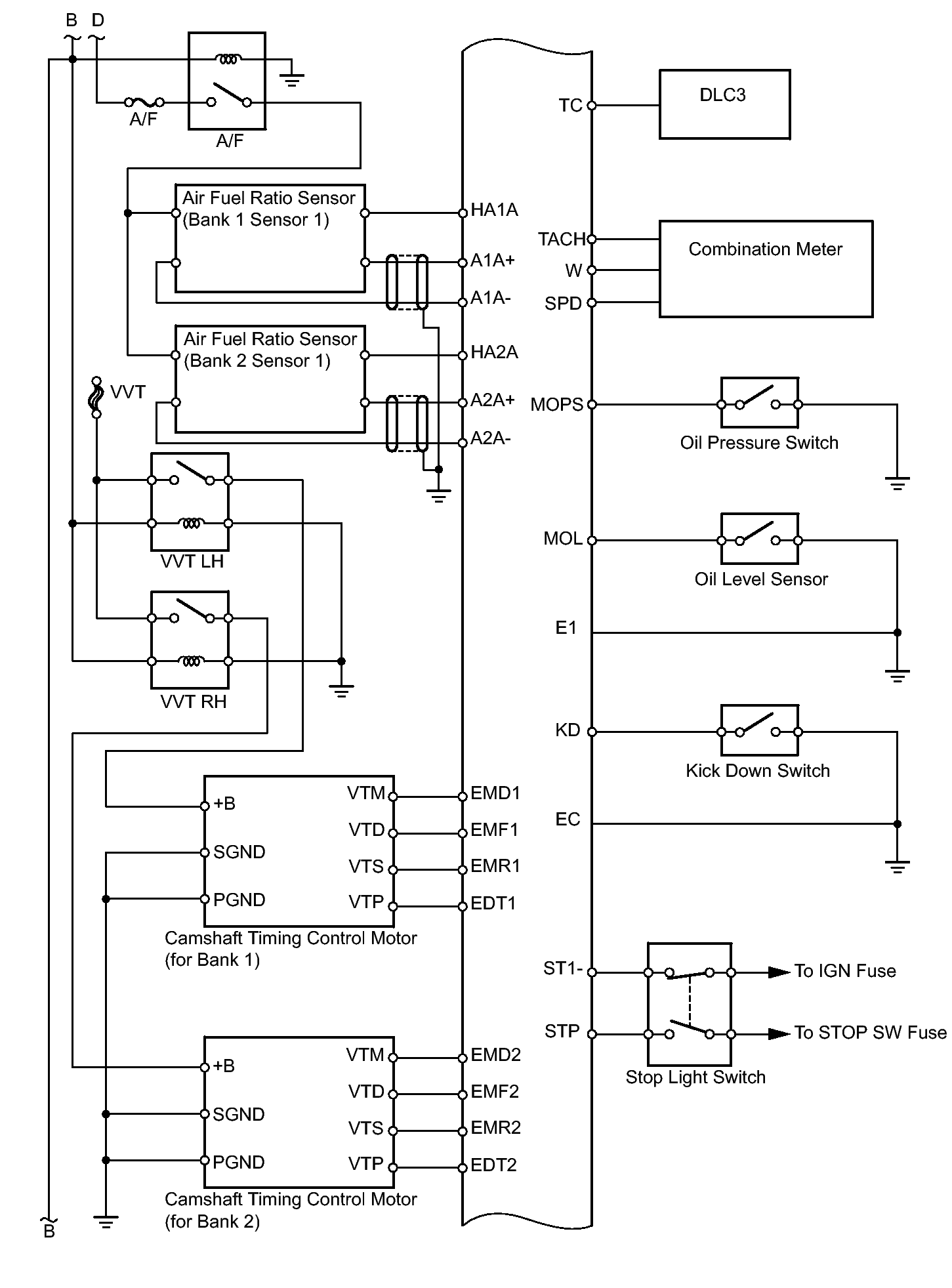
Fig 2: SFI System Diagram (2 Of 7)
GTY140847Courtesy of © TOYOTA, LICENSE AGREEMENT TMS1002
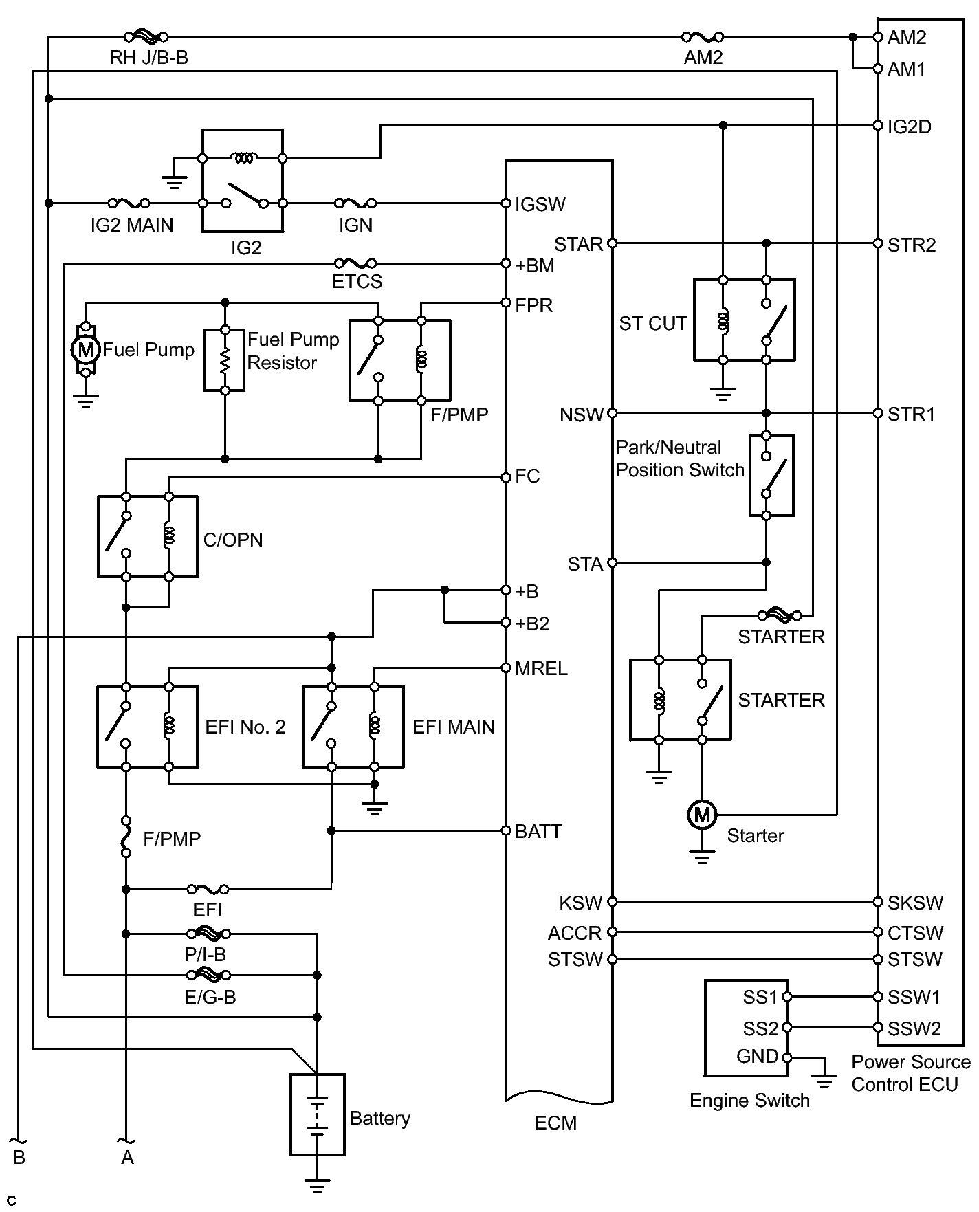
Fig 3: SFI System Diagram (3 Of 7)
GTY133707Courtesy of © TOYOTA, LICENSE AGREEMENT TMS1002
Fig 4: SFI System Diagram (4 Of 7)
GTY123799Courtesy of © TOYOTA, LICENSE AGREEMENT TMS1002
Fig 5: SFI System Diagram (5 Of 7)
GTY138118Courtesy of © TOYOTA, LICENSE AGREEMENT TMS1002
Fig 6: SFI System Diagram (6 Of 7)
GTY138197Courtesy of © TOYOTA, LICENSE AGREEMENT TMS1002
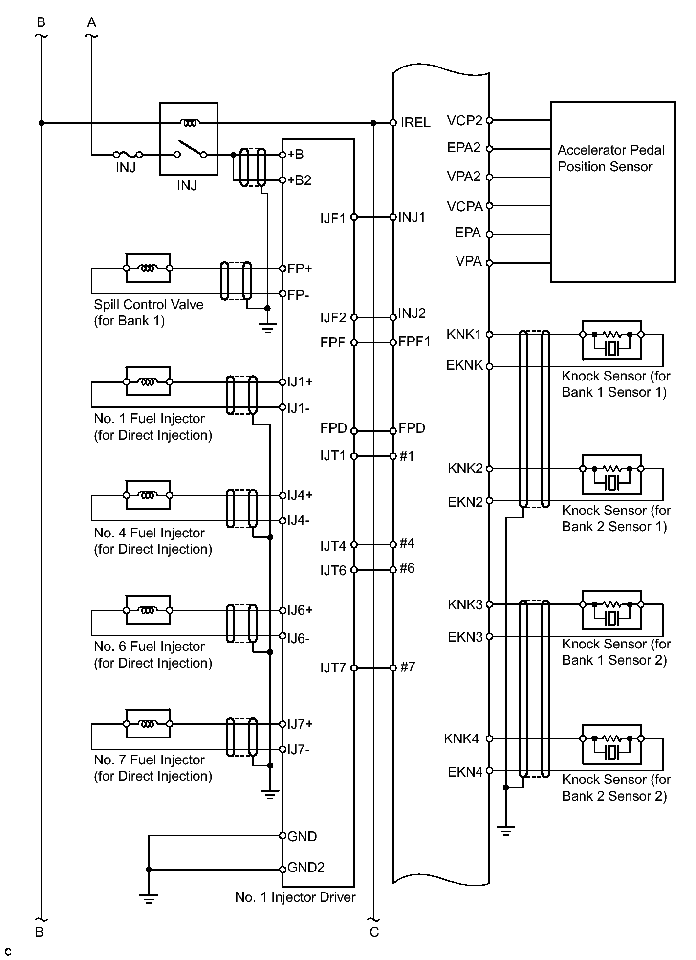
Fig 7: SFI System Diagram (7 Of 7)
GTY133436Courtesy of © TOYOTA, LICENSE AGREEMENT TMS1002