LEMON Manuals: Even more car manuals for everyone: 1960-2025
Home >> Lexus >> 2009 >> IS F >> Repair and Diagnosis >> External Pages >> Different car >> Section 107 (OEM System Circuits) >> Navigation, Parking Assist (Rear View Monitor) and Audio System >> Notes
April 5, 2026: LEMON Manuals is launched! Read the announcement.

Navigation, Parking Assist (Rear View Monitor) and Audio System: Notes

WARNING: This page is about a different car, the 2008 Lexus IS F. However, it is still accessible from the selected car via links, so may be relevant.
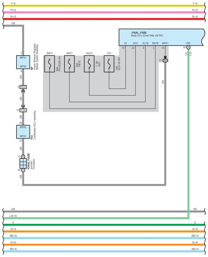
Fig 1: Navigation, Parking Assist (Rear View Monitor) And Audio System - Circuit Diagram (1 Of 13)
G07592445Courtesy of © TOYOTA, LICENSE AGREEMENT TMS1002
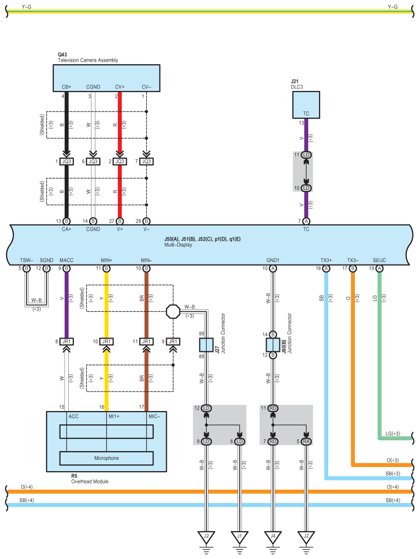
Fig 2: Navigation, Parking Assist (Rear View Monitor) And Audio System - Circuit Diagram (2 Of 13)
G07592446Courtesy of © TOYOTA, LICENSE AGREEMENT TMS1002
Fig 3: Navigation, Parking Assist (Rear View Monitor) And Audio System - Circuit Diagram (3 Of 13)
G07592447Courtesy of © TOYOTA, LICENSE AGREEMENT TMS1002
Fig 4: Navigation, Parking Assist (Rear View Monitor) And Audio System - Circuit Diagram (4 Of 13)
G07592448Courtesy of © TOYOTA, LICENSE AGREEMENT TMS1002
Fig 5: Navigation, Parking Assist (Rear View Monitor) And Audio System - Circuit Diagram (5 Of 13)
G07592449Courtesy of © TOYOTA, LICENSE AGREEMENT TMS1002
Fig 6: Navigation, Parking Assist (Rear View Monitor) And Audio System - Circuit Diagram (6 Of 13)
G07592450Courtesy of © TOYOTA, LICENSE AGREEMENT TMS1002
Fig 7: Navigation, Parking Assist (Rear View Monitor) And Audio System - Circuit Diagram (7 Of 13)
G07592451Courtesy of © TOYOTA, LICENSE AGREEMENT TMS1002
Fig 8: Navigation, Parking Assist (Rear View Monitor) And Audio System - Circuit Diagram (8 Of 13)
G07592452Courtesy of © TOYOTA, LICENSE AGREEMENT TMS1002
Fig 9: Navigation, Parking Assist (Rear View Monitor) And Audio System - Circuit Diagram (9 Of 13)
G07592453Courtesy of © TOYOTA, LICENSE AGREEMENT TMS1002
Fig 10: Navigation, Parking Assist (Rear View Monitor) And Audio System - Circuit Diagram (10 Of 13)
G07592454Courtesy of © TOYOTA, LICENSE AGREEMENT TMS1002
Fig 11: Navigation, Parking Assist (Rear View Monitor) And Audio System - Circuit Diagram (11 Of 13)
G07592455Courtesy of © TOYOTA, LICENSE AGREEMENT TMS1002
Fig 12: Navigation, Parking Assist (Rear View Monitor) And Audio System - Circuit Diagram (12 Of 13)
G07592456Courtesy of © TOYOTA, LICENSE AGREEMENT TMS1002
Fig 13: Navigation, Parking Assist (Rear View Monitor) And Audio System - Circuit Diagram (13 Of 13)
G07592457Courtesy of © TOYOTA, LICENSE AGREEMENT TMS1002