LEMON Manuals: Even more car manuals for everyone: 1960-2025
Home >> Lexus >> 2010 >> ES 350 >> Repair and Diagnosis (Single Page) >> Engine Mechanical >> Starter >> Smart Access System (Keyless Start) (Diagnostics - Introduction) >> Smart Access System With Push-Button Start >> System Diagram >> System Diagram
April 5, 2026: LEMON Manuals is launched! Read the announcement.

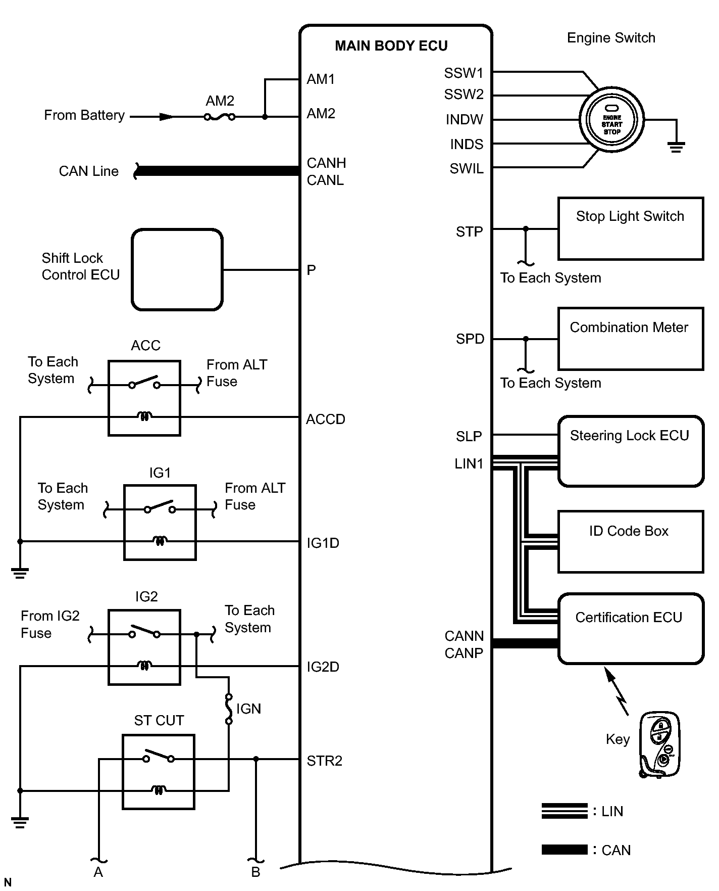
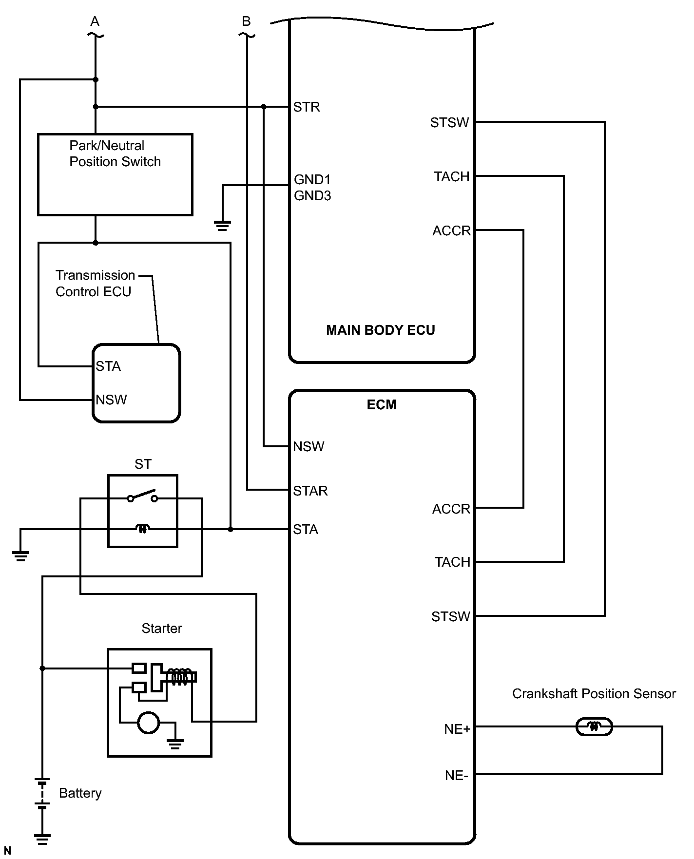
System Diagram

Fig 1: Engine Start System - Wiring Diagram (1 Of 2)
GTY118418Courtesy of © TOYOTA, LICENSE AGREEMENT TMS1002
Fig 2: Engine Start System - Wiring Diagram (2 Of 2)
GTY127757Courtesy of © TOYOTA, LICENSE AGREEMENT TMS1002
COMMUNICATION TABLE:

Transmitting ECU
(Transmitter)
Receiving ECU
(Receiver)
Signal Communication method
Combination meter Main body ECU Vehicle speed signal CAN/Local communication
Steering lock ECU Main body ECU Steering lock/unlock signal LIN/Local communication
ECM Main body ECU Starter signal CAN
Shift position signal
Engine revolution speed signal
Main body ECU Certification ECU Engine switch position signal CAN
Courtesy light switch signal
Wireless door lock buzzer request signal
Main body ECU Combination meter Entry start key signal CAN
Main body ECU Combination meter Wireless door lock buzzer request signal CAN
Certification ECU Main body ECU Illumination light request signal CAN
Certification ECU Driver seat ECU Memory call replay request signal CAN
Certification ECU Main body ECU Light answer back signal CAN
Certification ECU Combination meter Meter buzzer single-shot request signal CAN
Meter buzzer intermittence request signal
Meter buzzer continuation request signal
Door open display signal
Key loss warning signal
Low key battery warning signal
Shift position warning signal
Steering lock abnormal warning
Steering lock unlock warning
Combination meter Certification ECU/Main body ECU Vehicle speed signal CAN
Certification ECU Main body ECU Key ID matching request signal LIN
Main body ECU Certification ECU ID required signal LIN