LEMON Manuals: Even more car manuals for everyone: 1960-2025
Home >> Lexus >> 2010 >> IS 350 >> Repair and Diagnosis >> Electrical >> Body Electrical >> OEM System Circuits >> Clock >> Notes
April 5, 2026: LEMON Manuals is launched! Read the announcement.

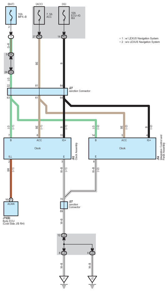
OEM System Circuits: Clock: Notes

Fig 1: Clock - Circuit Diagram
G07559250Courtesy of © TOYOTA, LICENSE AGREEMENT TMS1002