LEMON Manuals: Even more car manuals for everyone: 1960-2025
Home >> Lexus >> 2010 >> IS 350 >> Repair and Diagnosis >> Electrical >> Body Electrical >> OEM System Circuits >> Power Window >> Notes
April 5, 2026: LEMON Manuals is launched! Read the announcement.

Power Window: Notes

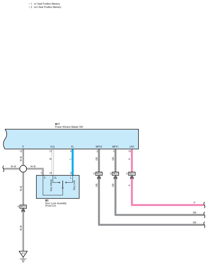
Fig 1: Power Window - Circuit Diagram (1 Of 6)
G07559073Courtesy of © TOYOTA, LICENSE AGREEMENT TMS1002
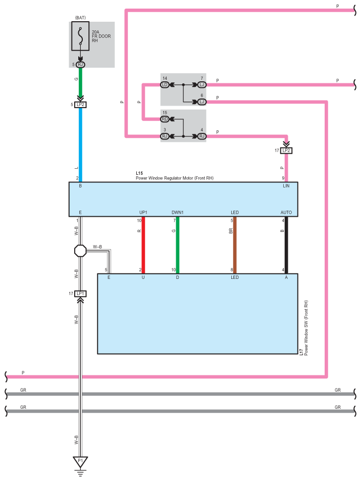
Fig 2: Power Window - Circuit Diagram (2 Of 6)
G07559074Courtesy of © TOYOTA, LICENSE AGREEMENT TMS1002
Fig 3: Power Window - Circuit Diagram (3 Of 6)
G07559075Courtesy of © TOYOTA, LICENSE AGREEMENT TMS1002
Fig 4: Power Window - Circuit Diagram (4 Of 6)
G07559076Courtesy of © TOYOTA, LICENSE AGREEMENT TMS1002
Fig 5: Power Window - Circuit Diagram (5 Of 6)
G07559077Courtesy of © TOYOTA, LICENSE AGREEMENT TMS1002
Fig 6: Power Window - Circuit Diagram (6 Of 6)
G07559078Courtesy of © TOYOTA, LICENSE AGREEMENT TMS1002