LEMON Manuals: Even more car manuals for everyone: 1960-2025
Home >> Lexus >> 2010 >> LS 460 AWD >> Repair and Diagnosis >> Electrical >> Body Electrical >> OEM System Circuits >> Power Shoulder Belt Anchorage >> Notes
April 5, 2026: LEMON Manuals is launched! Read the announcement.

Power Shoulder Belt Anchorage: Notes

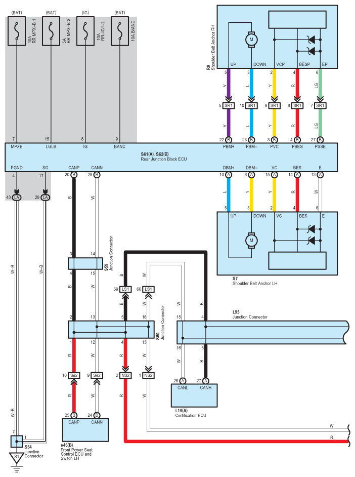
Fig 1: Power Shoulder Belt Anchorage - Circuit Diagram (1 Of 5)
G07568056Courtesy of © TOYOTA, LICENSE AGREEMENT TMS1002
Fig 2: Power Shoulder Belt Anchorage - Circuit Diagram (2 Of 5)
G07568057Courtesy of © TOYOTA, LICENSE AGREEMENT TMS1002
Fig 3: Power Shoulder Belt Anchorage - Circuit Diagram (3 Of 5)
G07568058Courtesy of © TOYOTA, LICENSE AGREEMENT TMS1002
Fig 4: Power Shoulder Belt Anchorage - Circuit Diagram (4 Of 5)
G07568059Courtesy of © TOYOTA, LICENSE AGREEMENT TMS1002
Fig 5: Power Shoulder Belt Anchorage - Circuit Diagram (5 Of 5)
G07568060Courtesy of © TOYOTA, LICENSE AGREEMENT TMS1002