LEMON Manuals: Even more car manuals for everyone: 1960-2025
Home >> Lexus >> 2010 >> LS 460 AWD >> Repair and Diagnosis >> Electrical >> Body Electrical >> OEM System Circuits >> Wiper and Washer >> Notes
April 5, 2026: LEMON Manuals is launched! Read the announcement.

Wiper and Washer: Notes

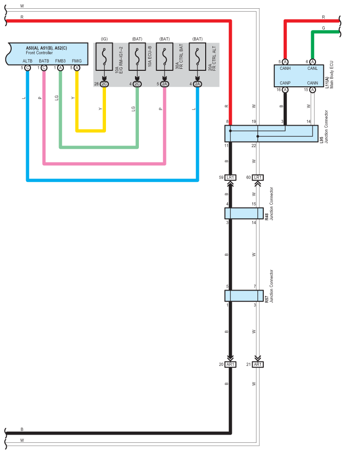
Fig 1: Wiper And Washer - Circuit Diagram (1 Of 5)
G07567810Courtesy of © TOYOTA, LICENSE AGREEMENT TMS1002
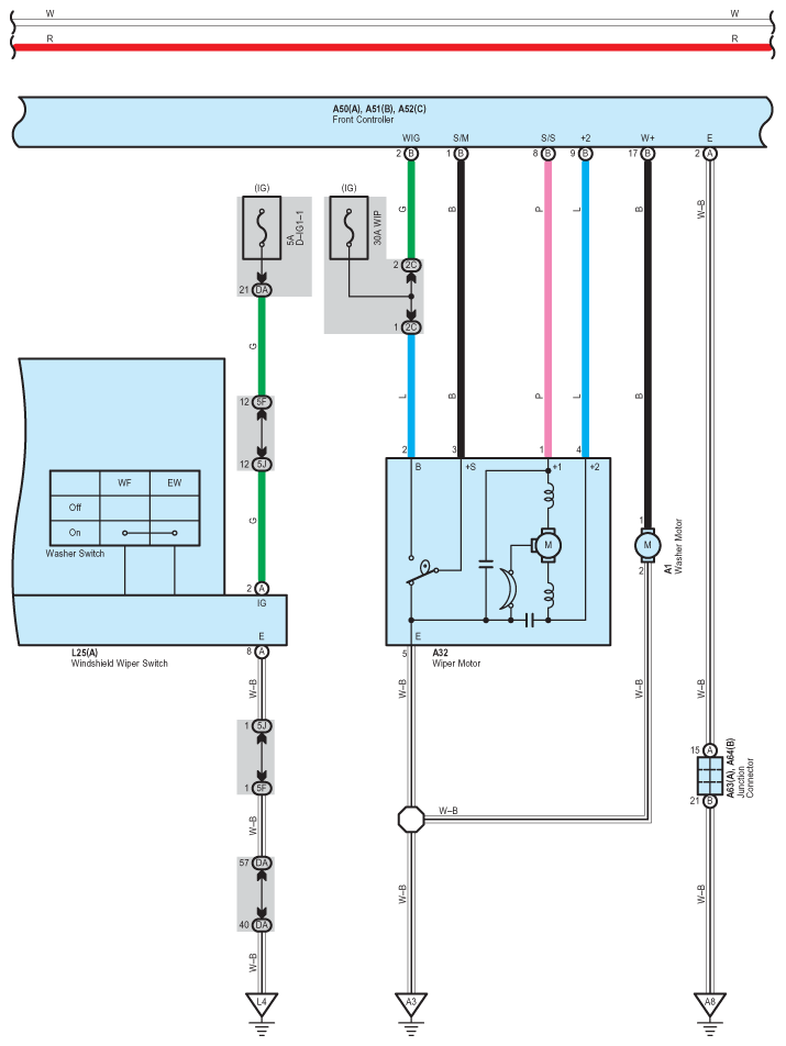
Fig 2: Wiper And Washer - Circuit Diagram (2 Of 5)
G07567811Courtesy of © TOYOTA, LICENSE AGREEMENT TMS1002
Fig 3: Wiper And Washer - Circuit Diagram (3 Of 5)
G07567812Courtesy of © TOYOTA, LICENSE AGREEMENT TMS1002
Fig 4: Wiper And Washer - Circuit Diagram (4 Of 5)
G07567813Courtesy of © TOYOTA, LICENSE AGREEMENT TMS1002
Fig 5: Wiper And Washer - Circuit Diagram (5 Of 5)
G07567814Courtesy of © TOYOTA, LICENSE AGREEMENT TMS1002