LEMON Manuals: Even more car manuals for everyone: 1960-2025
Home >> Lexus >> 2010 >> LS 460 RWD >> Repair and Diagnosis >> Electrical >> Body Electrical >> OEM System Circuits >> Heated Steering Wheel System >> Notes
April 5, 2026: LEMON Manuals is launched! Read the announcement.

Heated Steering Wheel System: Notes

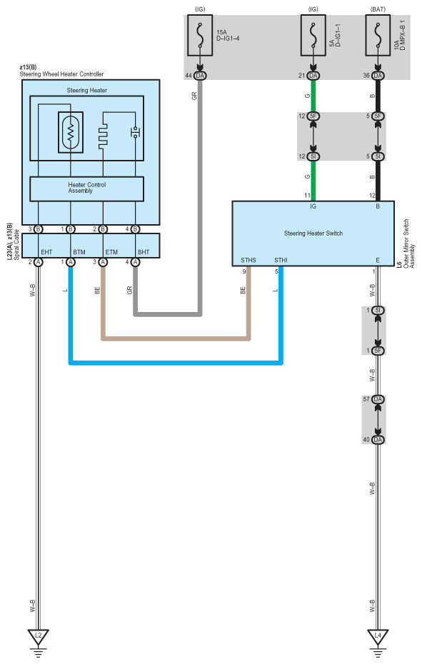
Fig 1: Heated Steering Wheel System - Circuit Diagram
G07568047Courtesy of © TOYOTA, LICENSE AGREEMENT TMS1002